指南生活
首页
美食营养
手工爱好
生活家居
返回
指南生活
首页
美食营养
游戏数码
手工爱好
生活家居
健康养生
运动户外
职场理财
情感交际
母婴教育
时尚美容
知识问答
生活知识
生活百科
搜索
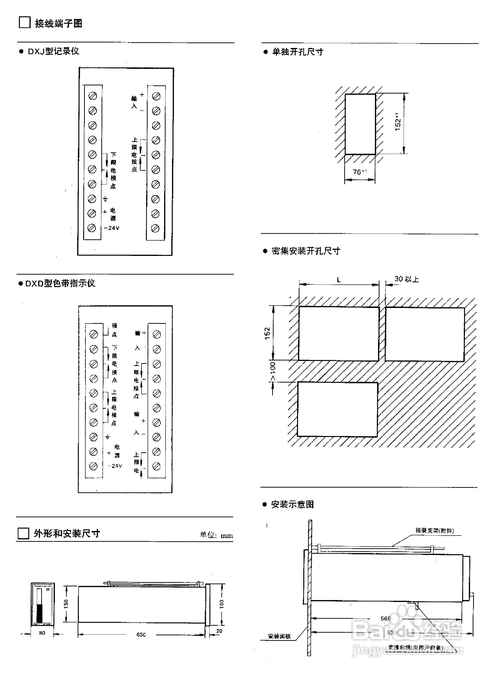
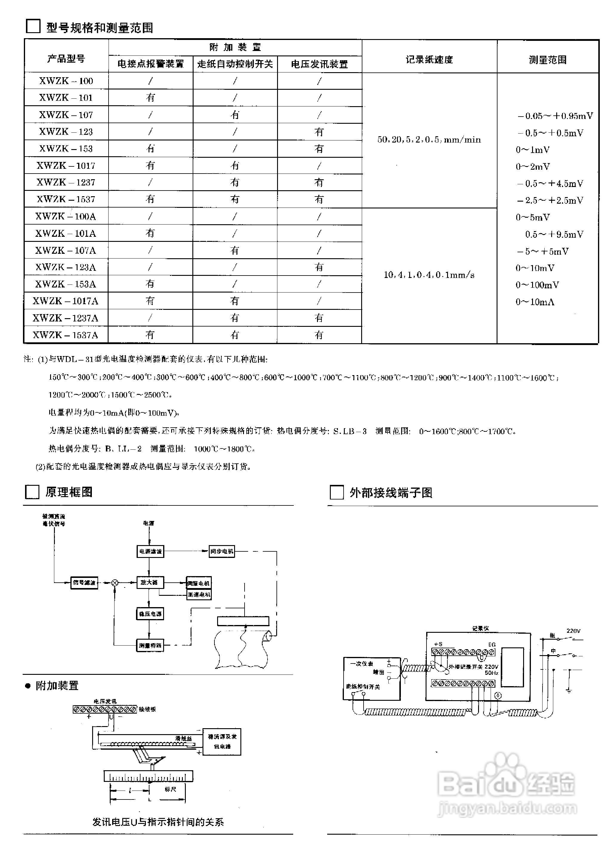
L系列自动平衡小型记录调节、报警仪说明书:[9]
2026-04-26 15:24:47
本篇为《L系列自动平衡小型记录调节、报警仪说明书》,主要介绍该产品的使用方法以及常见故障解决方案。
(共篇)
上一篇:
|
下一篇:
声明:
本网站引用、摘录或转载内容仅供网站访问者交流或参考,不代表本站立场,如存在版权或非法内容,请联系站长删除,联系邮箱:site.kefu@qq.com。
相关推荐
L系列自动平衡小型记录调节、报警仪说明书:[10]
阅读量:87
L系列自动平衡小型记录调节、报警仪说明书:[5]
阅读量:120
LTM8203多通道温湿度巡检报警仪说明书:[1]
阅读量:133
单点壁挂式二合一气体报警仪
阅读量:94
个人辐射报警仪的特点
阅读量:79
猜你喜欢
双马尾怎么扎好看
百香果怎么种植
皮肤过敏瘙痒怎么办
电脑怎么扫描二维码
鼻子不透气怎么办
苁蓉怎么吃
死飞自行车怎么刹车
怎么考会计证
盛五笔怎么打
电脑怎么放光盘
猜你喜欢
酸菜怎么做
怎么谈恋爱找话题
盆腔炎怎么检查
益安宁丸效果怎么样
红豆沙怎么做
怎么样才能快速减肥
电脑蓝屏怎么回事
罐头打不开怎么办
qq怎么更新
猕猴桃怎么去皮