指南生活
首页
美食营养
手工爱好
生活家居
返回
指南生活
首页
美食营养
游戏数码
手工爱好
生活家居
健康养生
运动户外
职场理财
情感交际
母婴教育
时尚美容
知识问答
生活知识
搜索
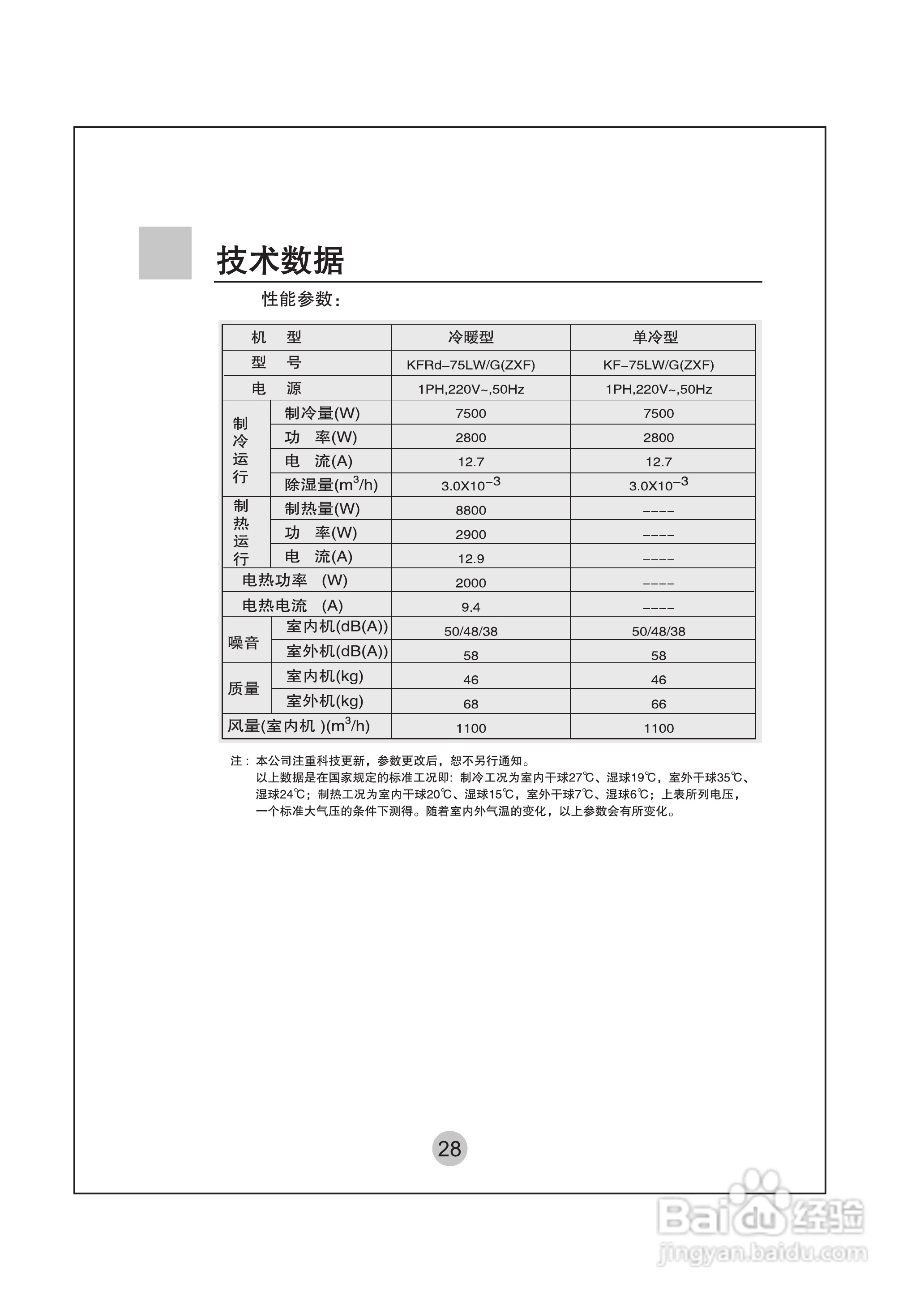
海尔KF-75LW/G(ZXF)空调使用说明书:[3]
2025-12-20 07:34:57
(共篇)
上一篇:
|
下一篇:
声明:
本网站引用、摘录或转载内容仅供网站访问者交流或参考,不代表本站立场,如存在版权或非法内容,请联系站长删除,联系邮箱:site.kefu@qq.com。
相关推荐
海尔KF-75LW/G(ZXF)空调使用说明书:[2]
阅读量:169
海尔电视怎么投屏
阅读量:175
海尔KF-75LW/G(ZXF)空调使用说明书:[4]
阅读量:60
海尔KF-75LW/G(ZXF)空调使用说明书:[1]
阅读量:110
海尔KF(R)-250LW/A空调使用说明书:[2]
阅读量:45
猜你喜欢
ibs是什么单位
疖子是什么
ph是什么意思
什么叫白皮书
储备干部是做什么的
9月28日是什么星座
姜子牙是什么神
爱情是什么样子的
kb什么意思
白玫瑰花语是什么
猜你喜欢
txt是什么意思
爱情是什么意思
我方了是什么意思
大姨妈推迟什么原因
城投债是什么意思
reach是什么意思
qq申诉成功凭证是什么
什么是社会主义的生命
口臭是什么原因造成的
碱性磷酸酶是什么