指南生活
首页
美食营养
手工爱好
生活家居
返回
指南生活
首页
美食营养
游戏数码
手工爱好
生活家居
健康养生
运动户外
职场理财
情感交际
母婴教育
时尚美容
知识问答
生活知识
搜索
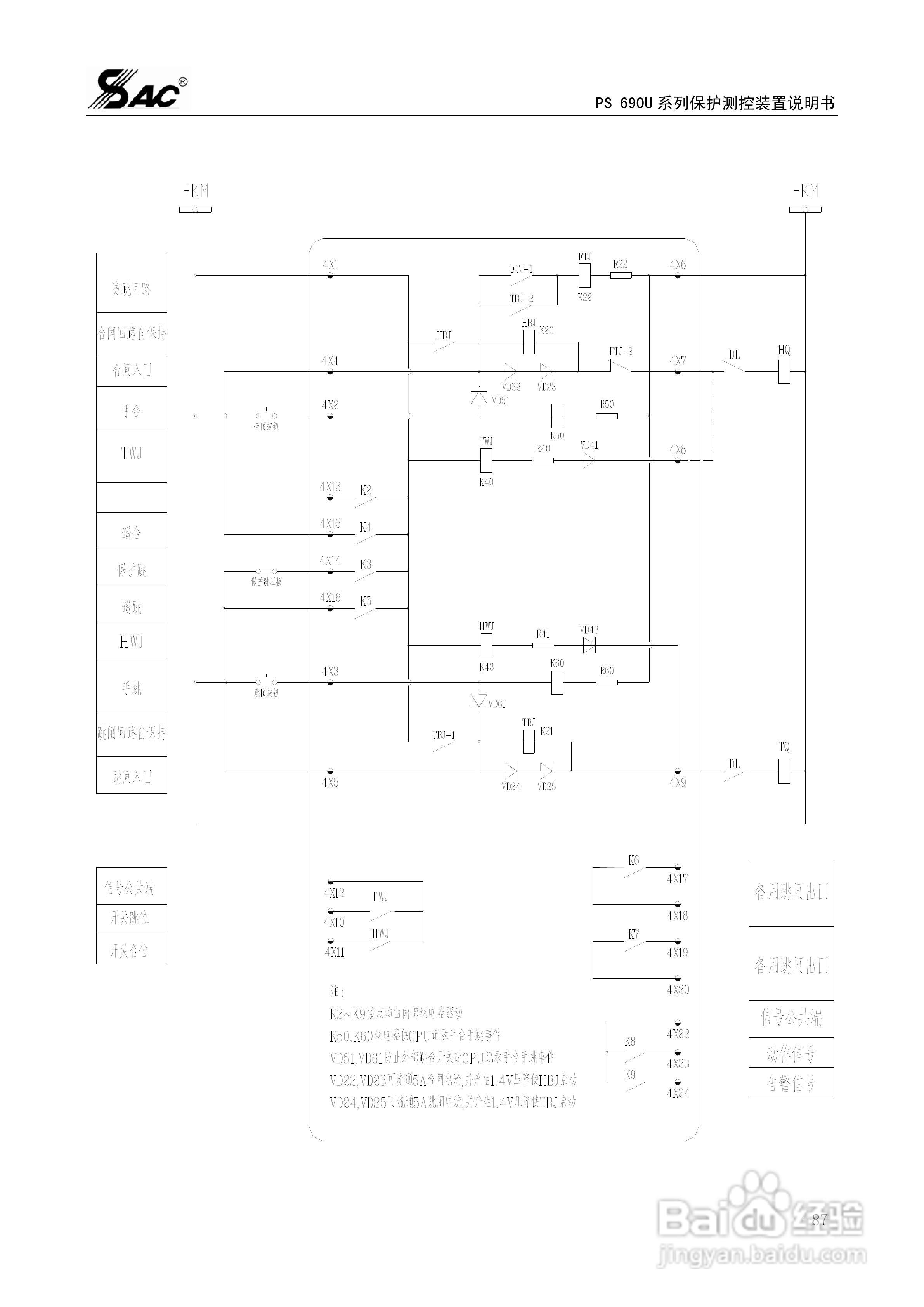
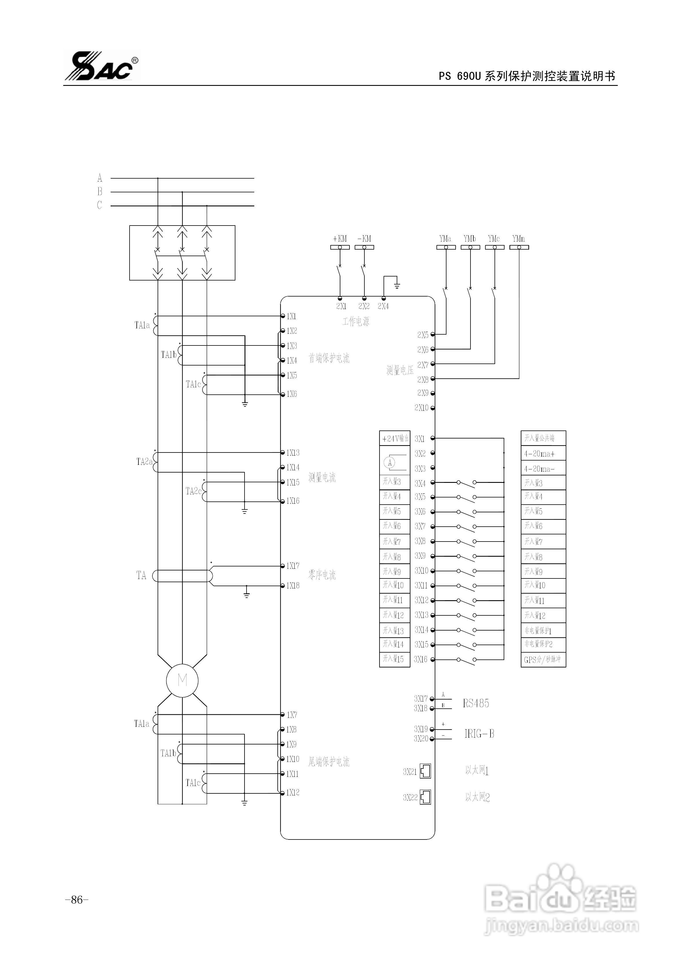
PSM691U电动机差动综合保护装置说明书:[10]
2025-12-09 06:03:36
本篇为《PSM691U电动机差动综合保护装置说明书》,主要介绍该产品的使用方法以及常见故障解决方案。
(共篇)
上一篇:
|
下一篇:
声明:
本网站引用、摘录或转载内容仅供网站访问者交流或参考,不代表本站立场,如存在版权或非法内容,请联系站长删除,联系邮箱:site.kefu@qq.com。
相关推荐
PSM691U电动机差动综合保护装置说明书:[11]
阅读量:109
PSM691U电动机差动综合保护装置说明书:[12]
阅读量:48
电动机三相电流不平衡的原因及表现
阅读量:156
PSM669B数字式电动机保护装置技术说明书:[3]
阅读量:158
PSM669B数字式电动机保护装置技术说明书:[4]
阅读量:55
猜你喜欢
怎么断奶既快又不涨
科颜氏眼霜怎么样
怎么让脸变小
qq怎么注册微信账号
怎么注册电子邮件
怎么查电脑型号
善草纪护肤品怎么样
纽瑞滋奶粉怎么样
宝宝吐奶怎么办
腰痛是怎么回事
猜你喜欢
怎么写议论文
怎么向男生表白
水费怎么交
小孩拉肚子怎么办
华润漆怎么样
初中生怎么瘦腿
睡觉磨牙是怎么回事
元宵节怎么过
郑州大学怎么样
右下眼皮跳是怎么回事