指南生活
首页
美食营养
手工爱好
生活家居
返回
指南生活
首页
美食营养
游戏数码
手工爱好
生活家居
健康养生
运动户外
职场理财
情感交际
母婴教育
时尚美容
知识问答
生活知识
生活百科
搜索
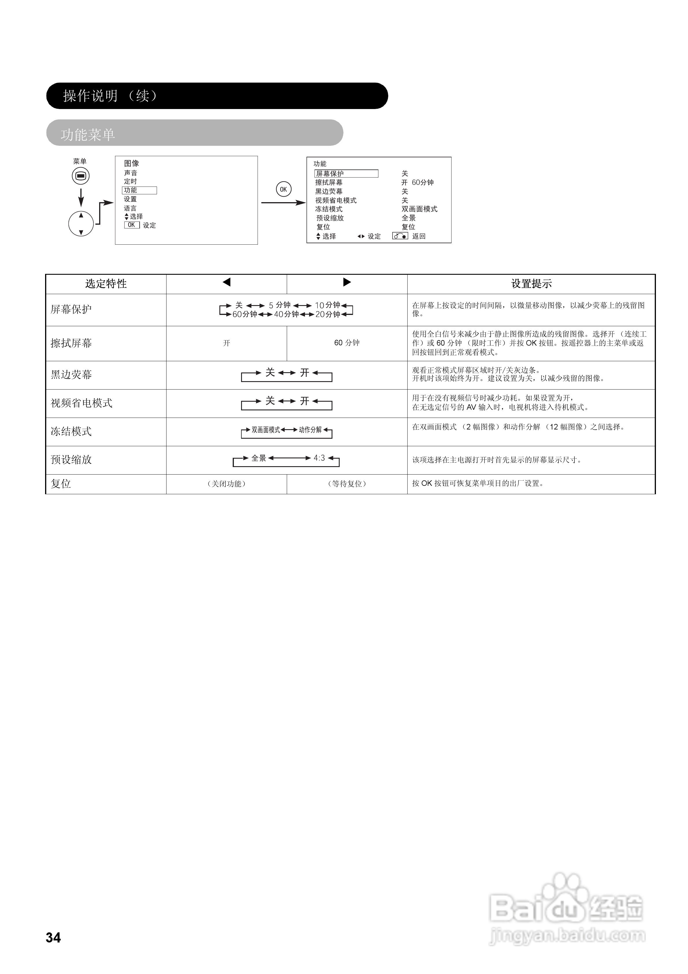
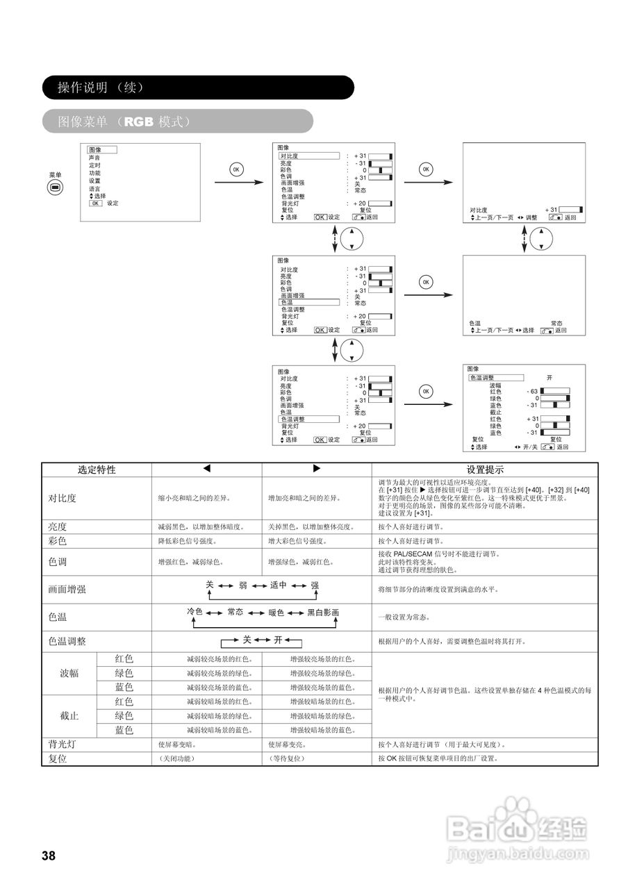
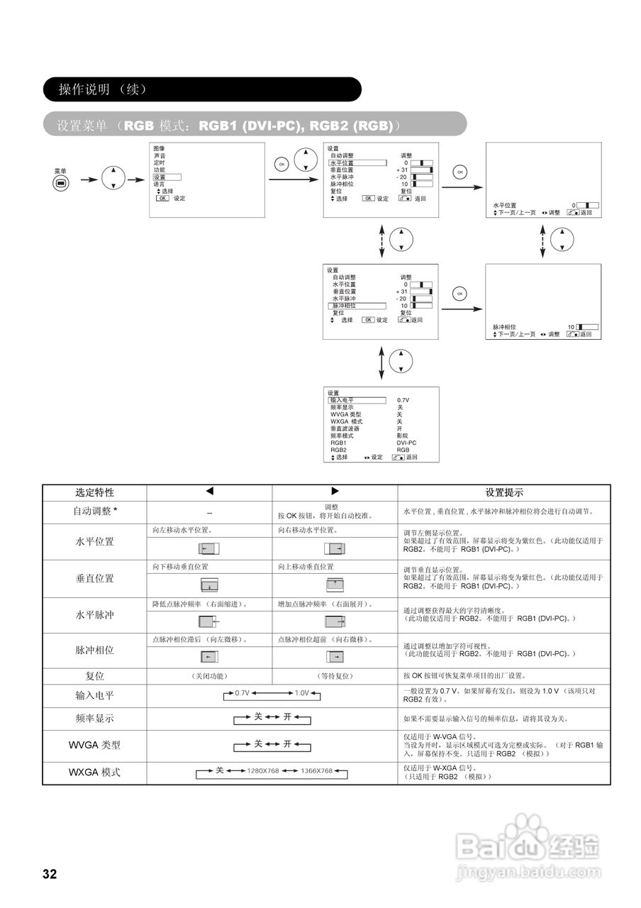
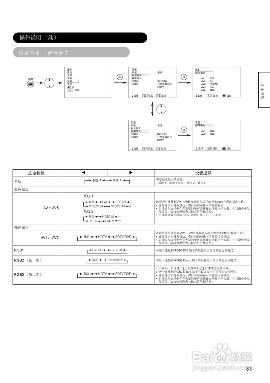
日立32液晶彩色电视接收机说明书:[4]
2026-05-13 02:13:29
(共篇)
上一篇:
|
下一篇:
声明:
本网站引用、摘录或转载内容仅供网站访问者交流或参考,不代表本站立场,如存在版权或非法内容,请联系站长删除,联系邮箱:site.kefu@qq.com。
相关推荐
日立32液晶彩色电视接收机说明书:[3]
阅读量:76
海尔彩色电视接收机L29A9-AK使用说明书:[4]
阅读量:183
海尔D34FV6-A彩色电视机接收机使用说明书:[4]
阅读量:32
海尔彩色电视接收机L29A9-AK使用说明书:[1]
阅读量:164
日立硬盘固件升级教程
阅读量:84
猜你喜欢
tmp是什么文件
vans是什么牌子
茂盛的反义词是什么
待产包需要准备什么
杏色是什么颜色
适时四驱是什么意思
舌加一笔是什么字
2012年是什么年
pppoe是什么意思
95533是什么电话
猜你喜欢
nba是什么意思
谷歌三件套是什么
考研什么时候报名
孙杨事件终身禁赛是什么原因
ctn是什么意思
家是什么排比句
12月7日是什么星座
三个牛念什么
1900年中国发生了什么
女生第一次是什么感觉