指南生活
首页
美食营养
手工爱好
生活家居
返回
指南生活
首页
美食营养
游戏数码
手工爱好
生活家居
健康养生
运动户外
职场理财
情感交际
母婴教育
时尚美容
知识问答
生活知识
搜索
欧姆龙3G3RV-B430K-ZV1变频器说明书:[23]
2026-03-06 16:28:48
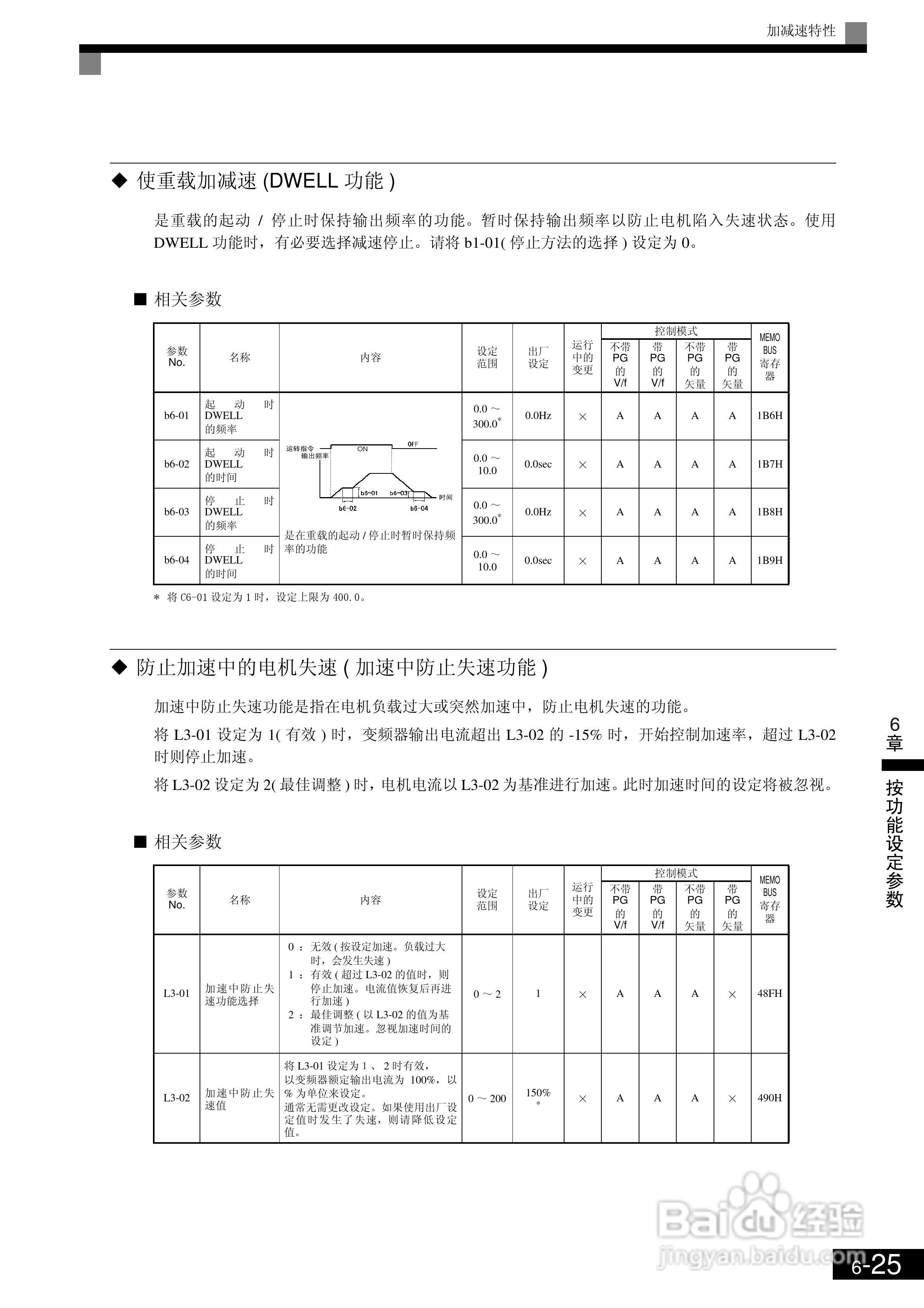
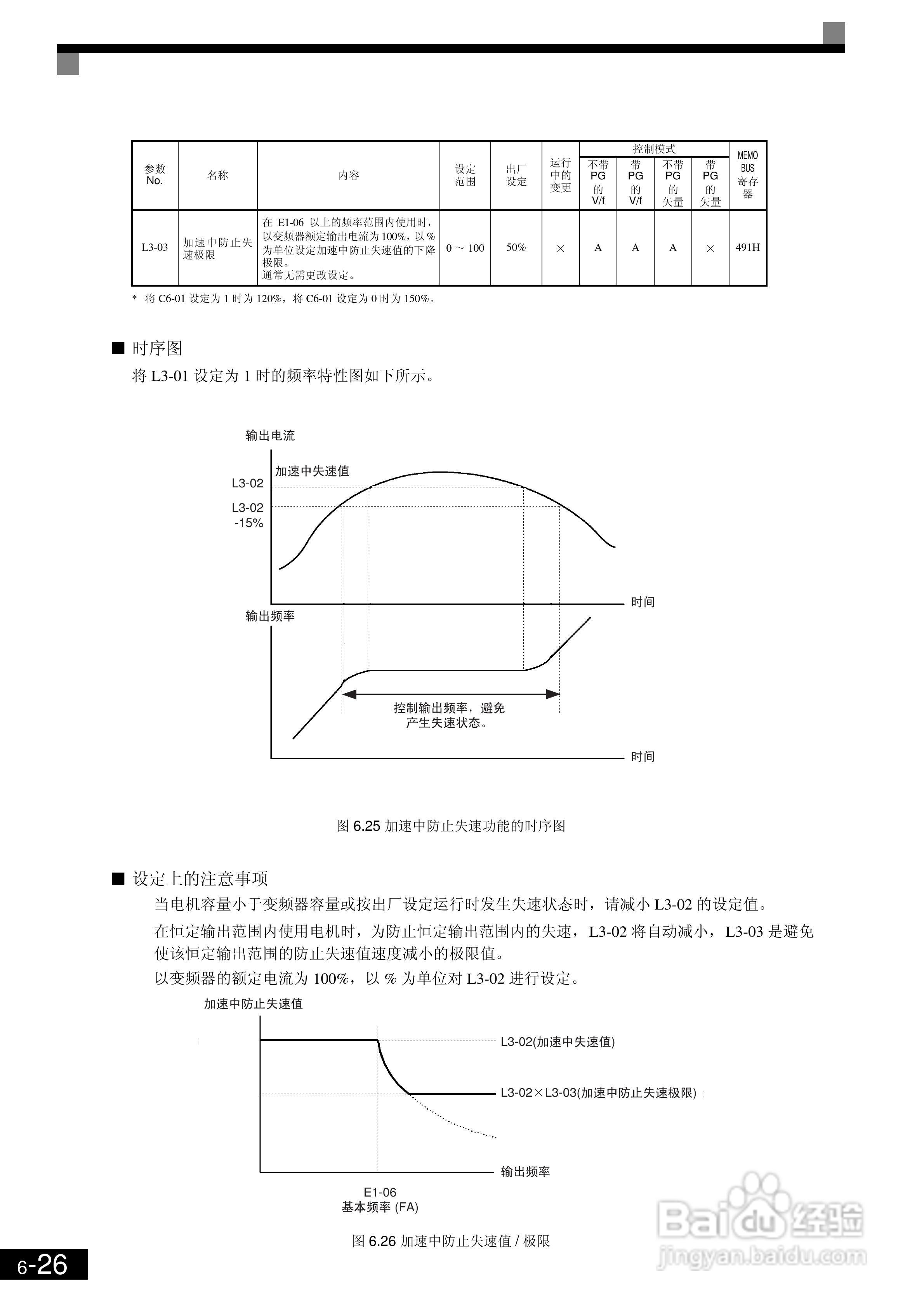
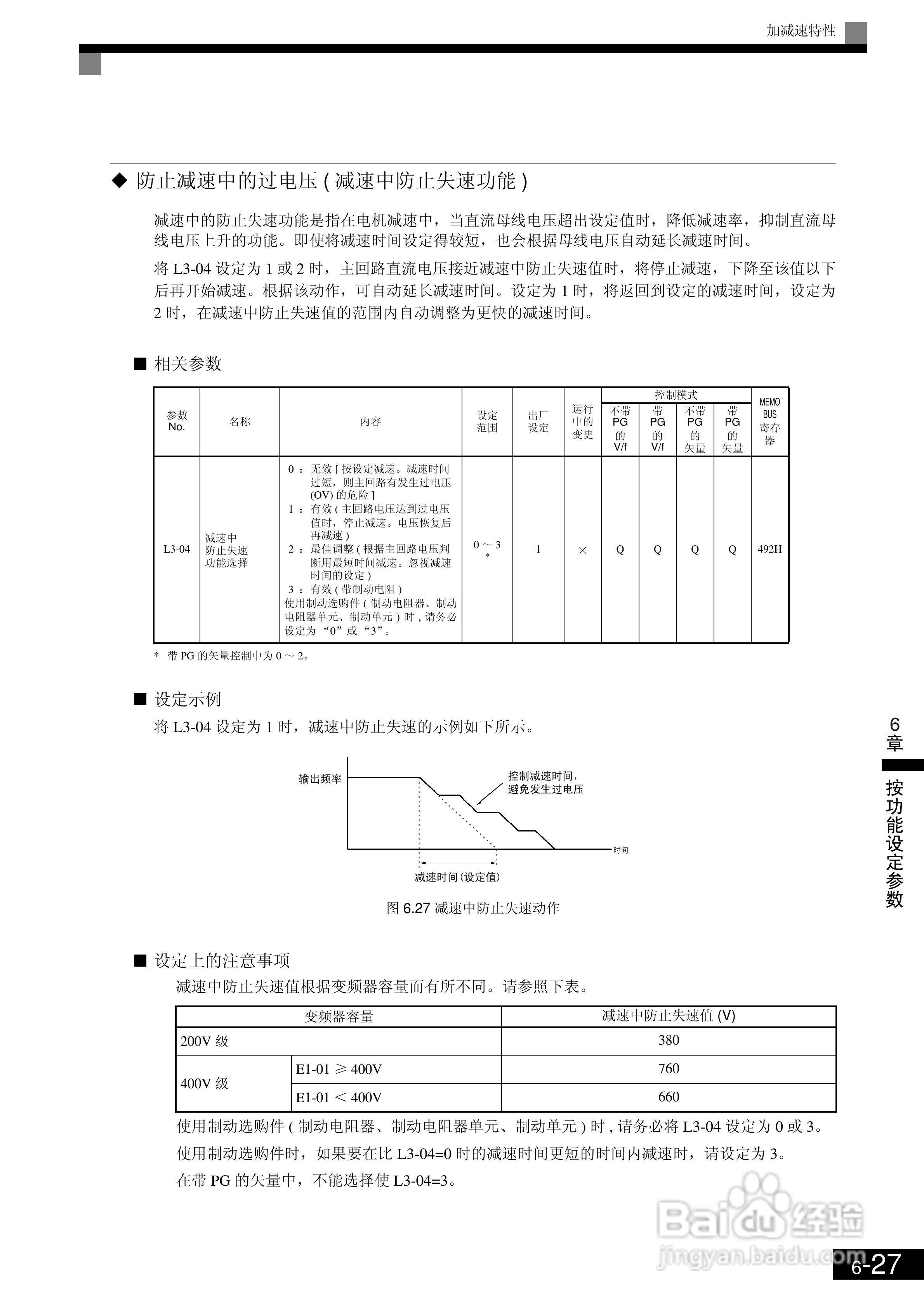
本篇为《欧姆龙3G3RV-B430K-ZV1变频器说明书》,主要介绍该产品的使用方法以及常见故障解决方案。
(共篇)
上一篇:
|
下一篇:
声明:
本网站引用、摘录或转载内容仅供网站访问者交流或参考,不代表本站立场,如存在版权或非法内容,请联系站长删除,联系邮箱:site.kefu@qq.com。
相关推荐
欧姆龙3G3RV-B430K-ZV1变频器说明书:[22]
阅读量:130
欧姆龙3G3RV-B430K-ZV1变频器说明书:[4]
阅读量:181
欧姆龙3G3RV-B430K-ZV1变频器说明书:[48]
阅读量:107
欧姆龙软件安装教程
阅读量:116
欧姆龙3G3RV-B430K-ZV1变频器说明书:[40]
阅读量:166
猜你喜欢
堕落的灰烬使者怎么获得
无线路由器怎么桥接
湛江哪里好玩
路由器不稳定
分割线怎么打
浙江横店在哪里
军绿色大衣怎么搭配
95%酒精如何稀释75%
两个路由器怎么串联
百合泡水喝的功效
猜你喜欢
如何上好复习课
如何祛痘
南京旅游景点介绍
古城旅游
臭虫怎么杀
微信漂流瓶在哪里
旅游人类学
肇庆有什么旅游景点
如何制作标书
徐州旅游团