指南生活
首页
美食营养
手工爱好
生活家居
返回
指南生活
首页
美食营养
游戏数码
手工爱好
生活家居
健康养生
运动户外
职场理财
情感交际
母婴教育
时尚美容
知识问答
生活知识
搜索
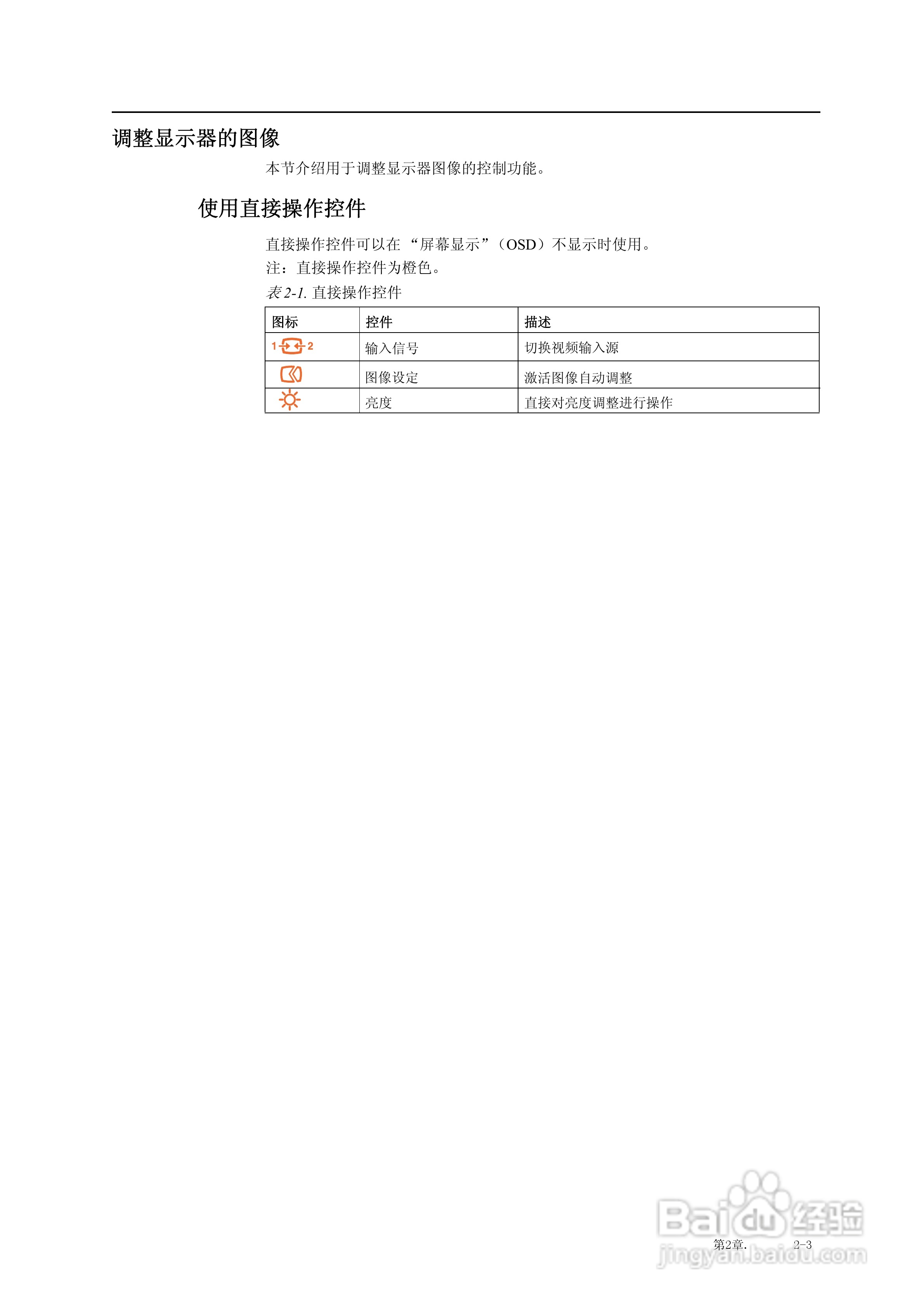
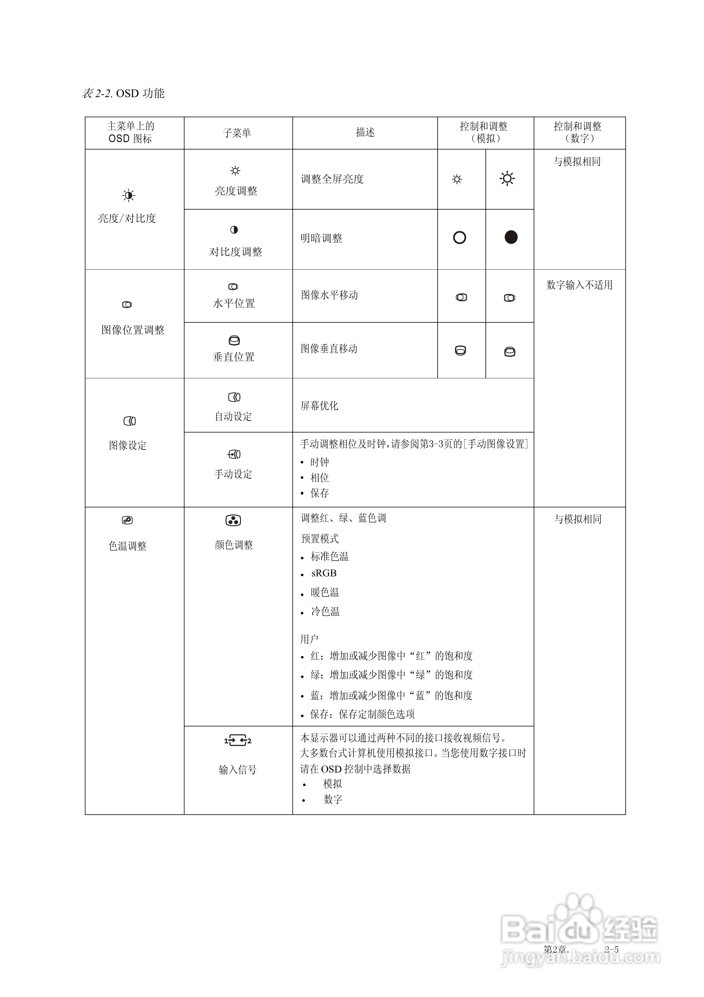
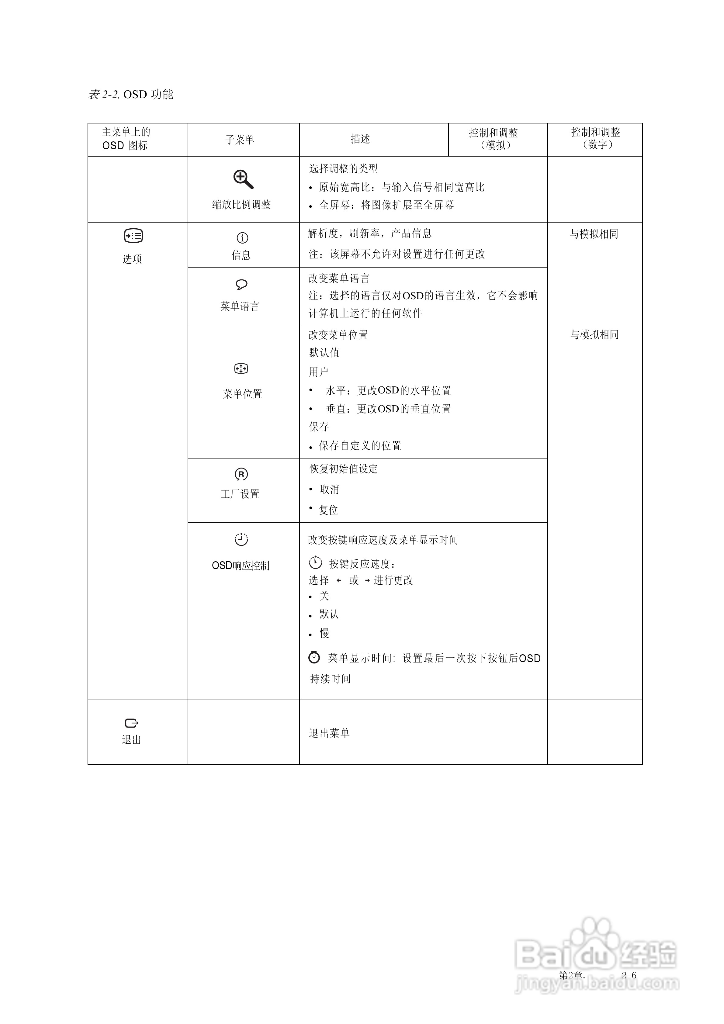
联想L2022wA液晶显示器使用说明书:[2]
2025-12-17 12:47:06
(共篇)
上一篇:
|
下一篇:
声明:
本网站引用、摘录或转载内容仅供网站访问者交流或参考,不代表本站立场,如存在版权或非法内容,请联系站长删除,联系邮箱:site.kefu@qq.com。
相关推荐
Linux平台上安装Qt4
阅读量:173
机战世界攻略
阅读量:169
图解为IIS创建证书
阅读量:147
显示我的电脑图标
阅读量:48
如何检查硬盘好坏?
阅读量:130
猜你喜欢
迷你世界什么时候下架
oz是什么单位
一个立一个羽念什么
子规是什么鸟
pt950是什么意思
妈妈生日送什么花
体味重是什么原因
nfc是什么意思
does是什么意思
中国岛屿绝大部分分布在什么以南的海域
猜你喜欢
大便黑色是什么原因
笔记本电脑什么牌子好
代购是什么意思
10月12日是什么星座
dm是什么
懒惰的近义词是什么
有什么好看的电影
什么是生产力
怕冷是什么原因怎么调理
bak文件是什么