指南生活
首页
美食营养
手工爱好
生活家居
返回
指南生活
首页
美食营养
游戏数码
手工爱好
生活家居
健康养生
运动户外
职场理财
情感交际
母婴教育
时尚美容
知识问答
生活知识
生活百科
搜索
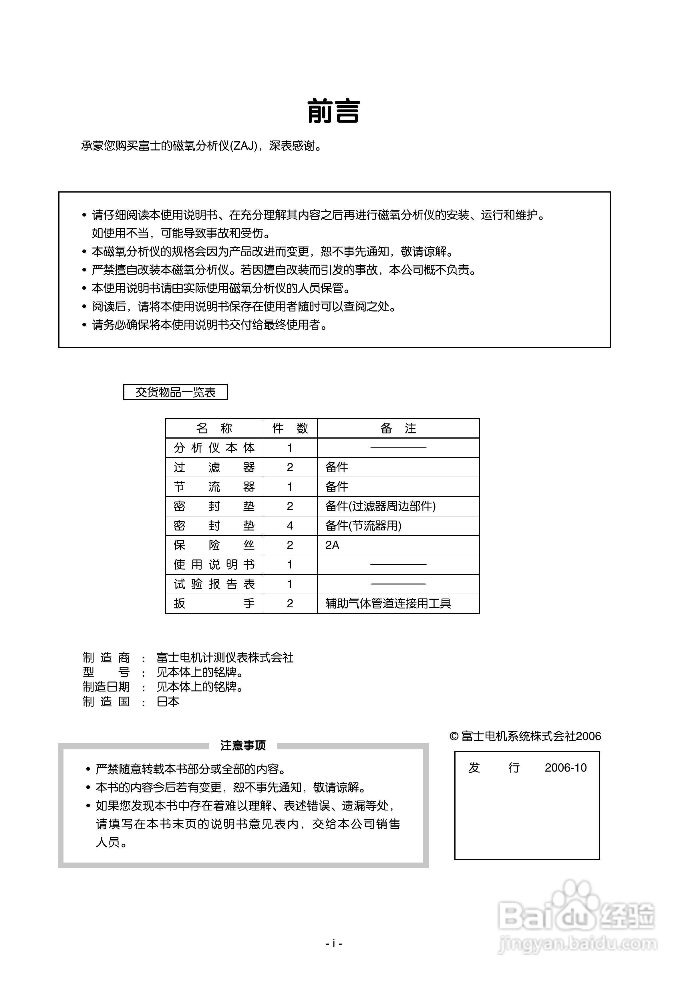
富士ZAJ磁氧分析仪使用手册:[1]
2026-04-20 14:20:51
本篇为《富士ZAJ磁氧分析仪使用手册》,主要介绍该产品的使用方法以及常见故障解决方案。
(共篇)
下一篇:
声明:
本网站引用、摘录或转载内容仅供网站访问者交流或参考,不代表本站立场,如存在版权或非法内容,请联系站长删除,联系邮箱:site.kefu@qq.com。
相关推荐
声宝DQ-R9042L型充电器说明书
阅读量:23
PHILIPS 旅行熨斗GC65 说明书
阅读量:131
KBG4(B)型定量斗煤量称重仪说明书
阅读量:81
淘宝三八节活动怎么领取优惠券
阅读量:162
S4新版探险家EZ符文天赋(4.5版本)
阅读量:121
猜你喜欢
叙利亚旅游
怎么下载种子
凉拌菠菜
三角粽子怎么包图解
大话西游手游龙马怎么获得
西岭雪山旅游
酸奶可以加热吗
秦皇岛旅游攻略
阿拉斯加可以穷养吗
纳税申报表怎么填
猜你喜欢
附近旅游景区哪里好玩
山东旅游攻略
旅游知识
湖北中医药大学怎么样
电脑声音小怎么办
孕妇可以用的面膜
cf怎么卡箱子
婴儿几个月可以把尿
阿古朵怎么放生
炼乳可以做什么