指南生活
首页
美食营养
手工爱好
生活家居
返回
指南生活
首页
美食营养
游戏数码
手工爱好
生活家居
健康养生
运动户外
职场理财
情感交际
母婴教育
时尚美容
知识问答
生活知识
生活百科
搜索
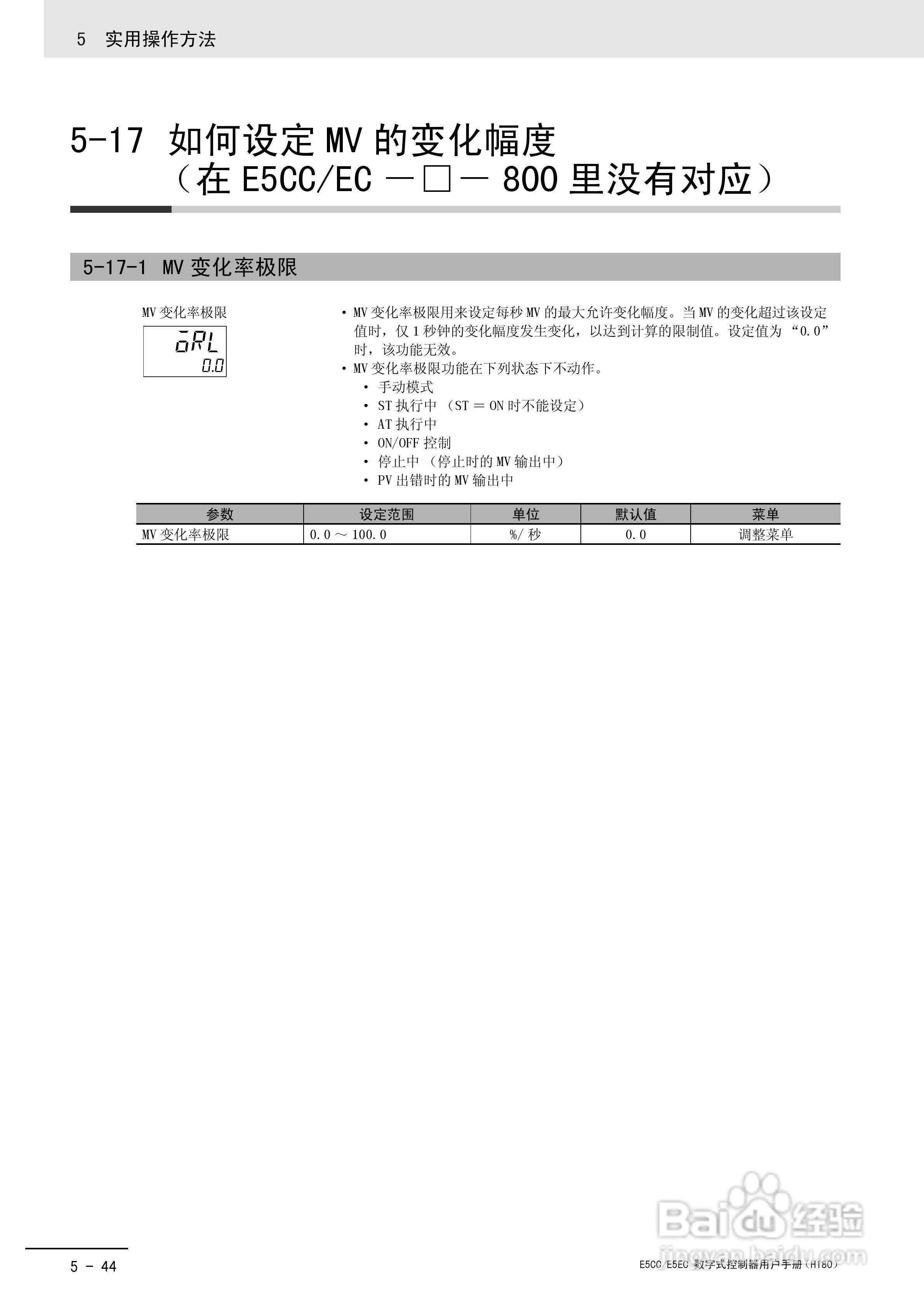
欧姆龙温控器E5CC-E5EC操作手册:[17]
2026-04-27 15:27:19
本篇为《欧姆龙温控器E5CC-E5EC操作手册》,主要介绍该产品的使用方法以及常见故障解决方案。
(共篇)
上一篇:
|
下一篇:
声明:
本网站引用、摘录或转载内容仅供网站访问者交流或参考,不代表本站立场,如存在版权或非法内容,请联系站长删除,联系邮箱:site.kefu@qq.com。
相关推荐
消防报审图纸设计流程及报审注意事项
阅读量:99
桥梁施工中出现桥梁裂缝问题的原因有哪些
阅读量:173
道路图纸计算测量标高
阅读量:72
如何将CAD图插入到Excel中?
阅读量:102
CAD中西安80坐标系转国家2000坐标系
阅读量:34
猜你喜欢
ojbk是什么意思
肺大泡是什么病
light什么意思
感恩节是什么时候
拜金女是什么意思
421是什么意思
喜爱的反义词是什么
felt是什么意思
孕妇梦见蛇是什么意思
蛋白粉什么牌子好
猜你喜欢
初来乍到是什么意思
favorite什么意思
薏米是什么
分开这些年怀念太多是什么歌
什么是虚数
may什么意思
enjoy是什么意思
委差是什么意思
政审是什么
瞳孔放大的原因是什么