测量电阻阻值的特殊方法
1、安安法若器材要求只能用两个电流表,且有一只已知阻值的定值电阻。方法如下:(如图1所示)
(1)闭合开关,测出通过R0和Rx的电流I2和I1。Rx的计算式:Rx=I2xI1/R0

2、安滑法若器材要求只能用一个电流表,且有一只滑动变阻器,方法如下:(如图2所示)
(1)闭合开关,测出通过当滑动变阻器阻值最大(最大电阻为Rm)时的电流值I1和当滑动变阻器阻值最小时的电流值I2。(2)Rx的计算式:Rx=I1xRm/(I2-I1)

3、安阻法若器材要求只能用一个电流表,且有一只已知阻值的定值电阻,方法如下:(如图3所示)
(1)当S1闭合,S2断开时,电流表测的是通过R0的电流I0。(2)当S1断开,S2闭合时,电流表测的是通过Rx的电流Ix。(3)Rx的计算式:Rx=I0xR0/Ix

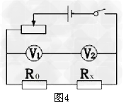
1、伏伏法若器材要求只能用两个电压表,且有一只已知阻值的定值电阻。方法如下:(如图4所示)(1)闭合开关,测出R0和Rx两端的电压U1和U2。 (2)Rx的计算式: Rx=U2xR0/U1

2、伏滑法若器材要求只能用一个电压表,且有一只滑动变阻器,方法如下:(如图5所示)
(1)闭合开关,测出当滑动变阻器阻值最大(最大电阻为Rm)时Rx两端的电压值U1和当滑动变阻器阻值最小时的电压值U2。 (2)Rx的计算式: Rx=U1xRm/(U2-U1)

3、伏阻法若器材要求只能用一个电压表,且有一只已知阻值的定值电阻,方法如下:(如图6所示)
(1)当S1闭合,S2断开时,电压表测的是R0两端电压U0。(2)当S1、S2都闭合时,电压表测的是电源电压U。(3)Rx的计算式: Rx=(U-U0)xR0/U0

声明:本网站引用、摘录或转载内容仅供网站访问者交流或参考,不代表本站立场,如存在版权或非法内容,请联系站长删除,联系邮箱:site.kefu@qq.com。