常见照明线路电路图汇总
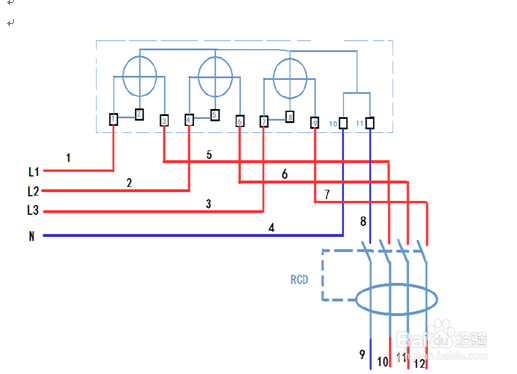
1、第一张 这张电路图主要应用工厂照明及检修电源即带漏电保护功能的三相配电线路电路图。

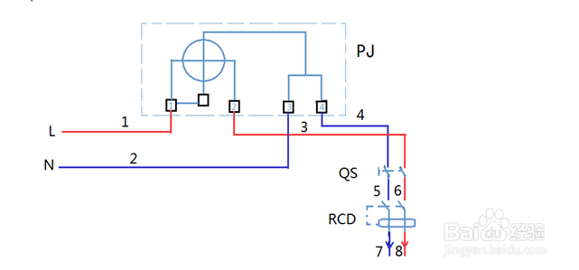
2、第二张 这是家用电表接线原理图即电度表单线配电线路电路图。

3、第三张 这是家用照明线路原理图即日光灯接线电路图,是电工必考电路图。

4、第四张 通过变压器降压的照明线路即安全电压行灯线路电路图。

5、第五张 通过整流将交流电变成直流电的直流照明电路接线图。

6、第六张 我们最常用的照明电路,即双联开关控制的照明线路。

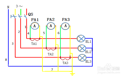
7、第七张 这张主要是带电流互感器Y接的三相电流测量线路电路图。

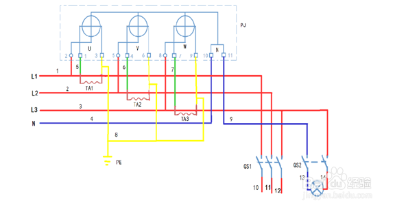
8、第八张 这张是经互感器接电镀表的三相电路接线原理图。

声明:本网站引用、摘录或转载内容仅供网站访问者交流或参考,不代表本站立场,如存在版权或非法内容,请联系站长删除,联系邮箱:site.kefu@qq.com。