指南生活
首页
美食营养
手工爱好
生活家居
返回
指南生活
首页
美食营养
游戏数码
手工爱好
生活家居
健康养生
运动户外
职场理财
情感交际
母婴教育
时尚美容
知识问答
生活知识
生活百科
搜索
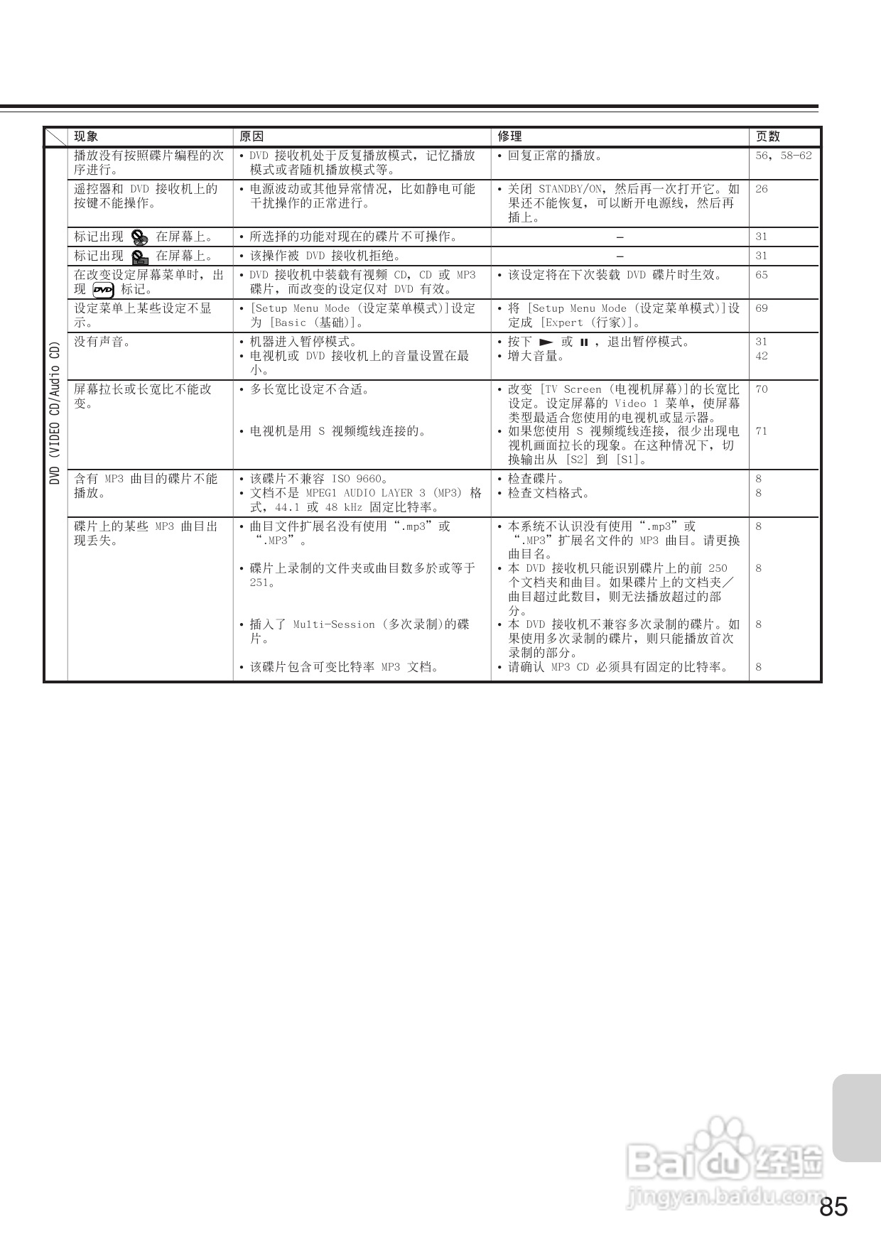
安桥DVD接收机DR-L50型使用说明书:[5]
2026-03-27 16:13:48
(共篇)
上一篇:
声明:
本网站引用、摘录或转载内容仅供网站访问者交流或参考,不代表本站立场,如存在版权或非法内容,请联系站长删除,联系邮箱:site.kefu@qq.com。
相关推荐
关于CAD快速统计面积表格的方法
阅读量:72
CAD如何统计不规则面积?
阅读量:39
CAD打开图纸提示缺少的字体如何解决
阅读量:55
CAD中模型各图层叠加,怎样在模型中将其分开
阅读量:95
cad图块无法分解怎么办?
阅读量:179
猜你喜欢
运动休闲
什么匆匆
喝红糖水有什么好处
玩什么游戏赚钱
干姜的功效与作用
阿奇霉素片的功效与作用
差速器的作用
有什么好听的歌曲
投资什么好
开心果的功效与作用
猜你喜欢
四磨汤口服液的功效与作用
女生读什么职高好
什么叫毒龙
大枣的功效与作用
运动会加油稿100
阿莫西林有什么作用
油松节的功效与作用
台湾什么时候回归中国
黄瓜汁的功效与作用
百香果的功效与作用