指南生活
首页
美食营养
手工爱好
生活家居
返回
指南生活
首页
美食营养
游戏数码
手工爱好
生活家居
健康养生
运动户外
职场理财
情感交际
母婴教育
时尚美容
知识问答
生活知识
生活百科
搜索
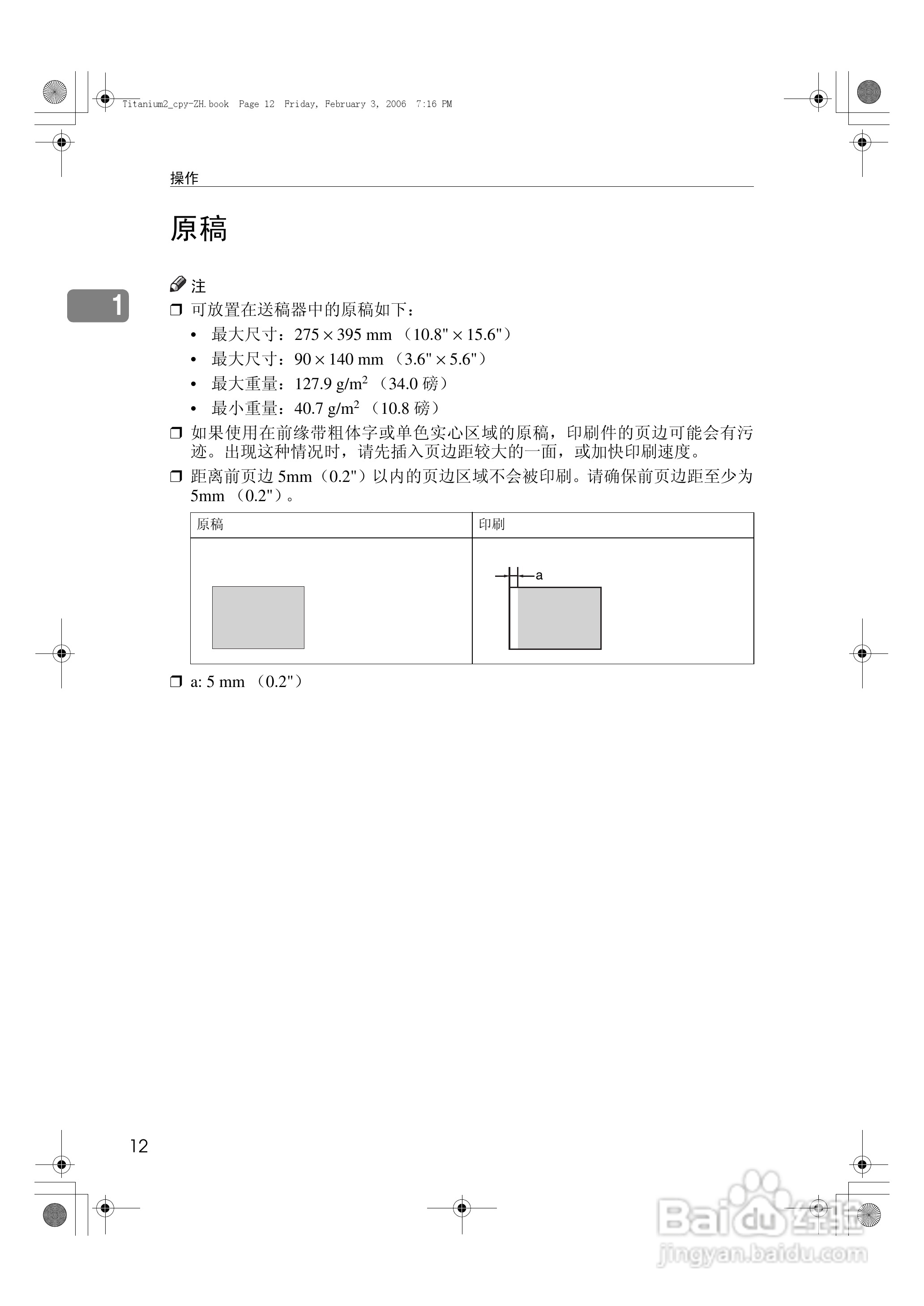
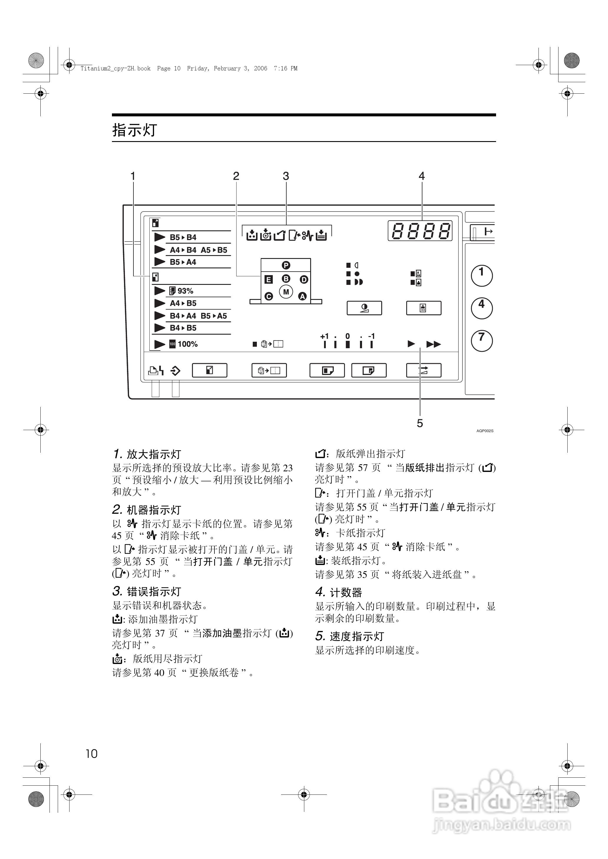
基士得耶CP6201C一体机使用说明书:[2]
2026-03-27 07:02:31
本篇为《基士得耶CP6201C一体机使用说明书》,主要介绍该产品的使用方法以及常见故障解决方案。
(共篇)
上一篇:
|
下一篇:
声明:
本网站引用、摘录或转载内容仅供网站访问者交流或参考,不代表本站立场,如存在版权或非法内容,请联系站长删除,联系邮箱:site.kefu@qq.com。
相关推荐
基士得耶CP6201C一体机使用说明书:[1]
阅读量:139
基士得耶CP6202C一体机使用说明书:[9]
阅读量:81
使用说明书wf2651使用指南
阅读量:147
使用说明书封面怎么做
阅读量:118
基士得耶CP6202C一体机使用说明书:[8]
阅读量:94
猜你喜欢
怎么收藏淘宝店铺
江苏科技大学怎么样
jbl耳机怎么样
浪琴表怎么样
十字绣怎么勾边
马应龙麝香痔疮膏怎么用
伤口化脓怎么办
溜溜球怎么绑
孕妇咳嗽有痰怎么办
煤是怎么形成的
猜你喜欢
广汽传祺怎么样
神舟电脑怎么样
生长纹怎么去除
近光灯和远光灯怎么开
韩语怎么学
闭合性粉刺怎么去除
起亚k3怎么样
ps怎么切图
ugg雪地靴怎么清洗
社会实践经历怎么写