指南生活
首页
美食营养
手工爱好
生活家居
返回
指南生活
首页
美食营养
游戏数码
手工爱好
生活家居
健康养生
运动户外
职场理财
情感交际
母婴教育
时尚美容
知识问答
生活知识
生活百科
搜索
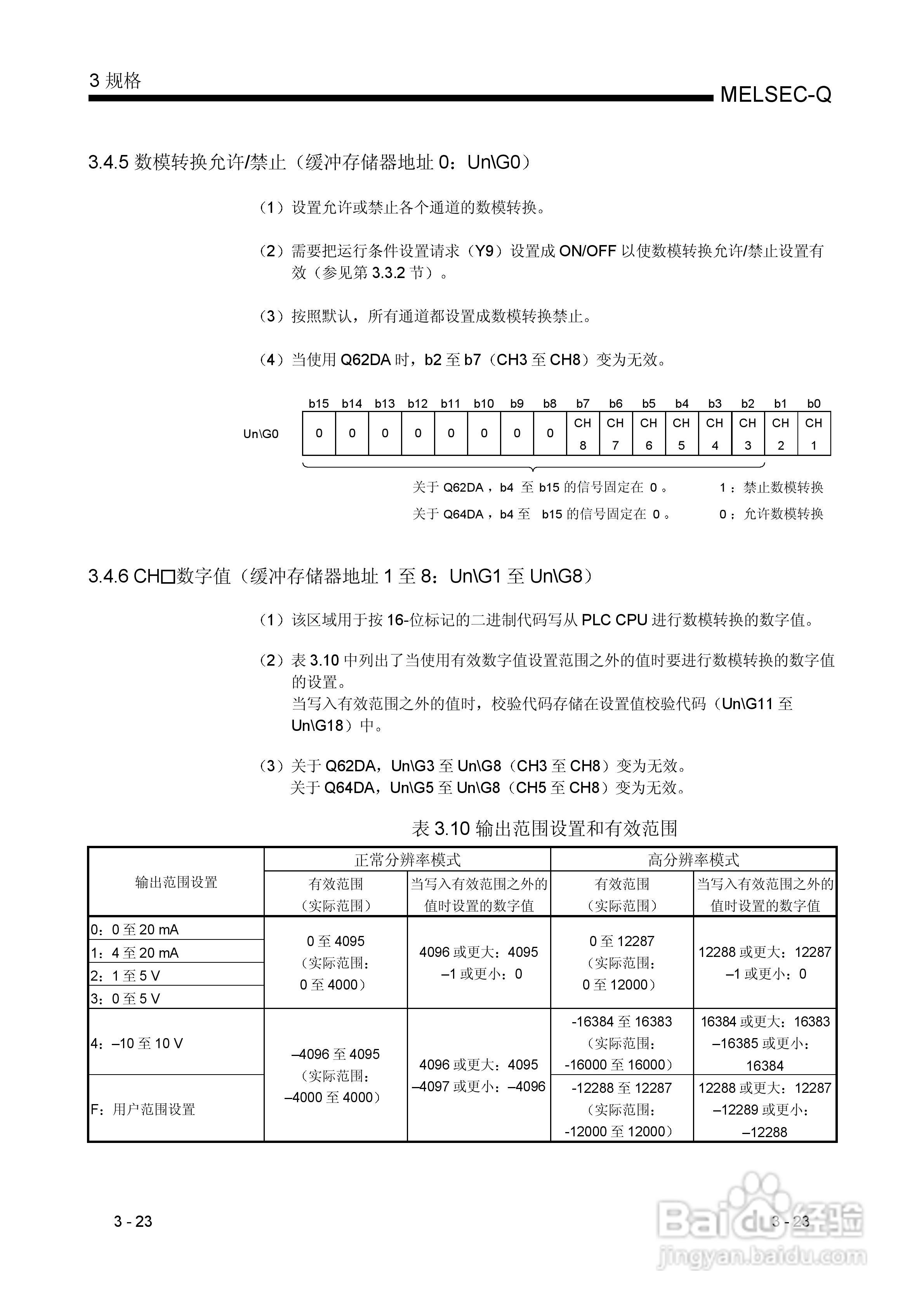
MITSUBISHI Q 系列数模转换模块用户手册:[4]
2026-03-26 22:59:43
本篇为《MITSUBISHI Q 系列数模转换模块用户手册》,主要介绍该产品的使用方法以及常见故障解决方案。
(共篇)
上一篇:
|
下一篇:
声明:
本网站引用、摘录或转载内容仅供网站访问者交流或参考,不代表本站立场,如存在版权或非法内容,请联系站长删除,联系邮箱:site.kefu@qq.com。
相关推荐
MITSUBISHI Q 系列数模转换模块用户手册:[3]
阅读量:48
模块化程序设计方法
阅读量:165
模块异常4怎么解决
阅读量:37
模块语言编程游戏之动画-第4关
阅读量:107
模块的自动生成
阅读量:84
猜你喜欢
知恩图报的意思
什么牌子的学习机好
paste什么意思
鹤立鸡群的意思
株式会社是什么意思
离异是什么意思
储备干部是干什么的
icu是什么意思
sunrise什么意思
wan是什么意思
猜你喜欢
米粉什么牌子好
最初糖果的糖取自什么
素养是什么意思
看破红尘是什么意思
梦见亲人去世是什么意思
梦见青蛙是什么意思
霎时的意思
什么是三本
结息是什么意思
汽车轮胎什么牌子好