指南生活
首页
美食营养
手工爱好
生活家居
返回
指南生活
首页
美食营养
游戏数码
手工爱好
生活家居
健康养生
运动户外
职场理财
情感交际
母婴教育
时尚美容
知识问答
生活知识
生活百科
搜索
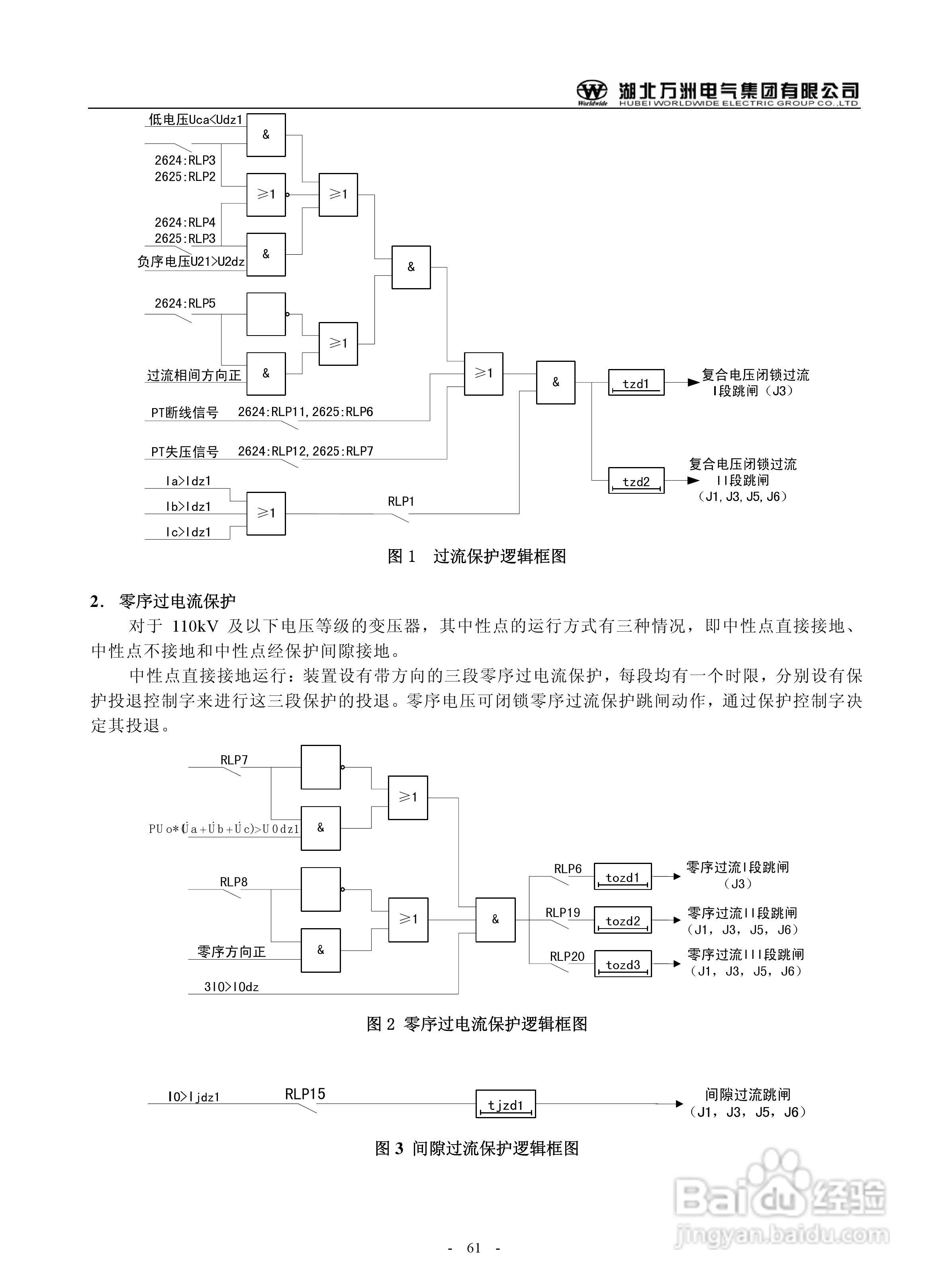
万洲WZB-2671A-5000微机母线绝缘监察装置使用说明书:[7]
2026-05-10 13:44:53
本篇为《万洲WZB-2671A-5000微机母线绝缘监察装置使用说明书》,主要介绍该产品的使用方法以及常见故障解决方案。
(共篇)
上一篇:
|
下一篇:
声明:
本网站引用、摘录或转载内容仅供网站访问者交流或参考,不代表本站立场,如存在版权或非法内容,请联系站长删除,联系邮箱:site.kefu@qq.com。
相关推荐
万洲WZB-2671A-5000微机母线绝缘监察装置使用说明书:[11]
阅读量:76
万洲WZB-2671A-3000微机母线绝缘监察保护装置使用说明:[1]
阅读量:189
万洲WZB-2671A-3000微机母线绝缘监察保护装置使用说明:[3]
阅读量:67
监察机关对下列哪些人员进行监察
阅读量:75
万洲WZB-2671A-3000微机母线绝缘监察保护装置使用说明:[4]
阅读量:30
猜你喜欢
祝福老师的祝福语
困境的意思
诉求是什么意思
v587什么意思
什么叫动车组
婚宴用什么酒
人之初性本善的意思
安哥拉树皮什么意思
丰胸精油什么牌子好
聪慧的意思
猜你喜欢
软件开发都学什么
奥汀的祝福
幸灾乐祸什么意思
现在去三亚穿什么衣服
母亲节祝福妈妈的话语
回赠是什么意思
毕业礼物送什么给女生
断袖是什么意思
办理房贷需要什么资料
竹枝词的意思