D08-2F\D08-3F\D08-4F型流量显示仪使用手册

2026-04-22 13:34:34

D08-2F\D08-3F\D08-4F型流量显示仪使用手册

D08-2F\D08-3F\D08-4F型流量显示仪使用手册

D08-2F\D08-3F\D08-4F型流量显示仪使用手册

D08-2F\D08-3F\D08-4F型流量显示仪使用手册

D08-2F\D08-3F\D08-4F型流量显示仪使用手册

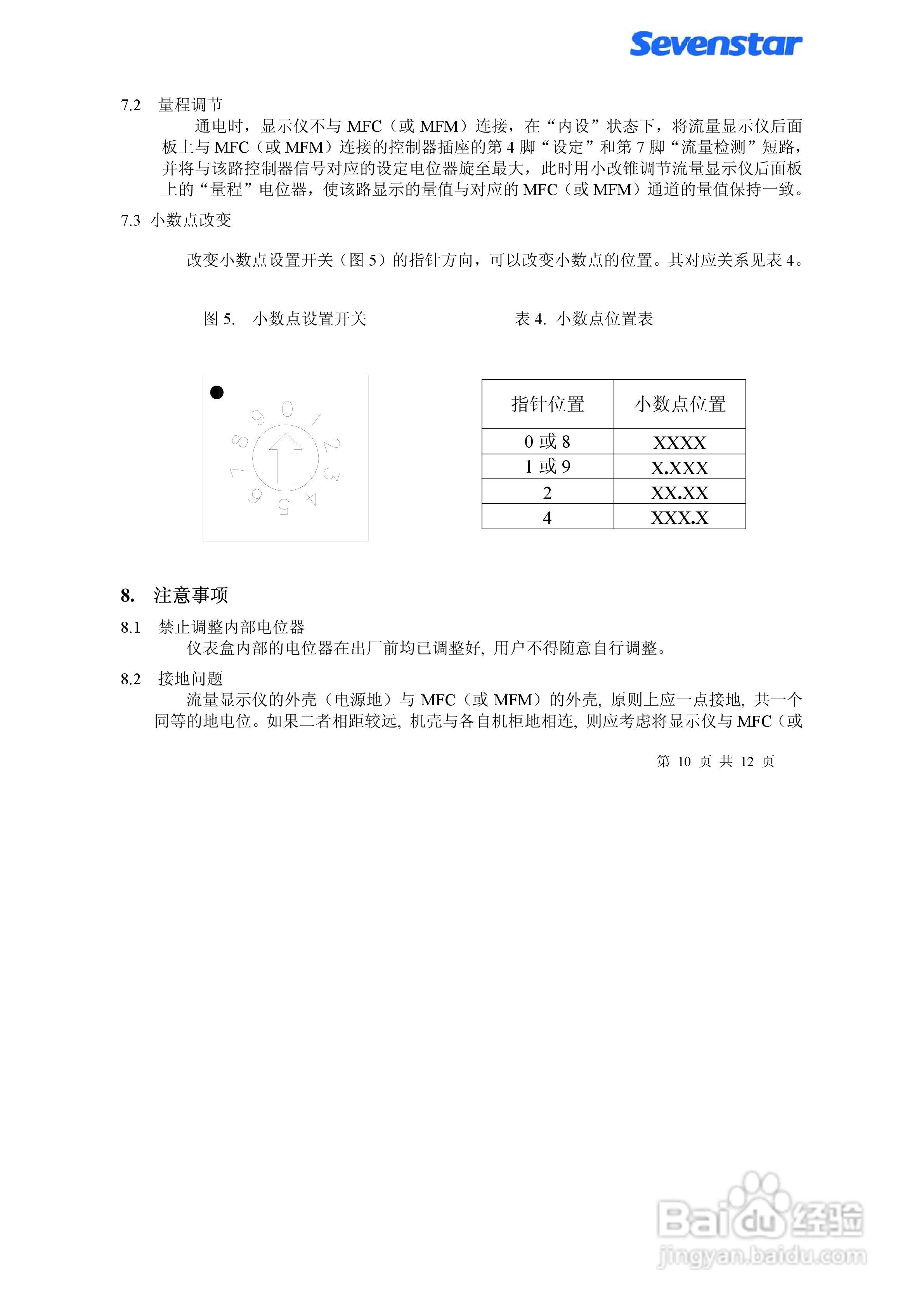
D08-2F\D08-3F\D08-4F型流量显示仪使用手册

D08-2F\D08-3F\D08-4F型流量显示仪使用手册

D08-2F\D08-3F\D08-4F型流量显示仪使用手册

D08-2F\D08-3F\D08-4F型流量显示仪使用手册

D08-2F\D08-3F\D08-4F型流量显示仪使用手册

D08-2F\D08-3F\D08-4F型流量显示仪使用手册

D08-2F\D08-3F\D08-4F型流量显示仪使用手册

D08-2F\D08-3F\D08-4F型流量显示仪使用手册

D08-2F\D08-3F\D08-4F型流量显示仪使用手册

D08-2F\D08-3F\D08-4F型流量显示仪使用手册

声明:本网站引用、摘录或转载内容仅供网站访问者交流或参考,不代表本站立场,如存在版权或非法内容,请联系站长删除,联系邮箱:site.kefu@qq.com。
猜你喜欢