指南生活
首页
美食营养
手工爱好
生活家居
返回
指南生活
首页
美食营养
游戏数码
手工爱好
生活家居
健康养生
运动户外
职场理财
情感交际
母婴教育
时尚美容
知识问答
生活知识
生活百科
搜索
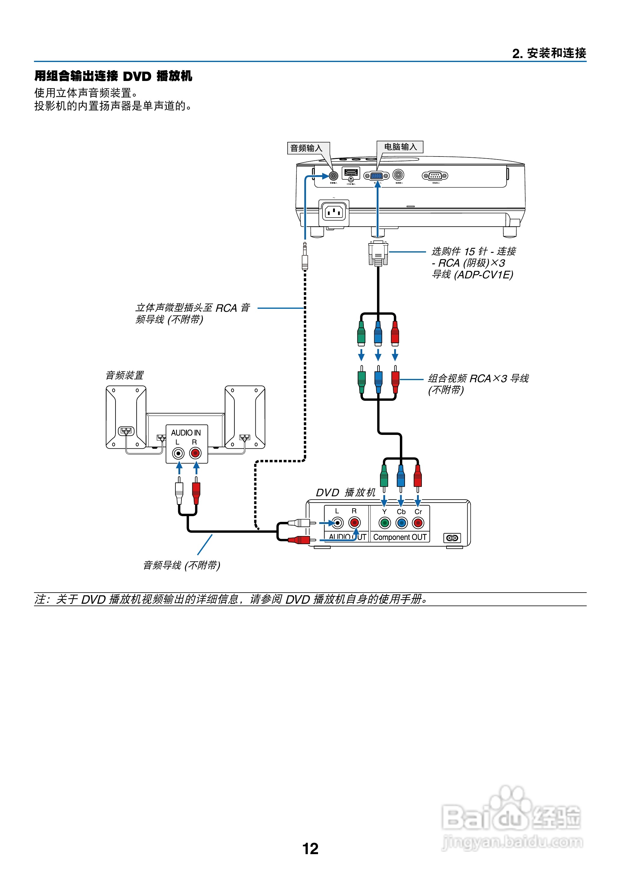
日电NP-V280+投影机说明书:[3]
2026-04-18 04:30:12
本篇为《日电NP-V280+投影机说明书》,主要介绍该产品的使用方法以及常见故障解决方案。
(共篇)
上一篇:
|
下一篇:
声明:
本网站引用、摘录或转载内容仅供网站访问者交流或参考,不代表本站立场,如存在版权或非法内容,请联系站长删除,联系邮箱:site.kefu@qq.com。
相关推荐
日电NP-V280+投影机说明书:[9]
阅读量:116
投影机怎样连接使用
阅读量:169
日电NP-V280+投影机说明书:[7]
阅读量:25
日电NP-V280+投影机说明书:[6]
阅读量:160
NEC NP-V260+投影机使用说明书:[9]
阅读量:195
猜你喜欢
西湖一日游攻略
短外套搭配
服装搭配图
法国旅游攻略
开封美食攻略
经典轩逸怎么样
最快的减肥方法
起亚狮跑怎么样
植物大战僵尸修改器怎么用
黑咖啡减肥法
猜你喜欢
无锡职业技术学院怎么样
唐三彩简介
胡杏儿减肥
红烧鸡肉
猫减肥
崔颢简介
第二学位怎么考
永久山地车怎么样
中国劳动关系学院怎么样
红烧鲫鱼