指南生活
首页
美食营养
手工爱好
生活家居
返回
指南生活
首页
美食营养
游戏数码
手工爱好
生活家居
健康养生
运动户外
职场理财
情感交际
母婴教育
时尚美容
知识问答
生活知识
搜索
富士PXH电动阀控制型数字显示式调节器操作手册:[10]
2026-01-11 20:28:41
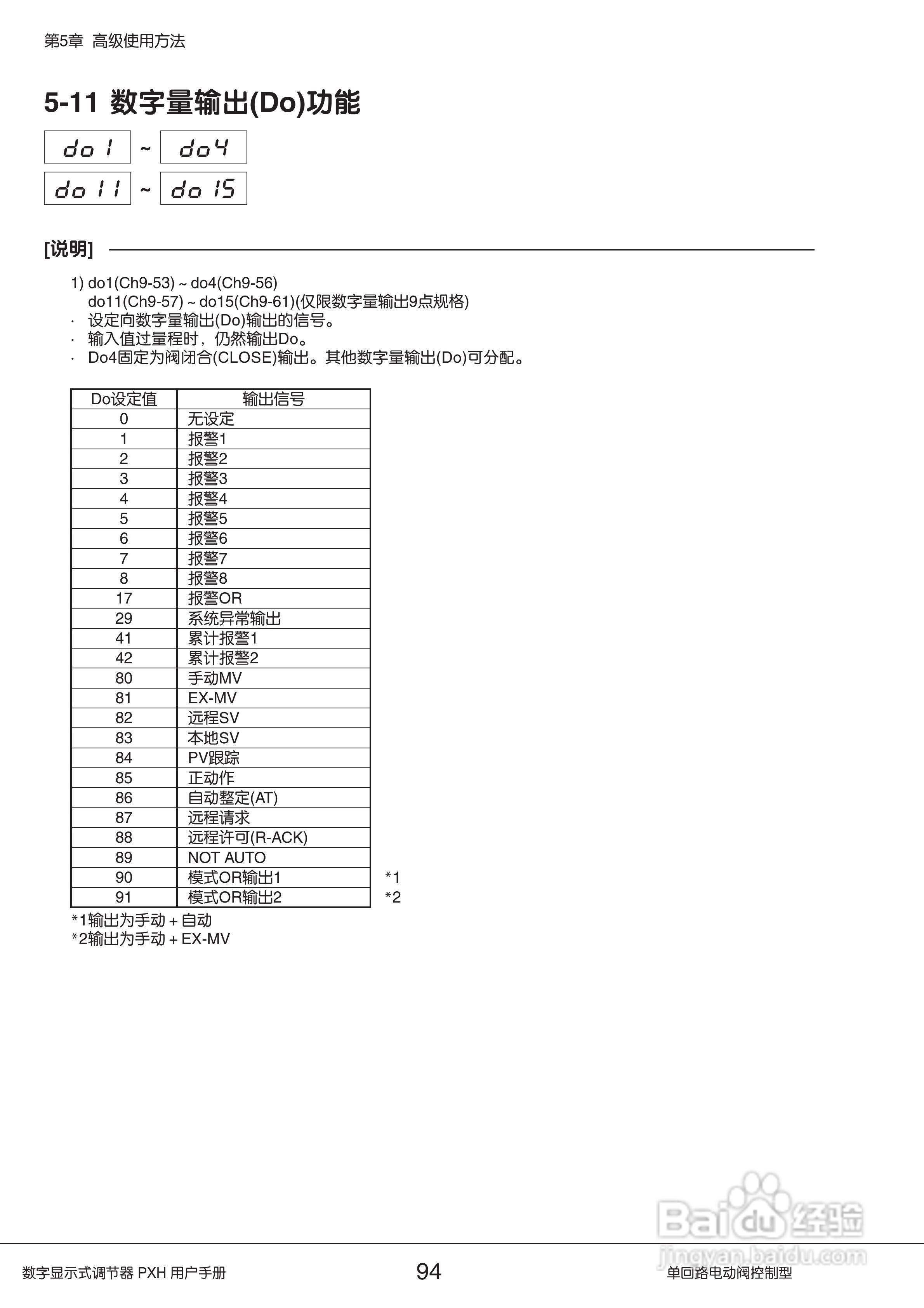
本篇为《富士PXH电动阀控制型数字显示式调节器操作手册》,主要介绍该产品的使用方法以及常见故障解决方案。
(共篇)
上一篇:
|
下一篇:
声明:
本网站引用、摘录或转载内容仅供网站访问者交流或参考,不代表本站立场,如存在版权或非法内容,请联系站长删除,联系邮箱:site.kefu@qq.com。
相关推荐
富士PXH电动阀控制型数字显示式调节器操作手册:[15]
阅读量:191
富士施乐s2110扫描设置
阅读量:49
富士施乐s2520扫描设置教程
阅读量:43
富士施乐硒鼓清零方法
阅读量:92
富士施乐打印机驱动软件安装教程
阅读量:113
猜你喜欢
的反义词是什么
累得什么填词语
鱼豆腐是什么做的
毕加索全名是什么
同质化是什么意思
10月份是什么星座
高开低走是什么意思
北鼻是什么意思
铁憨憨是什么意思
85年属什么的生肖
猜你喜欢
讳疾忌医什么意思
壁垒是什么意思
核销是什么意思
放水是什么意思
滚犊子是什么意思
到底的近义词是什么
毕加索是什么画派
什么目寸光
1986年属什么生肖
梗概的意思是什么