指南生活
首页
美食营养
手工爱好
生活家居
返回
指南生活
首页
美食营养
游戏数码
手工爱好
生活家居
健康养生
运动户外
职场理财
情感交际
母婴教育
时尚美容
知识问答
生活知识
生活百科
搜索
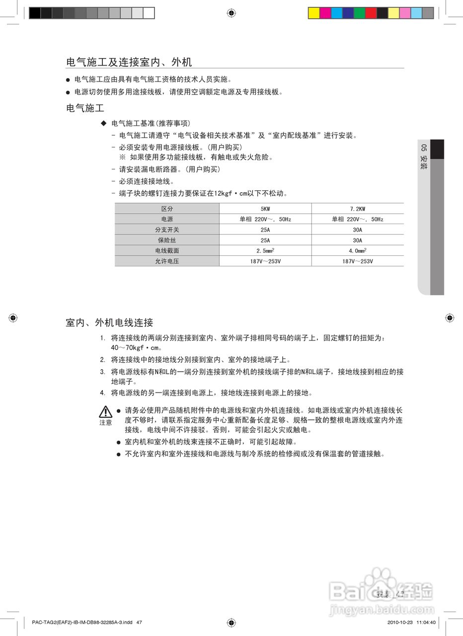
三星KFRD-72LW/WSU空调使用说明书:[5]
2026-03-29 15:42:56
(共篇)
上一篇:
|
下一篇:
声明:
本网站引用、摘录或转载内容仅供网站访问者交流或参考,不代表本站立场,如存在版权或非法内容,请联系站长删除,联系邮箱:site.kefu@qq.com。
相关推荐
三星KFRD-72LW/ASE空调使用说明书:[3]
阅读量:170
三星KFRD-72LW/TGA空调使用说明书:[2]
阅读量:170
三星KFRD-72LW/ASF空调使用说明书:[3]
阅读量:110
三星KFRD-72LW/TGA空调使用说明书:[4]
阅读量:80
三星KFRD-72LW/ASF空调使用说明书:[4]
阅读量:33
猜你喜欢
ez怎么玩
名爵汽车怎么样
凹凸五笔怎么打
皮肤瘙痒的治疗方法
纽贝滋奶粉怎么样
昆明旅游攻略景点大全
好吃的水果
耕升显卡怎么样
螃蟹怎么做好吃
绕口令大全爆笑
猜你喜欢
diy手工制作大全
马自达5怎么样
世界上最好吃的零食
怎么转让qq群主
破解版游戏大全无限钻石金币
波尔多液的配制方法
怎么拉韧带
辐射4代码大全
被烫伤起水泡怎么办
冻豆腐怎么做好吃