指南生活
首页
美食营养
手工爱好
生活家居
返回
指南生活
首页
美食营养
游戏数码
手工爱好
生活家居
健康养生
运动户外
职场理财
情感交际
母婴教育
时尚美容
知识问答
生活知识
搜索
映泰PT88P-A7型主板说明书:[1]
2026-01-02 17:45:23
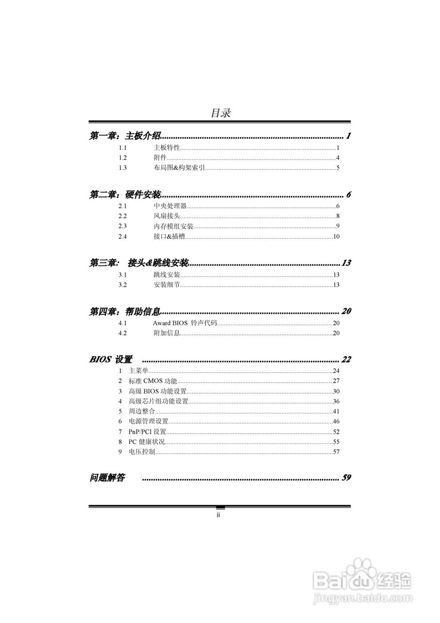
本篇为《映泰PT88P-A7型主板说明书》,主要介绍该产品的使用方法以及常见故障解决方案。
(共篇)
下一篇:
声明:
本网站引用、摘录或转载内容仅供网站访问者交流或参考,不代表本站立场,如存在版权或非法内容,请联系站长删除,联系邮箱:site.kefu@qq.com。
相关推荐
映泰I945P-A7型主板说明书:[1]
阅读量:71
映泰I945P-A7型主板说明书:[7]
阅读量:173
映泰N4SIE-A7型主板说明书:[4]
阅读量:153
映泰N4SIE-A7型主板说明书:[5]
阅读量:68
映泰I945P-A7型主板说明书:[5]
阅读量:50
猜你喜欢
怎么辨别蜂蜜的真假
手绘板怎么用
宝宝抵抗力差怎么办
怎么做饼
大写金额怎么写
怎么卸载ie
日语单词怎么背
怎么建网站
孕期感冒怎么办
胃息肉怎么治疗
猜你喜欢
末影龙怎么打
打印机墨盒怎么装
白菜怎么炒好吃
三国志10怎么娶貂蝉
网页打不开怎么办
北汽威旺m20怎么样
怎么查车牌号的车主
西南石油大学怎么样
根号3怎么打
鱼刺卡在喉咙里怎么办