指南生活
首页
美食营养
手工爱好
生活家居
返回
指南生活
首页
美食营养
游戏数码
手工爱好
生活家居
健康养生
运动户外
职场理财
情感交际
母婴教育
时尚美容
知识问答
搜索
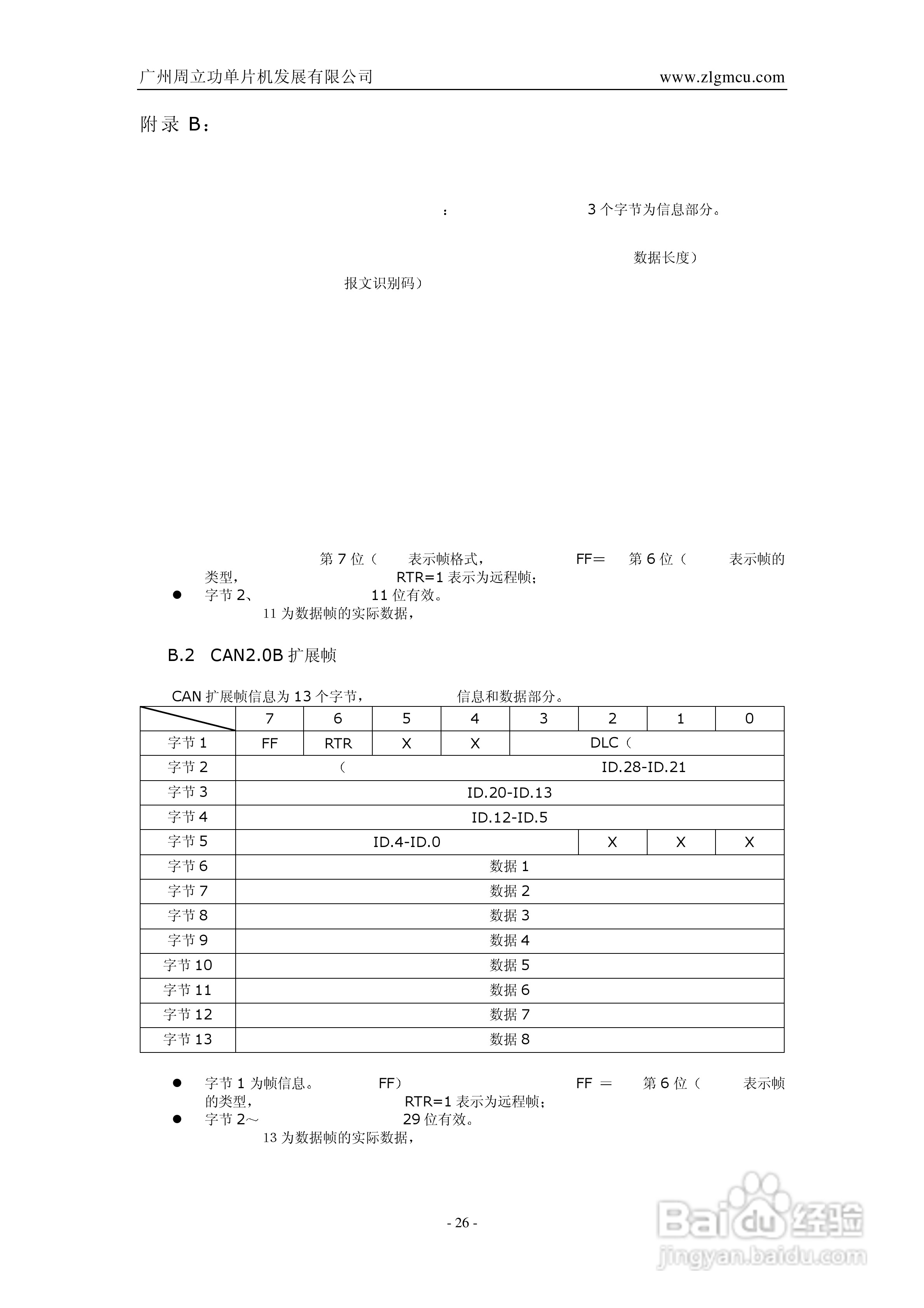
ISA-5420智能CAN接口卡用户手册V1.0:[3]
2025-11-23 07:34:41
本篇为《ISA-5420智能CAN接口卡用户手册V1.0》,主要介绍该产品的使用方法以及常见故障解决方案。
(共篇)
上一篇:
声明:
本网站引用、摘录或转载内容仅供网站访问者交流或参考,不代表本站立场,如存在版权或非法内容,请联系站长删除,联系邮箱:site.kefu@qq.com。
相关推荐
ISA-5420智能CAN接口卡用户手册V1.0:[1]
阅读量:73
ISA创建正向缓存的教程
阅读量:61
教大家ISA防火墙可以设置阻止某些文件
阅读量:71
ISA防火墙可以设置阻止某些文件
阅读量:72
教你ISA禁止反向缓存的操作方法
阅读量:137
猜你喜欢
萝卜丁口红什么牌子
梦见打仗是什么意思
绿茶女什么意思啊
喝枸杞水有什么好处
y3是什么牌子
menu是什么意思
固态硬盘是什么意思
前置胎盘是什么意思
怀孕了有什么征兆和反应
2019年是什么年
猜你喜欢
市净率是什么意思
k金是什么金
修罗是什么意思
大单托盘是什么意思
farmer是什么意思
什么的变化
冠名是什么意思
也字少一竖念什么
ptsd是什么意思
you是什么意思