指南生活
首页
美食营养
手工爱好
生活家居
返回
指南生活
首页
美食营养
游戏数码
手工爱好
生活家居
健康养生
运动户外
职场理财
情感交际
母婴教育
时尚美容
知识问答
生活知识
生活百科
搜索
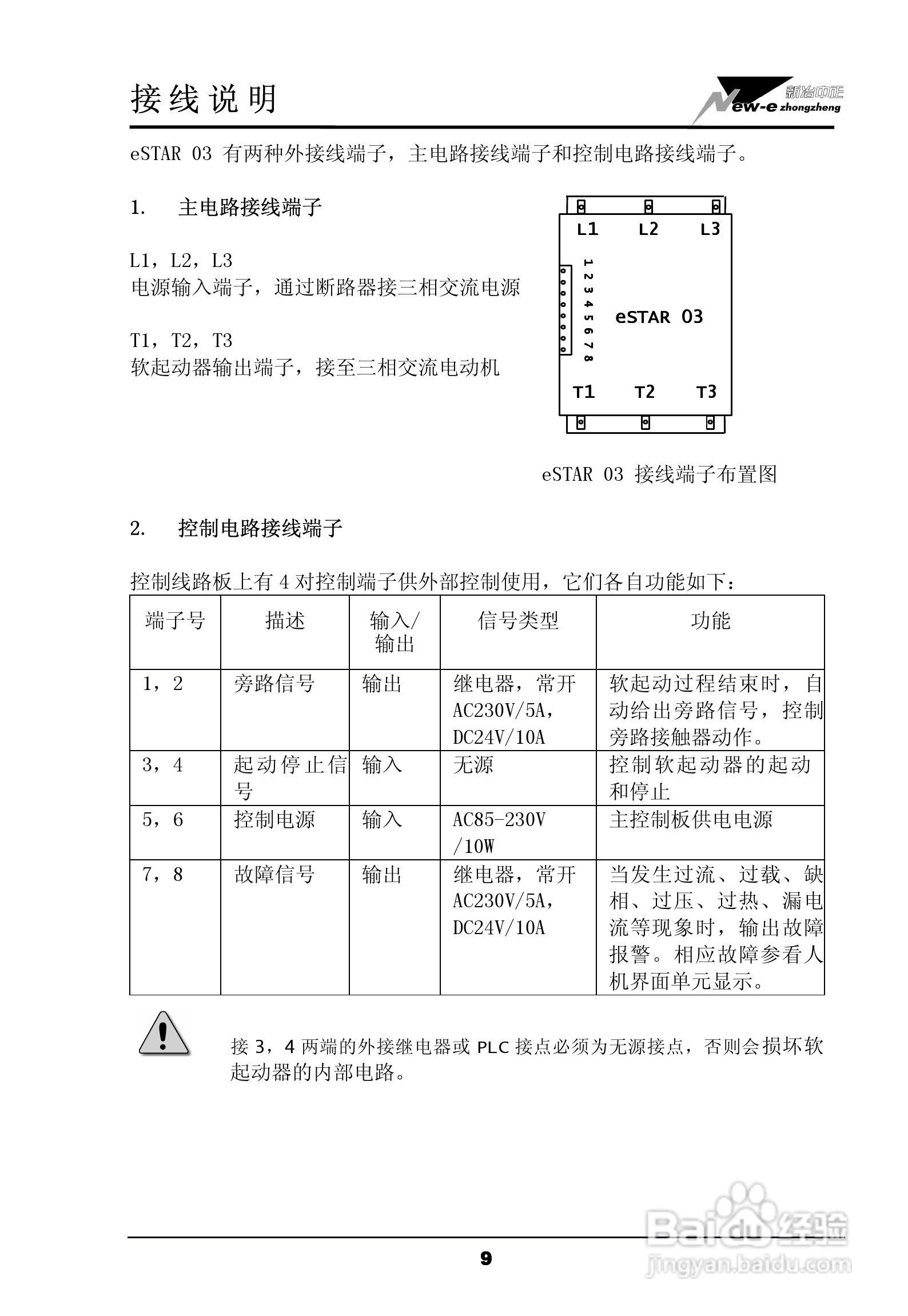
eSTAR 03-400软起动器用户手册:[1]
2026-04-24 03:00:16
本篇为《eSTAR 03-400软起动器用户手册》,主要介绍该产品的使用方法以及常见故障解决方案。
(共篇)
下一篇:
声明:
本网站引用、摘录或转载内容仅供网站访问者交流或参考,不代表本站立场,如存在版权或非法内容,请联系站长删除,联系邮箱:site.kefu@qq.com。
相关推荐
eSTAR 03-400软起动器用户手册:[3]
阅读量:172
SFR03系列软起动器使用手册:[1]
阅读量:163
斯达森SEC18C990软起动器用户手册:[1]
阅读量:170
西门子 3RW34 电子式软起动器用户手册:[2]
阅读量:114
AOR3000中文智能软起动器用户手册:[1]
阅读量:186
猜你喜欢
暮江吟古诗的意思
痔疮应该注意什么
什么是双轨制
和谐的意思
什么能去痘印
树有什么作用
abo是什么意思
pk是什么意思
那天我与什么相遇作文
自告奋勇的意思
猜你喜欢
增值税是什么意思
什么狗最听话
data是什么意思
孕妇多吃什么好
历历在目的意思
大庭广众的意思
不可名状的意思
paradise什么意思
什么是平开窗
ky是什么意思