霍尔3144接线图
接线图如下

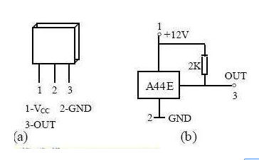
霍尔面向自己(印章面),管脚向下,从左到右分别为:1脚:正极(开关霍尔4.5V到24V)、2脚:负极、3脚:输岀(信号)。
扩展资料:
霍尔传感器注意事项
(1)电流传感器必须根据被测电流的额定有效值适当选用不同的规格的产品。被测电流长时间超额,会损坏末极功放管(指磁补偿式),一般情况下,2倍的过载电流持续时间不得超过1分钟。
(2)电压传感器必须按产品说明在原边串入一个限流电阻R1,以使原边得到额定电流,在一般情况下,2倍的过压持续时间不得超过1分钟。
(3)电流电压传感器的最佳精度是在原边额定值条件下得到的,所以当被测电流高于电流传感器的额定值时,应选用相应大的传感器;当被测电压高于电压传感器的额定值时,应重新调整限流电阻。当被测电流低于额定值1/2以下时,为了得到最佳精度,可以使用多绕圈数的办法。
参考资料:百度百科-霍尔传感器
声明:本网站引用、摘录或转载内容仅供网站访问者交流或参考,不代表本站立场,如存在版权或非法内容,请联系站长删除,联系邮箱:site.kefu@qq.com。
阅读量:26
阅读量:127
阅读量:105
阅读量:162
阅读量:160