指南生活
首页
美食营养
手工爱好
生活家居
返回
指南生活
首页
美食营养
游戏数码
手工爱好
生活家居
健康养生
运动户外
职场理财
情感交际
母婴教育
时尚美容
知识问答
生活知识
生活百科
搜索
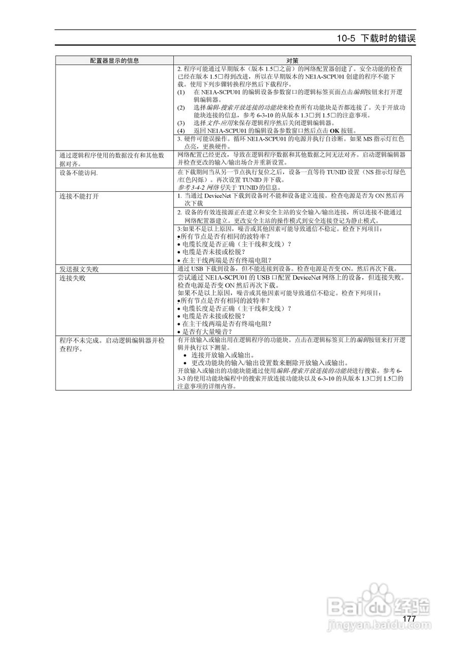
DeviceNet Z906安全网络控制器操作手册(中文):[18]
2026-04-22 13:20:07
本篇为《DeviceNet Z906安全网络控制器操作手册(中文)》,主要介绍该产品的使用方法以及常见故障解决方案。
(共篇)
上一篇:
|
下一篇:
声明:
本网站引用、摘录或转载内容仅供网站访问者交流或参考,不代表本站立场,如存在版权或非法内容,请联系站长删除,联系邮箱:site.kefu@qq.com。
相关推荐
DeviceNet Z906安全网络控制器操作手册(中文):[20]
阅读量:164
DeviceNet Z906安全网络控制器操作手册(中文):[12]
阅读量:184
网络控制器更新驱动程序
阅读量:154
实现PROFIENT 与DeviceNet 网关配置步骤
阅读量:49
DeviceNet Z906安全网络控制器操作手册(中文):[13]
阅读量:180
猜你喜欢
celebrate怎么读
大脚骨怎么办
怎么设置虚拟内存
个人档案丢失怎么办
iphone怎么连接电脑
王者荣耀健康游戏系统怎么解除
缺铁性贫血怎么治疗
奇瑞汽车怎么样
新手怎么买基金
肇事逃逸怎么处理
猜你喜欢
长款毛衣怎么搭配
怎么扩大c盘空间
怎么锻炼腰部力量
坡比怎么算
怎么备份
大便黑色是怎么回事
西门子洗衣机怎么样
火麻仁怎么吃
必利劲怎么样
梦天木门怎么样