指南生活
首页
美食营养
手工爱好
生活家居
返回
指南生活
首页
美食营养
游戏数码
手工爱好
生活家居
健康养生
运动户外
职场理财
情感交际
母婴教育
时尚美容
知识问答
生活知识
搜索
AODFQA5000智能后备操作器使用手册:[2]
2025-12-18 09:58:20
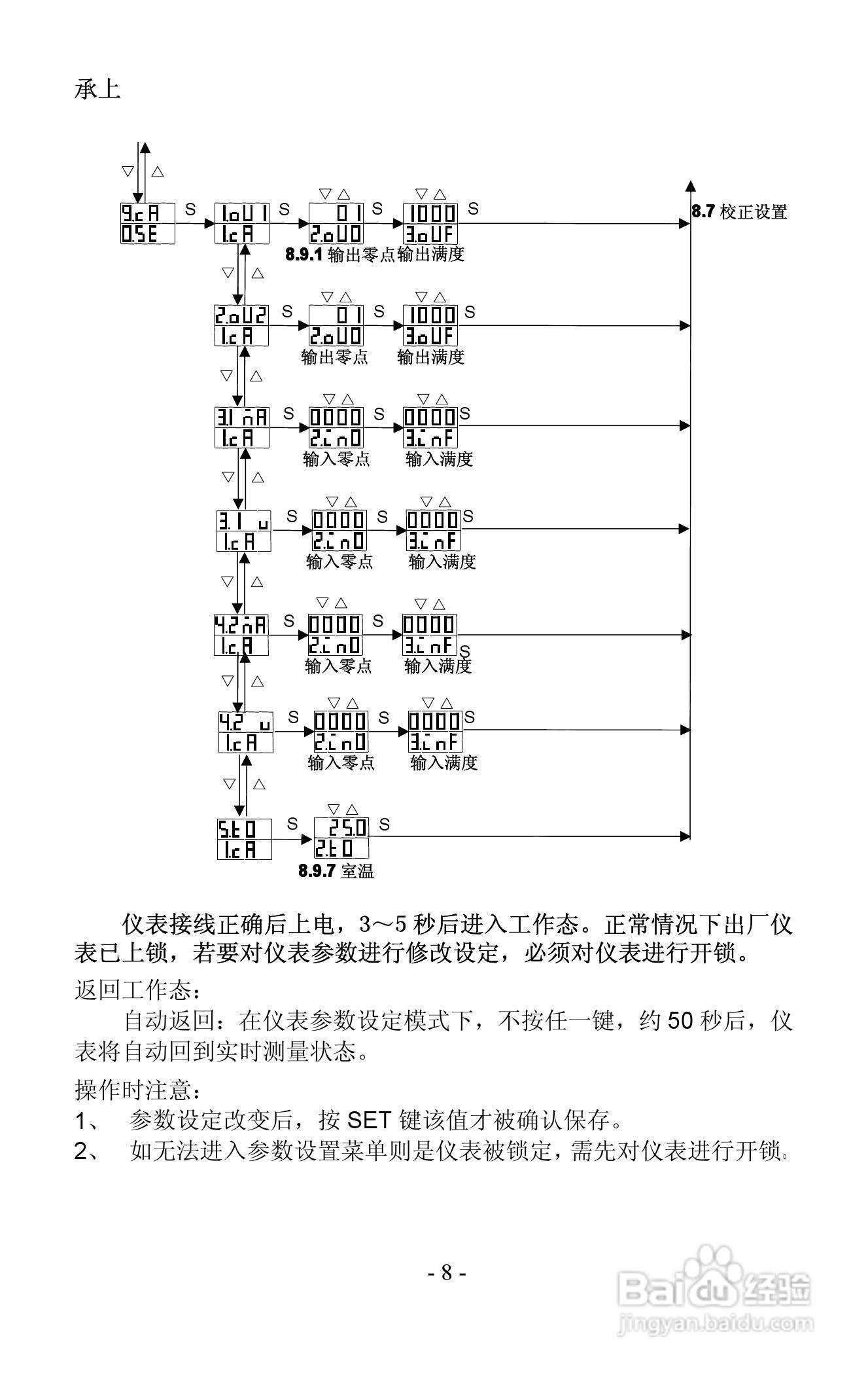
本篇为《AODFQA5000智能后备操作器使用手册》,主要介绍该产品的使用方法以及常见故障解决方案。
(共篇)
上一篇:
|
下一篇:
声明:
本网站引用、摘录或转载内容仅供网站访问者交流或参考,不代表本站立场,如存在版权或非法内容,请联系站长删除,联系邮箱:site.kefu@qq.com。
相关推荐
AODFQA5000智能后备操作器使用手册:[1]
阅读量:58
手操器,后备操作器
阅读量:87
SWP-ND系列手动操作器使用手册:[1]
阅读量:40
你知道电动门操作器是怎么操作的吗?
阅读量:108
RY300系列变频器远程操作器说明书:[2]
阅读量:146
猜你喜欢
unusual是什么意思
绿卡是什么意思
fold是什么意思
运动会作文600
盐水泡脚有什么好处
爱你我已不是幼稚的少年是什么歌
sofa是什么意思
蔷薇花的养殖方法
不一而足是什么意思
广点通是什么
猜你喜欢
天时地利人和是什么意思
杜鹃花的养殖方法和注意事项
什么是假释
李连杰得了什么病
product是什么意思
国家一级运动员
cherry什么意思
蝎子养殖
许多的反义词是什么
treatment是什么意思