指南生活
首页
美食营养
手工爱好
生活家居
返回
指南生活
首页
美食营养
游戏数码
手工爱好
生活家居
健康养生
运动户外
职场理财
情感交际
母婴教育
时尚美容
知识问答
生活知识
生活百科
搜索
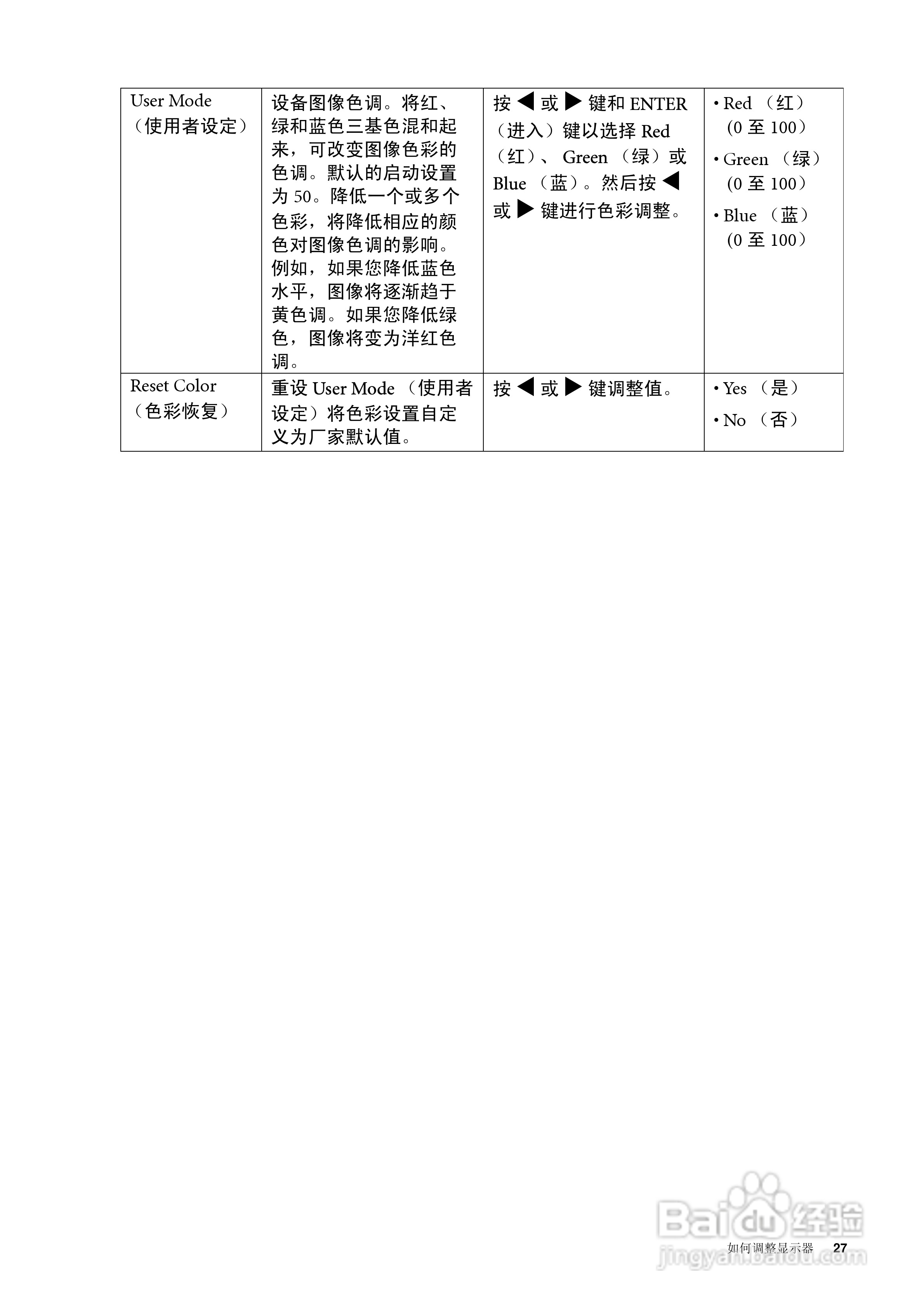
明基FP73GS彩显使用说明书:[3]
2026-03-29 23:50:26
(共篇)
上一篇:
|
下一篇:
声明:
本网站引用、摘录或转载内容仅供网站访问者交流或参考,不代表本站立场,如存在版权或非法内容,请联系站长删除,联系邮箱:site.kefu@qq.com。
相关推荐
明基FP73GS彩显使用说明书:[2]
阅读量:187
明基FP73GS彩显使用说明书:[4]
阅读量:134
使用说明书封面怎么做
阅读量:167
明基FP73GS彩显使用说明书:[1]
阅读量:133
明基FP991彩显使用说明书:[3]
阅读量:99
猜你喜欢
河北邢台旅游景点
南山牧场旅游攻略
苏泊尔电磁炉怎么样
旅游管理专业描述
如何取消隐藏
哪里买机票最便宜
向往的生活第四季在哪里拍的
山东青岛旅游
qq会员怎么升级
东欧旅游
猜你喜欢
微商加人怎么打招呼
如何申请
秦皇岛旅游景点大全
360极速浏览器怎么样
怎么加密电脑文件夹
旅游点评
192.168.1.1 路由器设置修改密码
苹果手机丢了怎么锁机
化石怎么形成的
如何坚定理想信念