指南生活
首页
美食营养
手工爱好
生活家居
返回
指南生活
首页
美食营养
游戏数码
手工爱好
生活家居
健康养生
运动户外
职场理财
情感交际
母婴教育
时尚美容
知识问答
生活知识
生活百科
搜索
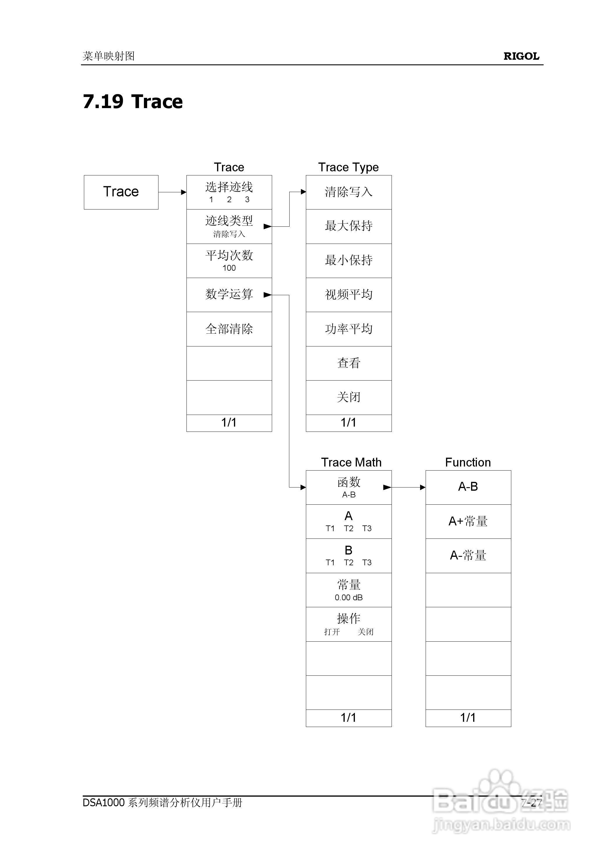
普源DSA1000系列频谱分析仪说明书:[26]
2026-04-24 17:29:50
本篇为《普源DSA1000系列频谱分析仪说明书》,主要介绍该产品的使用方法以及常见故障解决方案。
(共篇)
上一篇:
|
下一篇:
声明:
本网站引用、摘录或转载内容仅供网站访问者交流或参考,不代表本站立场,如存在版权或非法内容,请联系站长删除,联系邮箱:site.kefu@qq.com。
相关推荐
普源DSA1000系列频谱分析仪说明书:[27]
阅读量:101
普源DSA1000系列频谱分析仪说明书:[24]
阅读量:175
普源DSA1000系列频谱分析仪说明书:[14]
阅读量:36
频谱分析仪维修维护保养的基本方法
阅读量:164
普源DSA1000系列频谱分析仪说明书:[13]
阅读量:93
猜你喜欢
樟脑的作用
秋天有什么花开
蛋白质粉的功效与作用
氯化钠注液有什么作用
空调除湿和制冷有什么区别
什么样的钉子最可怕
记一次运动会
什么英文字母最多人喜欢听
23333什么意思
龙井茶的功效与作用
猜你喜欢
支付分有什么用
运动会200米加油稿
做包子用什么面粉好
什么叫企业文化
开心果的功效与作用
运动会工作总结
运动会班级入场词
破伤风针什么时候打
运动会入场词50字
蛋白粉的功效与作用