指南生活
首页
美食营养
手工爱好
生活家居
返回
指南生活
首页
美食营养
游戏数码
手工爱好
生活家居
健康养生
运动户外
职场理财
情感交际
母婴教育
时尚美容
知识问答
生活知识
搜索
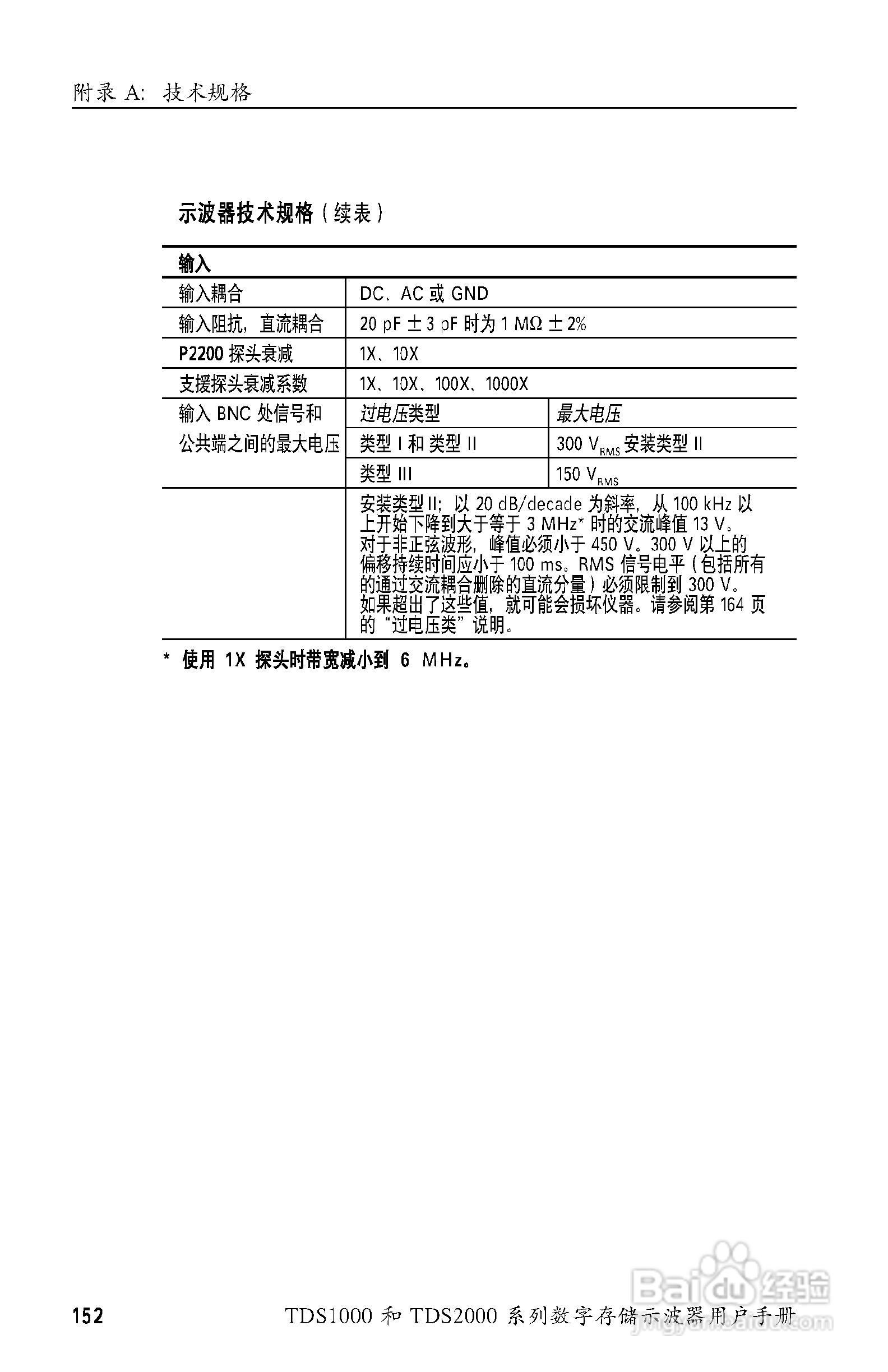
泰克TDS2024数字存储示波器用户手册:[17]
2026-01-05 01:41:22
本篇为《泰克TDS2024数字存储示波器用户手册》,主要介绍该产品的使用方法以及常见故障解决方案。
(共篇)
上一篇:
|
下一篇:
声明:
本网站引用、摘录或转载内容仅供网站访问者交流或参考,不代表本站立场,如存在版权或非法内容,请联系站长删除,联系邮箱:site.kefu@qq.com。
相关推荐
泰克TDS2024数字存储示波器用户手册:[21]
阅读量:87
如何新建一个C文件
阅读量:82
如何在Multisim中用两片74LS160组成十六进制?
阅读量:153
如何用译码器74LS138芯片设计一个一位全加器
阅读量:175
emu8086安装教程
阅读量:183
猜你喜欢
亚麻油的功效与作用
运动会工作总结
一什么青烟
蛋白质粉的功效与作用
运动海报
泡腾片的作用与功效
哥伦比亚户外运动鞋
科学小知识大全
开宠物店需要什么条件
虚与委蛇什么意思
猜你喜欢
大青叶的功效与作用
运动会铅球加油稿
猫须草的功效与作用
育儿知识
安全知识问答
什么是代理商
平坟运动
葡萄的作用
biu什么意思
冬虫夏草有何作用