指南生活
首页
美食营养
手工爱好
生活家居
返回
指南生活
首页
美食营养
游戏数码
手工爱好
生活家居
健康养生
运动户外
职场理财
情感交际
母婴教育
时尚美容
知识问答
生活知识
生活百科
搜索
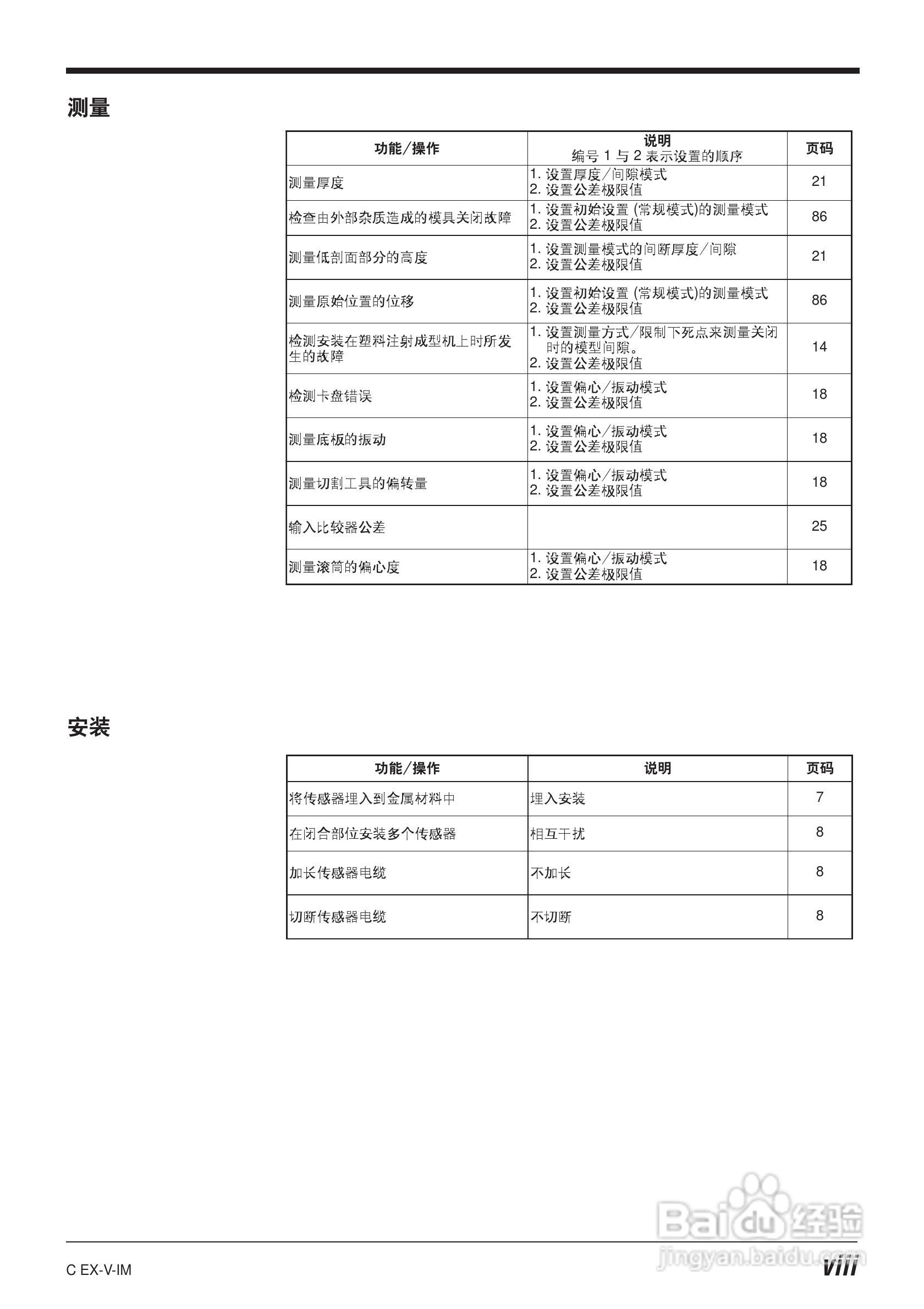
EX-V64型数字位移感应传感器说明书:[1]
2026-04-27 02:37:02
本篇为《EX-V64型数字位移感应传感器说明书》,主要介绍该产品的使用方法以及常见故障解决方案。
(共篇)
下一篇:
声明:
本网站引用、摘录或转载内容仅供网站访问者交流或参考,不代表本站立场,如存在版权或非法内容,请联系站长删除,联系邮箱:site.kefu@qq.com。
相关推荐
框架式双电源控制器液晶显示BQ5A
阅读量:168
所谓前端--js基础-js的运行机制--xdl(5)
阅读量:60
自动转换开关控制器液晶显示BQ5A
阅读量:159
VX-7R FM收发机操作手册:[1]
阅读量:95
VERTU Constellation F Design RM-389V手机说明书:[1]
阅读量:83
猜你喜欢
dnf怎么镶嵌徽章
洗脸刷怎么用
优盟油烟机怎么样
儿童尿频是怎么回事
勇敢的心世界大战攻略
小狗呕吐是怎么回事
南京工业大学怎么样
旅行青蛙攻略
孔子的简介
网银怎么转账
猜你喜欢
鲅鱼圈旅游攻略
佳能750d怎么样
爱的教育简介
韶关丹霞山旅游攻略
约会攻略
土豆减肥法
苏州旅游攻略二日游
阴阳师攻略
佳茵效果怎么样
脸上汗毛多怎么去除