指南生活
首页
美食营养
手工爱好
生活家居
返回
指南生活
首页
美食营养
游戏数码
手工爱好
生活家居
健康养生
运动户外
职场理财
情感交际
母婴教育
时尚美容
知识问答
生活知识
生活百科
搜索
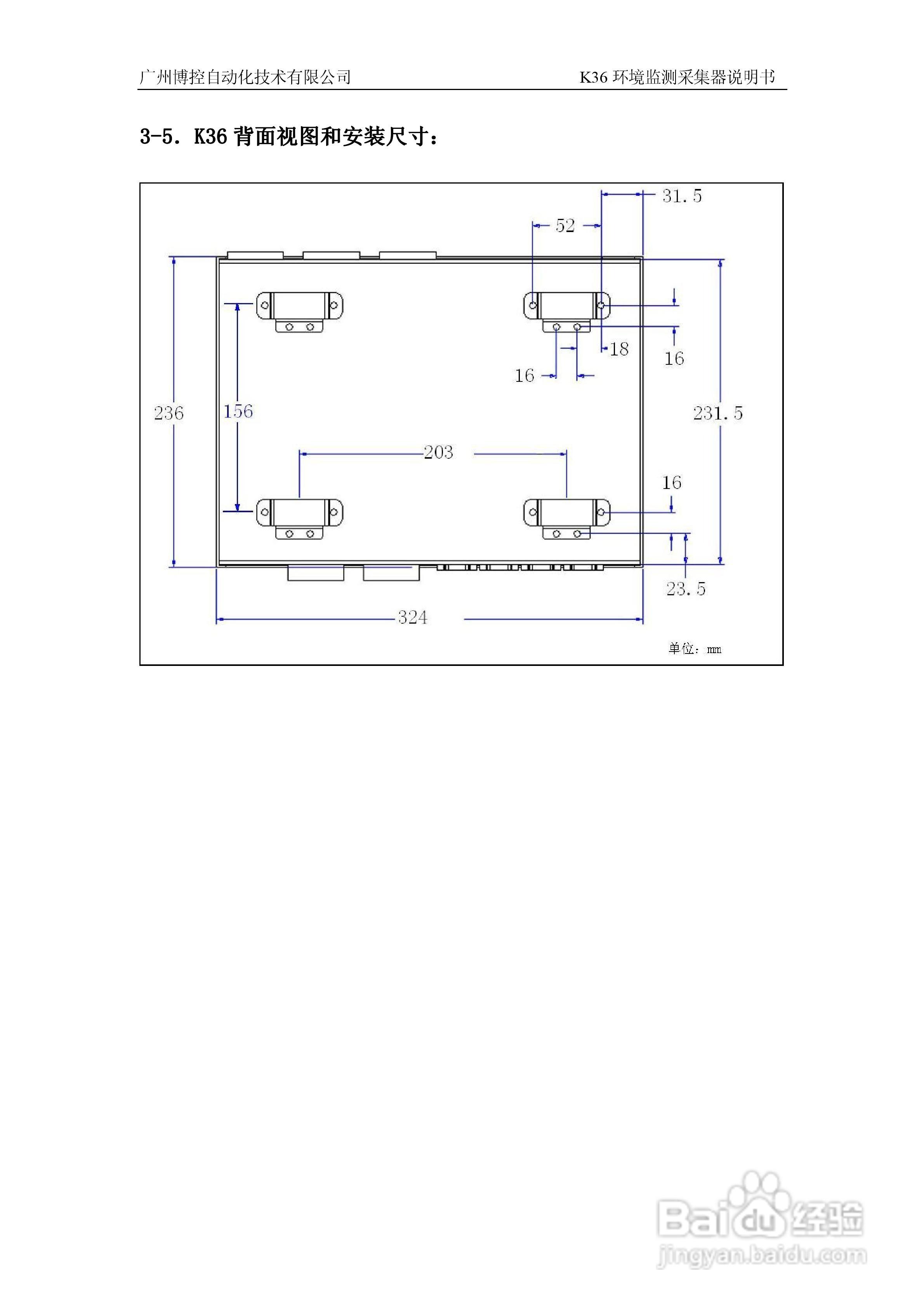
K36环境监控数据采集器使用说明书:[2]
2026-04-22 21:30:01
本篇为《K36环境监控数据采集器使用说明书》,主要介绍该产品的使用方法以及常见故障解决方案。
(共篇)
上一篇:
|
下一篇:
声明:
本网站引用、摘录或转载内容仅供网站访问者交流或参考,不代表本站立场,如存在版权或非法内容,请联系站长删除,联系邮箱:site.kefu@qq.com。
相关推荐
K36环境监控数据采集器使用说明书:[3]
阅读量:66
K36环境监控数据采集器使用说明书:[4]
阅读量:119
KL-S系列数据采集器使用说明书:[2]
阅读量:40
FLuke 2635A数据采集器 中文说明书:[2]
阅读量:94
博控K29D油烟数据采集器使用说明书:[2]
阅读量:189
猜你喜欢
crystal是什么意思
年底双薪什么意思
什么牌子的显卡好
举世瞩目的意思
爱老虎油什么意思
坐而论道的意思
一库是什么意思
送朋友什么生日礼物
漫天卷地的意思
cdkey什么意思
猜你喜欢
dat什么格式
闭塞的意思
司法是什么意思
举棋不定的意思
cf会员有什么用
成王败寇什么意思
sculpture什么意思
脑死亡是什么意思
情人节送什么花好
落户口需要什么手续