指南生活
首页
美食营养
手工爱好
生活家居
返回
指南生活
首页
美食营养
游戏数码
手工爱好
生活家居
健康养生
运动户外
职场理财
情感交际
母婴教育
时尚美容
知识问答
搜索
东芝 e-STUDIO233一体机说明书:[3]
2025-11-28 07:07:57
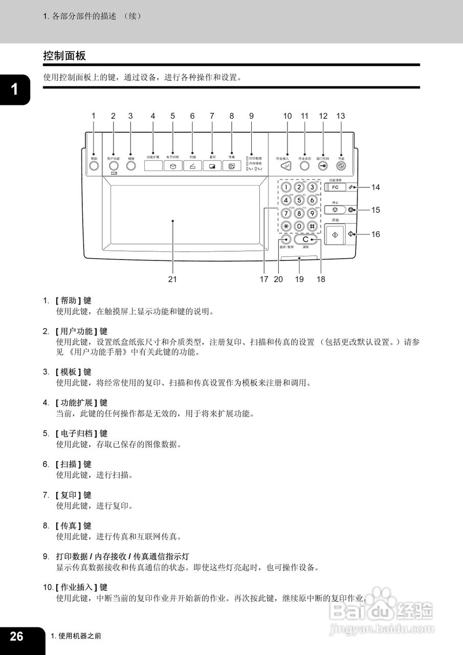
本篇为《东芝 e-STUDIO233一体机说明书》,主要介绍该产品的使用方法以及常见故障解决方案。
(共篇)
上一篇:
|
下一篇:
声明:
本网站引用、摘录或转载内容仅供网站访问者交流或参考,不代表本站立场,如存在版权或非法内容,请联系站长删除,联系邮箱:site.kefu@qq.com。
相关推荐
桌面图票ink详细解决方法
阅读量:176
男宝宝取名常用字
阅读量:105
怎么关闭win10的系统更新?
阅读量:189
Windows10如何更新电脑系统时间与网络时间同步
阅读量:125
破布木的栽培技术
阅读量:147
猜你喜欢
观致3怎么样
痤疮是怎么形成的
咬肌太大怎么办
淘宝怎么开店教程
谍战片电视剧大全
美国历史简介
小熊电器怎么样
对对联大全
endnote怎么用
四路虎网址大全
猜你喜欢
历史古装剧电视剧大全
江歌事件全过程简介
微博名字大全
临海旅游景点大全
qq飞车车队名字大全
四字词语解释大全
安利产品怎么样
晚安图片大全
口袋妖怪游戏大全
王家大院简介