指南生活
首页
美食营养
手工爱好
生活家居
返回
指南生活
首页
美食营养
游戏数码
手工爱好
生活家居
健康养生
运动户外
职场理财
情感交际
母婴教育
时尚美容
知识问答
生活知识
搜索
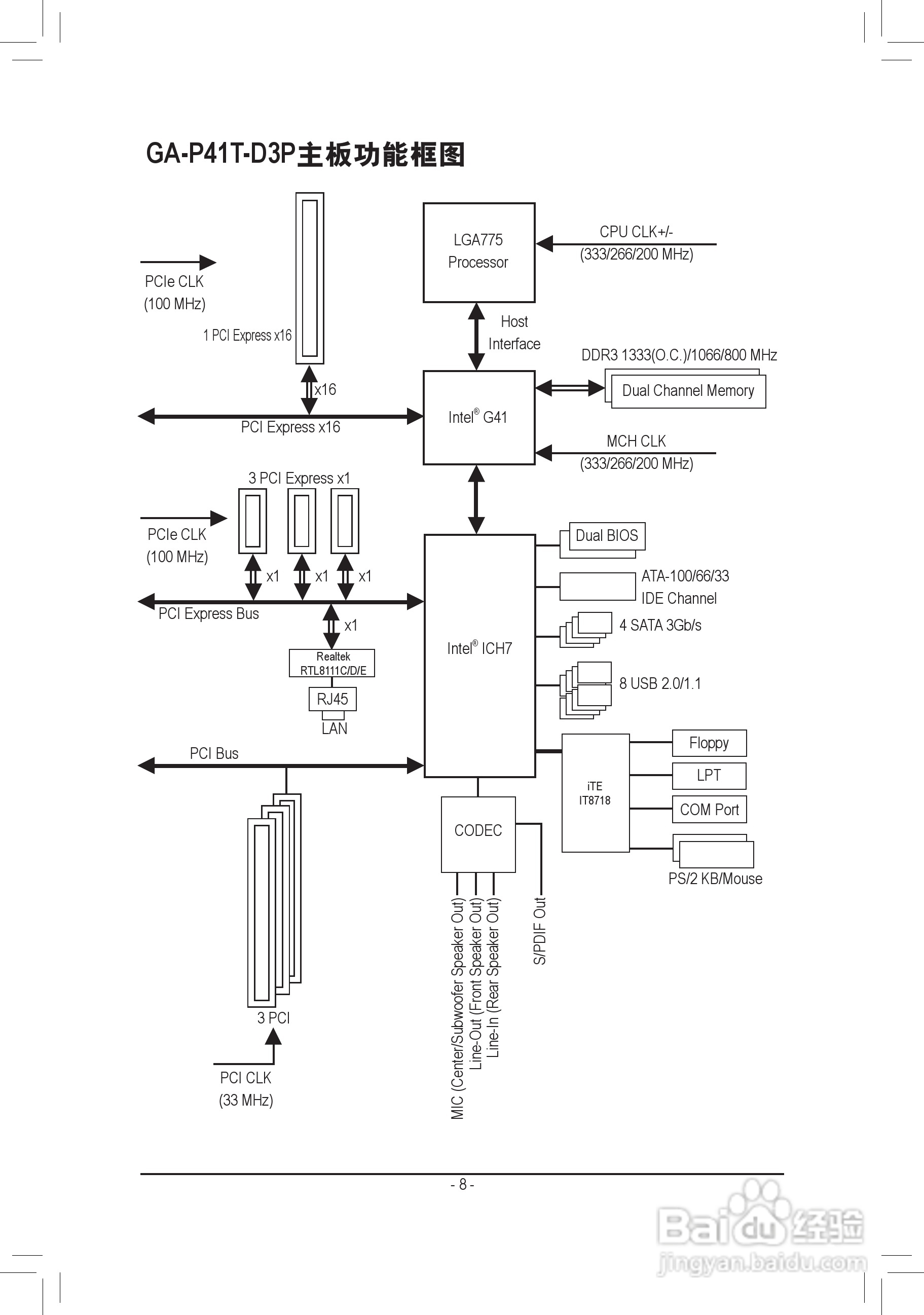
技嘉GA-P41T-D3P(rev. 1.3)主板说明书:[1]
2025-12-10 21:31:15
本篇为《技嘉GA-P41T-D3P(rev. 1.3)主板说明书》,主要介绍该产品的使用方法以及常见故障解决方案。
(共篇)
下一篇:
声明:
本网站引用、摘录或转载内容仅供网站访问者交流或参考,不代表本站立场,如存在版权或非法内容,请联系站长删除,联系邮箱:site.kefu@qq.com。
相关推荐
pe怎么找回丢失数据
阅读量:113
win10怎么删除多余的启动项
阅读量:146
win10系统bitlocker解锁后如何上锁
阅读量:38
如何使用外部硬盘安装linux系统
阅读量:194
VirtualBox虚拟机:[11]安装增强工具
阅读量:131
猜你喜欢
提纲是什么意思
condition是什么意思
祝福祖国歌词
大张旗鼓的意思
movie是什么意思
摔跤的意思
周末祝福图片
海上的风像什么
合约机是什么意思
得意忘形是什么意思
猜你喜欢
新股换手率高说明什么
风度的意思
笑点低是什么意思
take out是什么意思
quality是什么意思
什么是做账
daddy是什么意思
创业板是什么意思
10万买什么车性价比高
什么是命名空间