指南生活
首页
美食营养
手工爱好
生活家居
返回
指南生活
首页
美食营养
游戏数码
手工爱好
生活家居
健康养生
运动户外
职场理财
情感交际
母婴教育
时尚美容
知识问答
生活知识
生活百科
搜索
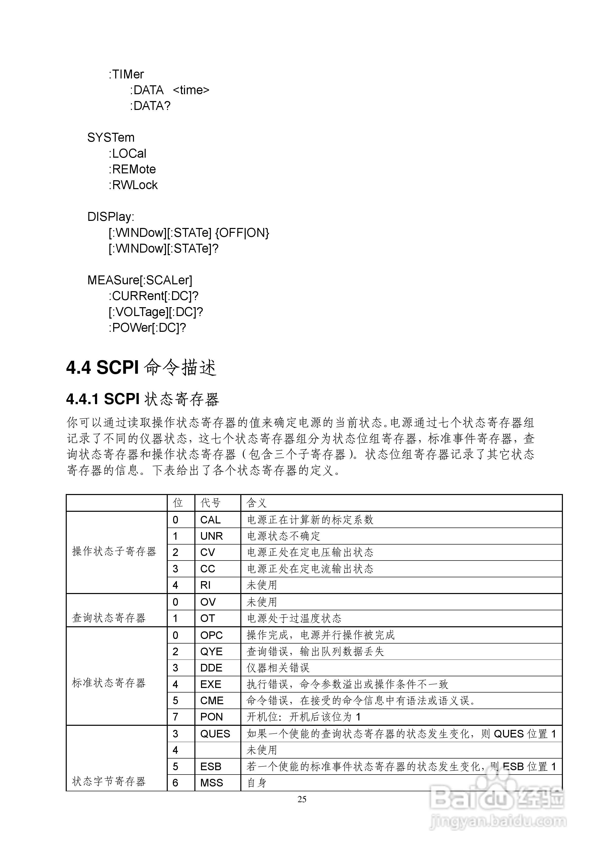
IT6322三路可编程直流电源用户使用手册:[3]
2026-05-16 22:27:04
本篇为《IT6322三路可编程直流电源用户使用手册》,主要介绍该产品的使用方法以及常见故障解决方案。
(共篇)
上一篇:
|
下一篇:
声明:
本网站引用、摘录或转载内容仅供网站访问者交流或参考,不代表本站立场,如存在版权或非法内容,请联系站长删除,联系邮箱:site.kefu@qq.com。
相关推荐
RF8503K带键盘EM读卡器使用说明书
阅读量:91
tfc719 高性能电流模式pwm开关电源控制器说明书:[3]
阅读量:99
LOLs8 vn中最新天赋符文如何加点
阅读量:34
PathPix Boo数字绘图全99关通关攻略-第三十九关
阅读量:74
怎样选择5W-30 OR 5W-40
阅读量:55
猜你喜欢
额济纳旅游攻略
旅游活动主题
俄语我爱你怎么写
手老是脱皮怎么办
如何处理医患关系
睡眠不好多梦怎么办
小米路由器地址
电脑如何截屏截图
cad如何画箭头
加拿大旅游攻略
猜你喜欢
宝宝吐奶严重怎么办
百香果泡水的正确方法
tenda路由器怎么设置
庐山旅游路线
如何连接wifi
乌镇旅游网
长江师范学院怎么样
怎么分辨玉的好坏
如何生儿子
怎么ps照片