指南生活
首页
美食营养
手工爱好
生活家居
返回
指南生活
首页
美食营养
游戏数码
手工爱好
生活家居
健康养生
运动户外
职场理财
情感交际
母婴教育
时尚美容
知识问答
生活知识
生活百科
搜索
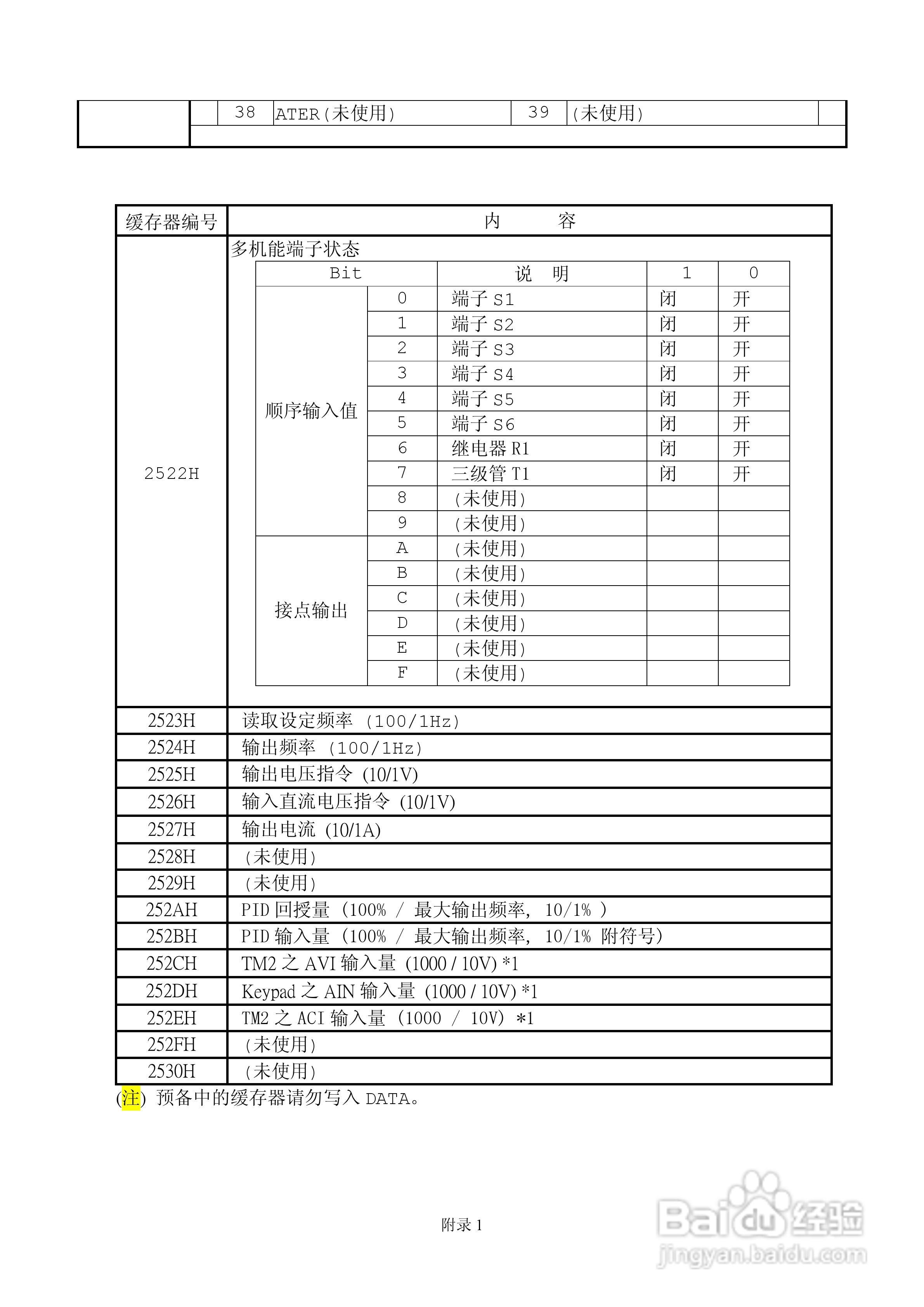
FATEK FID-E1-004-23变频器使用说明书:[10]
2026-03-29 19:24:01
本篇为《FATEK FID-E1-004-23变频器使用说明书》,主要介绍该产品的使用方法以及常见故障解决方案。
(共篇)
上一篇:
|
下一篇:
声明:
本网站引用、摘录或转载内容仅供网站访问者交流或参考,不代表本站立场,如存在版权或非法内容,请联系站长删除,联系邮箱:site.kefu@qq.com。
相关推荐
一月份疾病预防提示
阅读量:117
哪里的拓展训练比较好?
阅读量:113
玉簪虾球怎么做
阅读量:52
如何制作驱寒暖身的美味甜点姜味红糖贝壳蛋糕
阅读量:154
白菜片蒸腊肠
阅读量:120
猜你喜欢
拉杆箱什么材质好
约束是什么意思
什么时候数伏
渊博的意思
上牌需要什么资料
无端的意思
818什么意思
mua是什么意思
投资顾问是做什么的
讴歌的意思
猜你喜欢
可望而不可即的意思
祭奠的意思
什么叫供给侧改革
口字里面一个女念什么
翘首的意思
鹦鹉鱼和什么鱼混养好
fn键有什么用
神马什么意思
羊肉和什么一起吃最好
滑雪要准备什么