指南生活
首页
美食营养
手工爱好
生活家居
返回
指南生活
首页
美食营养
游戏数码
手工爱好
生活家居
健康养生
运动户外
职场理财
情感交际
母婴教育
时尚美容
知识问答
生活知识
生活百科
搜索
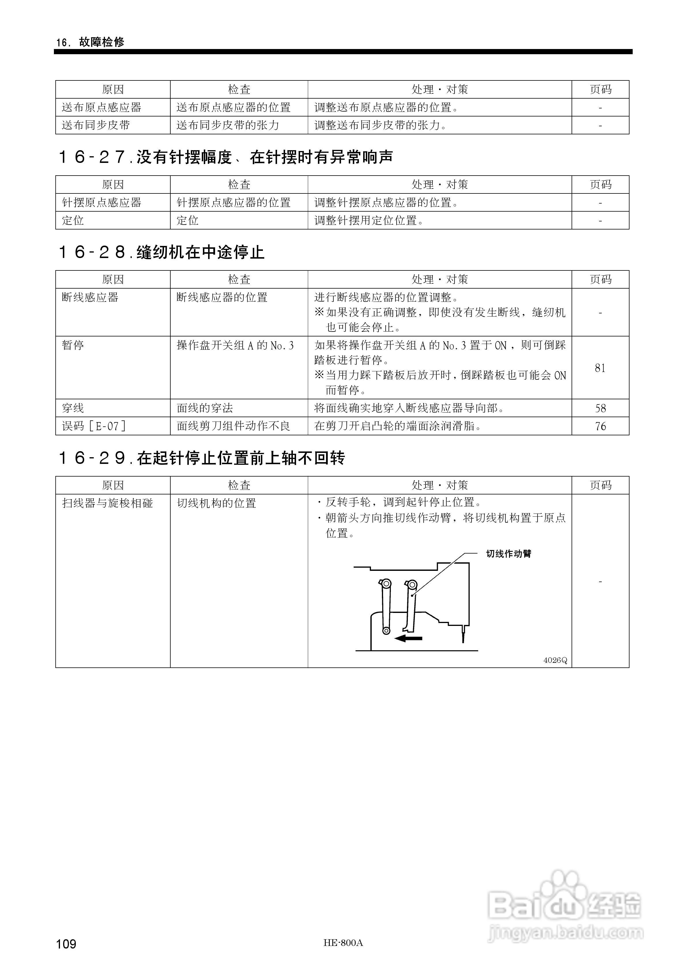
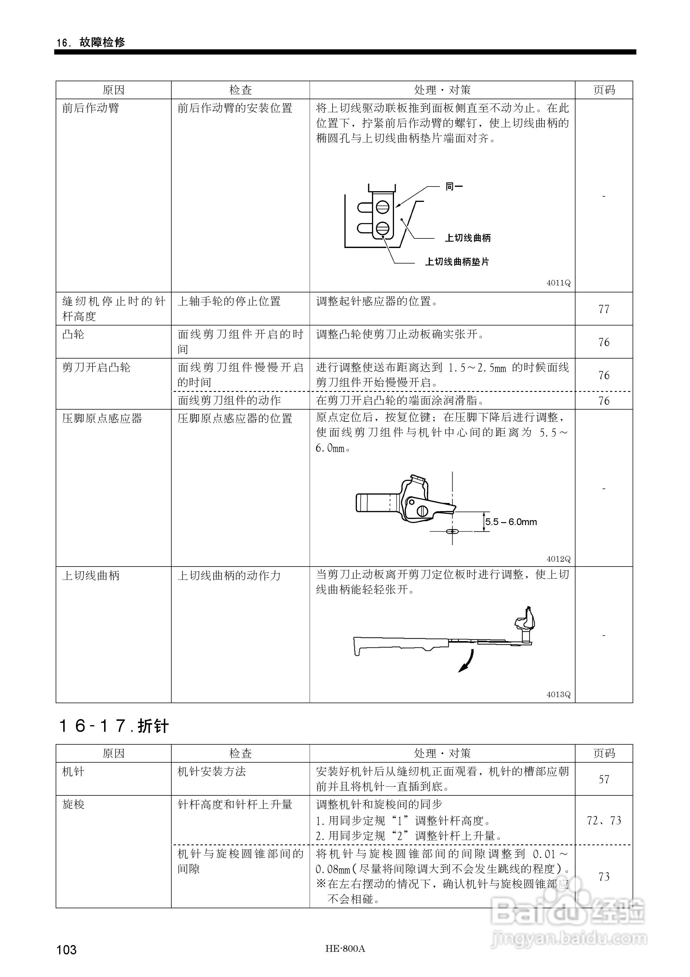
brother HE-800A缝纫机说明书:[12]
2026-03-29 13:22:03
本篇为《brother HE-800A缝纫机说明书》,主要介绍该产品的使用方法以及常见故障解决方案。
(共篇)
上一篇:
声明:
本网站引用、摘录或转载内容仅供网站访问者交流或参考,不代表本站立场,如存在版权或非法内容,请联系站长删除,联系邮箱:site.kefu@qq.com。
相关推荐
brother HE-800A缝纫机说明书:[11]
阅读量:168
brother HE-800A缝纫机说明书:[7]
阅读量:59
缝纫机怎么使用
阅读量:69
缝纫机做衣服裤子教程
阅读量:162
缝纫机送布牙调整技巧
阅读量:184
猜你喜欢
怎么卡永久超级会员
word批注怎么用
眼部脂肪粒如何去除
千分号怎么输入
我的电脑图标不见了怎么办
生活需要仪式感
亚克力是什么材料
水烟壶怎么用
仓鼠生了宝宝怎么办
如何去掉页眉
猜你喜欢
生活污水处理设备
我的世界冰箱怎么用
苹果4s如何越狱
宁波生活网
如何提炼黄金
美女图片生活照
绩效是什么
生活教会我微笑
标致车质量怎么样
武汉电力职业技术学院怎么样