指南生活
首页
美食营养
手工爱好
生活家居
返回
指南生活
首页
美食营养
游戏数码
手工爱好
生活家居
健康养生
运动户外
职场理财
情感交际
母婴教育
时尚美容
知识问答
生活知识
生活百科
搜索
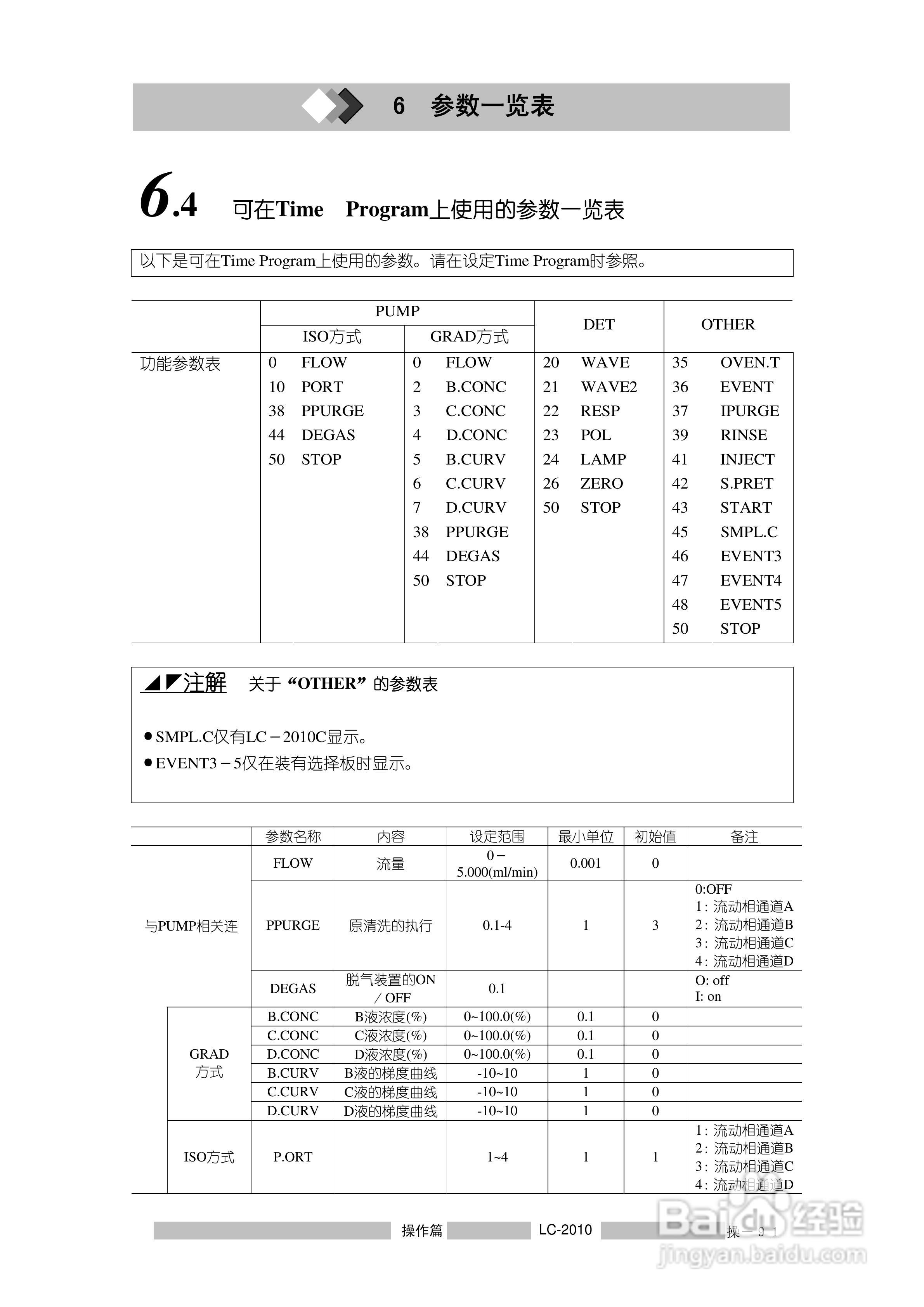
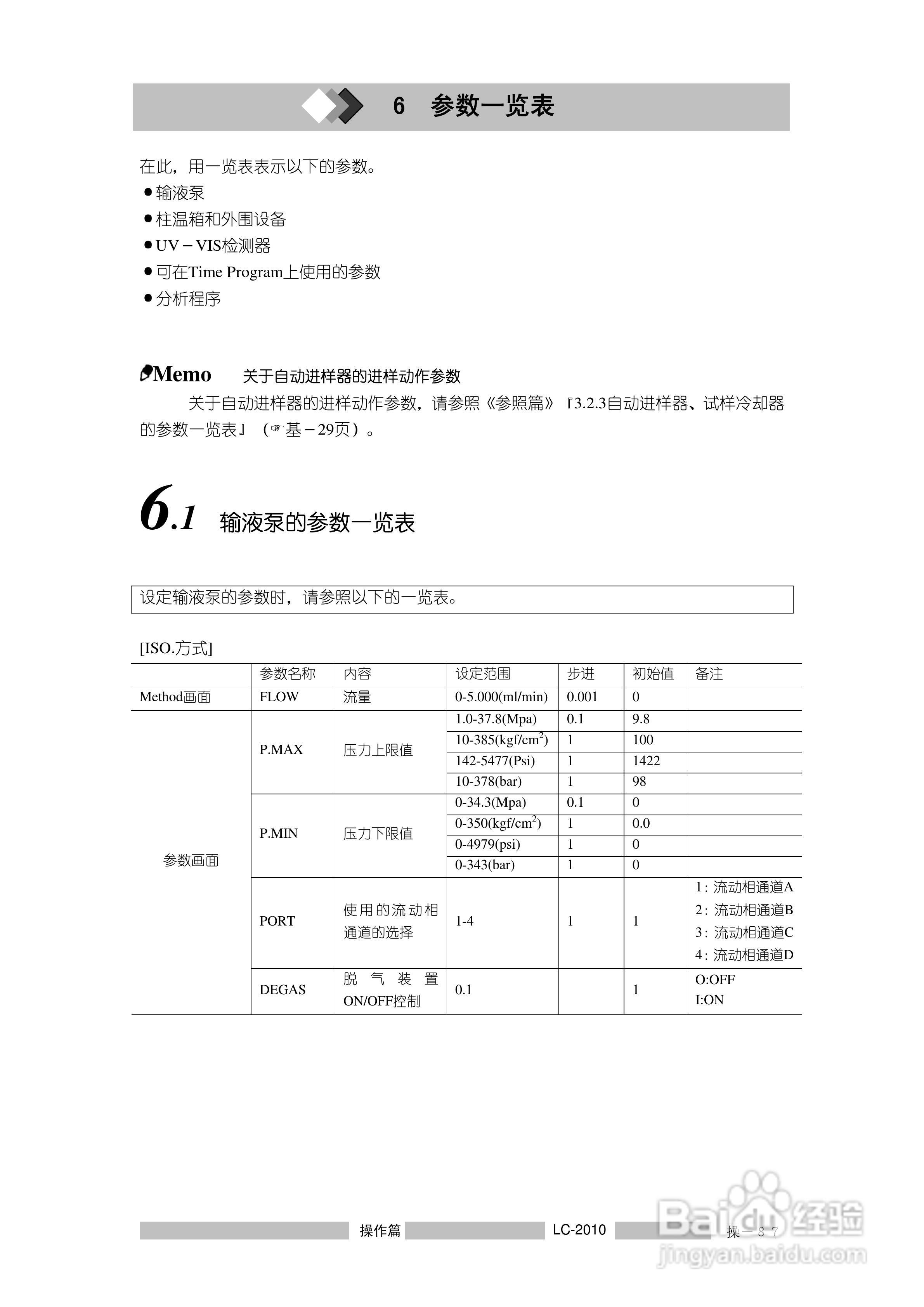
岛津LC2010A高效液相色谱仪操作说明书:[12]
2026-04-08 20:24:56
本篇为《岛津LC2010A高效液相色谱仪操作说明书》,主要介绍该产品的使用方法以及常见故障解决方案。
(共篇)
上一篇:
|
下一篇:
声明:
本网站引用、摘录或转载内容仅供网站访问者交流或参考,不代表本站立场,如存在版权或非法内容,请联系站长删除,联系邮箱:site.kefu@qq.com。
相关推荐
葱油拌面(懒人版)
阅读量:32
食补佳品椰香南瓜芋头煲的做法
阅读量:28
小姨妈黄金蛋饺的做法
阅读量:180
当工作失误时应该以各种表情来向老板解释
阅读量:103
如何利用白色衬衫凸出个人的高级感
阅读量:155
猜你喜欢
过生日发朋友圈的句子
新房装修后如何除甲醛
干铁皮石斛怎么吃
如何锻炼记忆力
如何学习唱歌
如何选择奶粉
如何学习英语
苹果手机怎么激活id
乘号怎么输入
华为手机如何截屏
猜你喜欢
启初婴幼护肤怎么样
关羽哪里人
cf鬼跳怎么跳
腾达路由器怎么设置
无线路由器设置步骤
如何做羊肉汤
五台山旅游地图
常德旅游景点大全
如何设置自动关机
个人如何缴纳社保