指南生活
首页
美食营养
手工爱好
生活家居
返回
指南生活
首页
美食营养
游戏数码
手工爱好
生活家居
健康养生
运动户外
职场理财
情感交际
母婴教育
时尚美容
搜索
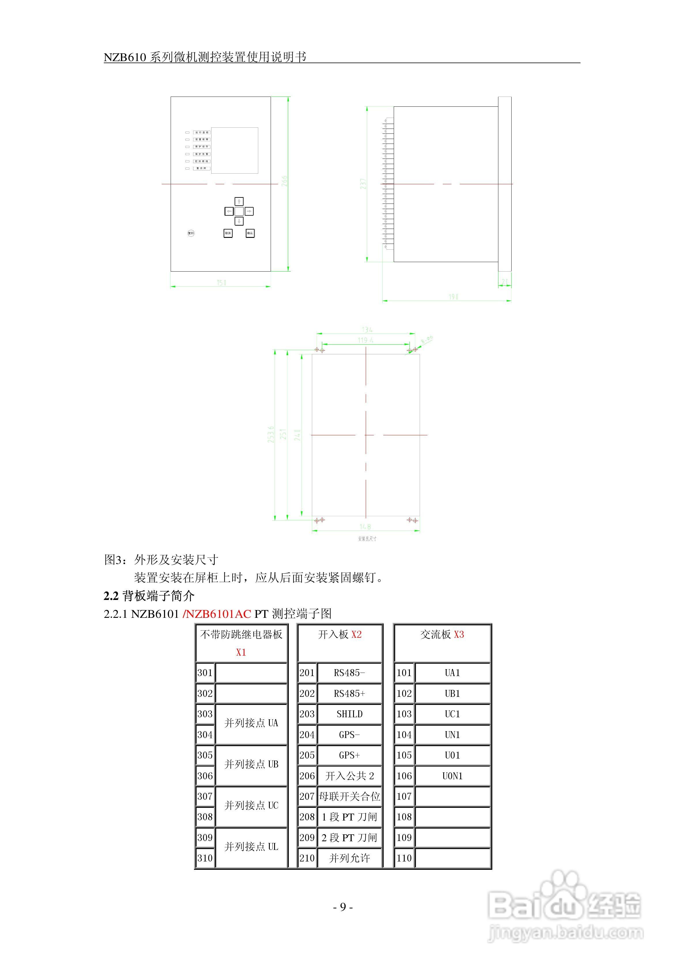
NZB610系列微机测控装置使用说明书:[1]
2025-10-22 20:01:27
本篇为《NZB610系列微机测控装置使用说明书》,主要介绍该产品的使用方法以及常见故障解决方案。
(共篇)
下一篇:
声明:
本网站引用、摘录或转载内容仅供网站访问者交流或参考,不代表本站立场,如存在版权或非法内容,请联系站长删除,联系邮箱:site.kefu@qq.com。
相关推荐
梦幻新诛仙怎么做“茶摊的古怪来客”探灵任务?
阅读量:184
css处理浏览器文本自动换行
阅读量:154
驯龙高手闯关秘籍(四)
阅读量:120
加州迪士尼乐园 攻略
阅读量:49
2017旅行社管理系统排行榜
阅读量:117
猜你喜欢
佛珠手链什么材质好
什么游戏赚钱人民币快
tired的意思
抽噎的意思
科学研究是以什么为基础的
环球港有什么好玩的
生灵涂炭是什么意思
电影彩蛋是什么意思
面首是什么意思
下里什么人什么碧辉煌
猜你喜欢
万人空巷是什么意思
永无止境的意思
快递公司什么时候停运
不赞一词的意思
汽车上牌需要什么资料
亲子鉴定什么医院能做
长辈祝福语
高速etc是什么意思
送新生儿什么礼物好
dnf天界徽章有什么用