指南生活
首页
美食营养
手工爱好
生活家居
返回
指南生活
首页
美食营养
游戏数码
手工爱好
生活家居
健康养生
运动户外
职场理财
情感交际
母婴教育
时尚美容
知识问答
生活知识
生活百科
搜索
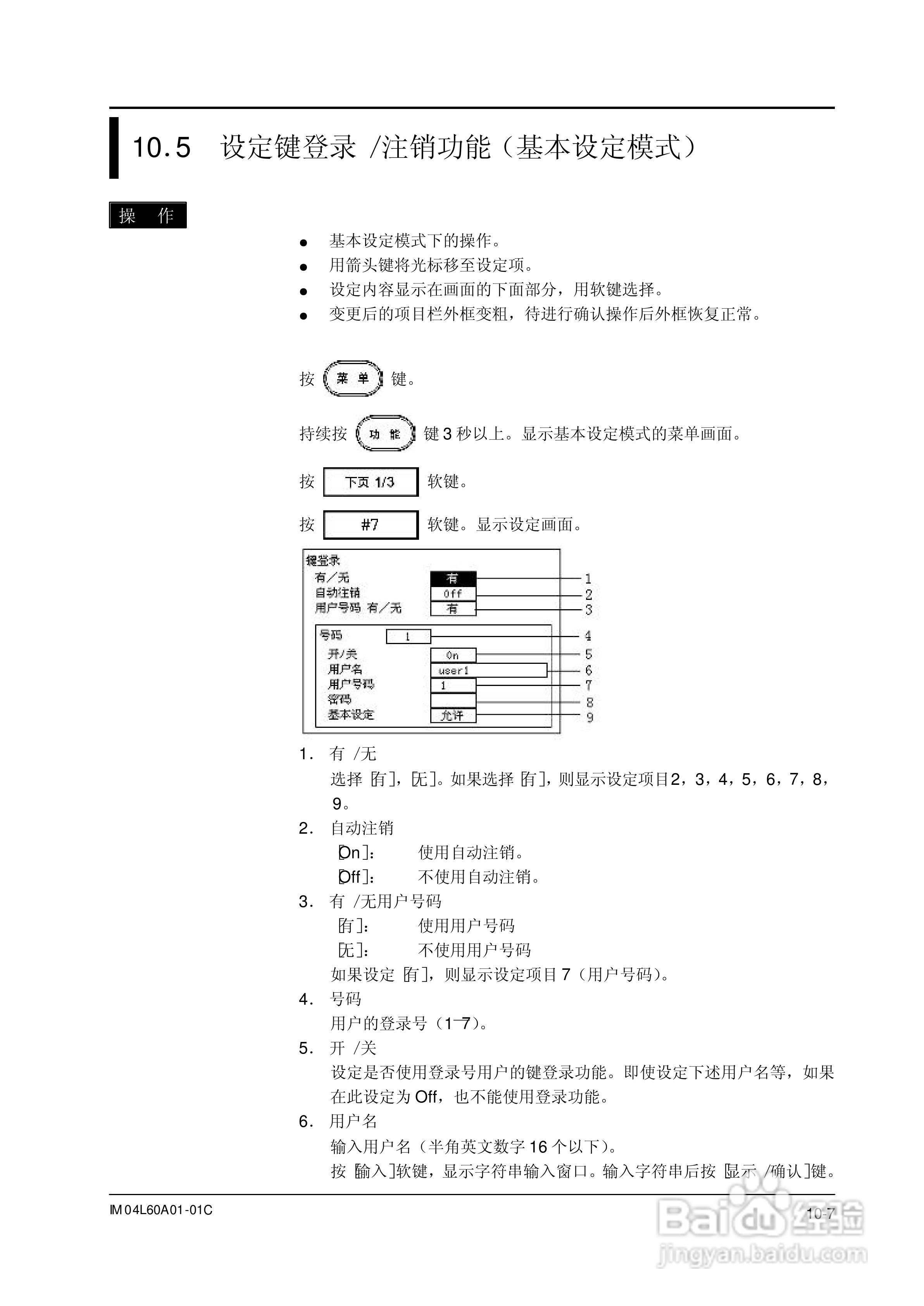
AX100无纸记录仪说明书:[19]
2026-04-16 19:58:48
本篇为《AX100无纸记录仪说明书》,主要介绍该产品的使用方法以及常见故障解决方案。
(共篇)
上一篇:
|
下一篇:
声明:
本网站引用、摘录或转载内容仅供网站访问者交流或参考,不代表本站立场,如存在版权或非法内容,请联系站长删除,联系邮箱:site.kefu@qq.com。
相关推荐
AX100无纸记录仪说明书:[17]
阅读量:68
AX100无纸记录仪说明书:[18]
阅读量:119
AX100无纸记录仪说明书:[26]
阅读量:138
AX100无纸记录仪说明书:[14]
阅读量:175
AX100无纸记录仪说明书:[13]
阅读量:28
猜你喜欢
决堤什么意思
3月16日是什么星座
什么的神气
position是什么意思
library是什么意思
how do you do是什么意思
接驳是什么意思
空调室内机漏水是什么原因
吃不胖是什么原因
籼米是什么米
猜你喜欢
meas是什么意思
什么头什么尾
道德是什么意思
dw是什么意思
什么是绩效工资
诙谐是什么意思
ls是什么意思
草莓什么季节成熟
me什么意思
天乙贵人是什么意思