指南生活
首页
美食营养
手工爱好
生活家居
返回
指南生活
首页
美食营养
游戏数码
手工爱好
生活家居
健康养生
运动户外
职场理财
情感交际
母婴教育
时尚美容
知识问答
生活知识
生活百科
搜索
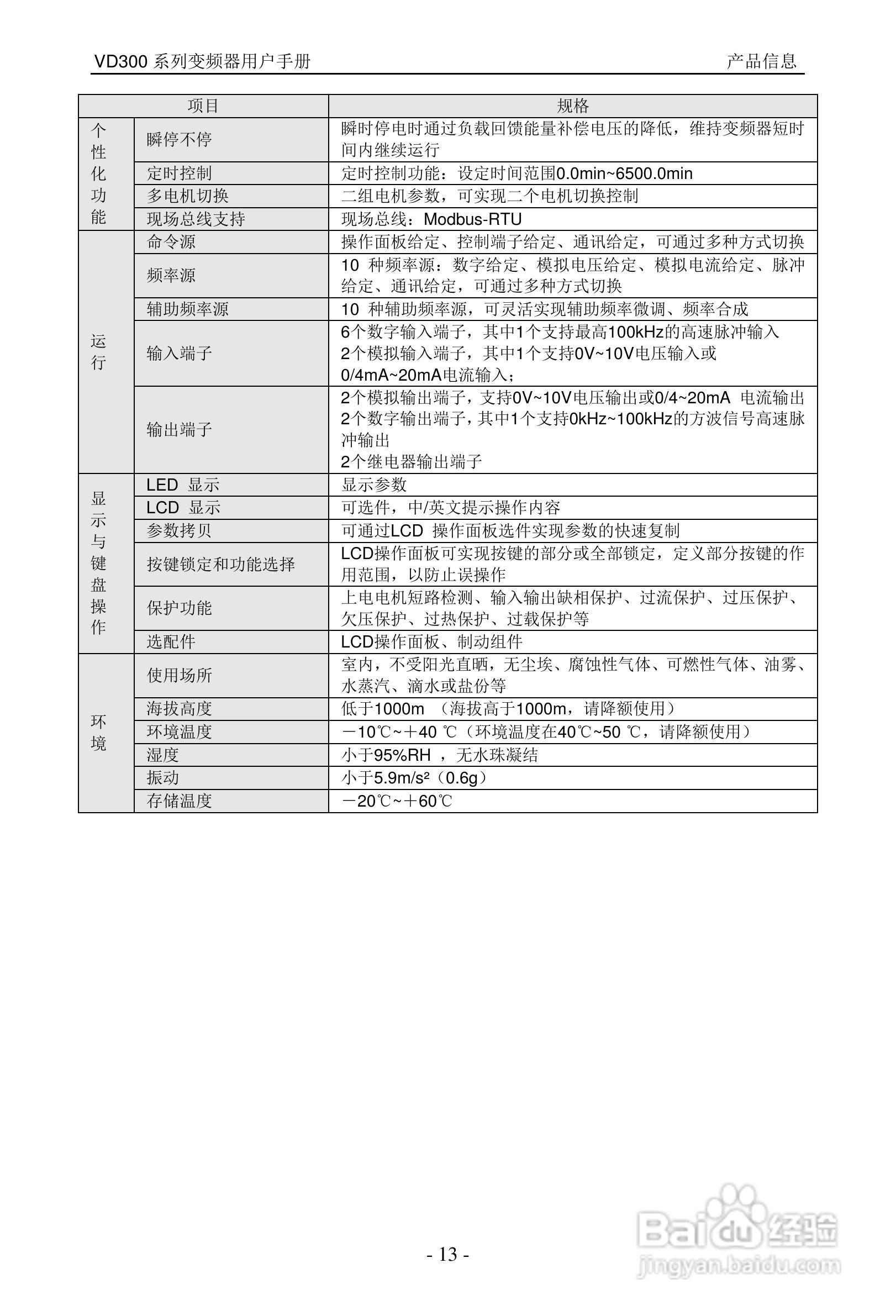
沃森VD300-7T-560变频器使用说明书:[2]
2026-05-18 10:12:25
本篇为《沃森VD300-7T-560变频器使用说明书》,主要介绍该产品的使用方法以及常见故障解决方案。
(共篇)
上一篇:
|
下一篇:
声明:
本网站引用、摘录或转载内容仅供网站访问者交流或参考,不代表本站立场,如存在版权或非法内容,请联系站长删除,联系邮箱:site.kefu@qq.com。
相关推荐
沃森VD300-7T-560变频器使用说明书:[7]
阅读量:95
沃森VD300-7T-560变频器使用说明书:[9]
阅读量:134
沃森VD300-7T-560变频器使用说明书:[14]
阅读量:149
使用说明书wf2651使用指南
阅读量:106
使用说明书封面怎么做
阅读量:173
猜你喜欢
历史是个什么玩意儿1
待摊费用是什么意思
v587什么意思
睚眦必报的意思
huge是什么意思
glasses是什么意思
放荡不羁是什么意思
began是什么意思
有志者事竟成是什么意思
收官的意思
猜你喜欢
婚礼祝福语简短
粗中有细的意思
枫桥式公安派出所是什么意思
蚁人2什么时候上映
望庐山瀑布的意思
感受的意思
祝福的短信
来势汹汹的意思
母亲节贺卡祝福语大全
allow是什么意思