指南生活
首页
美食营养
手工爱好
生活家居
返回
指南生活
首页
美食营养
游戏数码
手工爱好
生活家居
健康养生
运动户外
职场理财
情感交际
母婴教育
时尚美容
知识问答
生活知识
生活百科
搜索
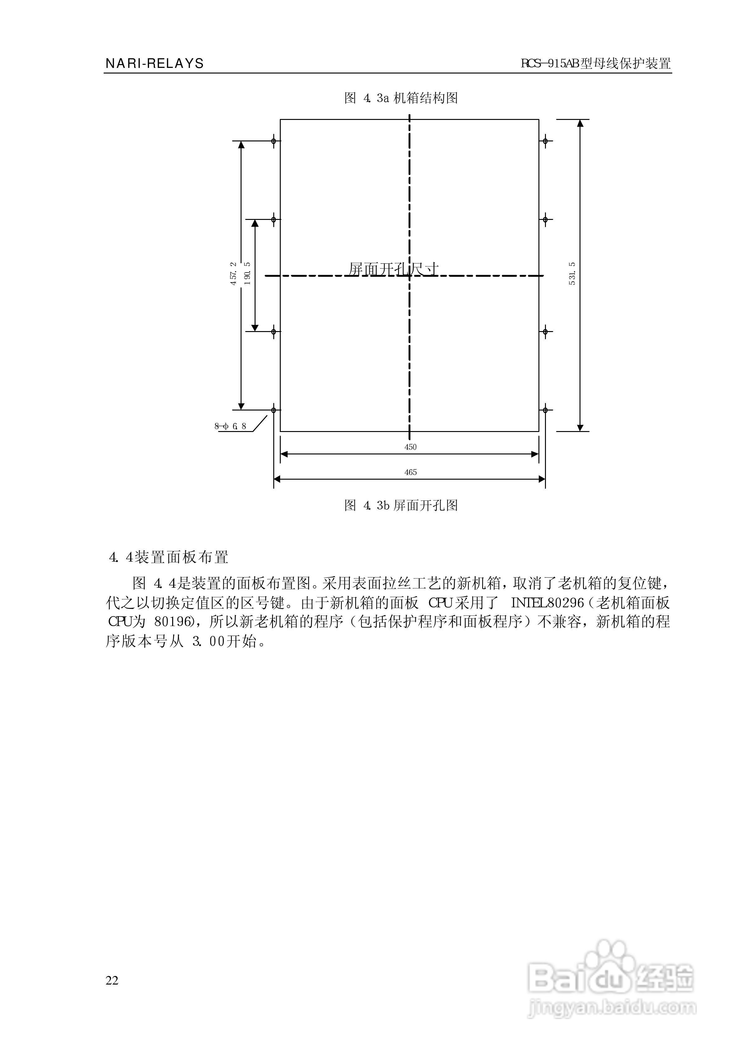
RCS-915AB型微机母线保护装置技术和使用说明书:[3]
2026-04-22 04:15:22
本篇为《RCS-915AB型微机母线保护装置技术和使用说明书》,主要介绍该产品的使用方法以及常见故障解决方案。
(共篇)
上一篇:
|
下一篇:
声明:
本网站引用、摘录或转载内容仅供网站访问者交流或参考,不代表本站立场,如存在版权或非法内容,请联系站长删除,联系邮箱:site.kefu@qq.com。
相关推荐
RCS-915AB型微机母线保护装置技术和使用说明书:[5]
阅读量:46
RCS-915SH型微机母线保护装置技术和使用说明书:[2]
阅读量:83
南瑞RCS-915GD微机母线保护装置使用说明书:[3]
阅读量:54
母线搭接方式
阅读量:131
RCS-915SH型微机母线保护装置技术和使用说明书:[1]
阅读量:92
猜你喜欢
沙漠之舟是什么动物
什么是头寸
什么药能让男人延时
路虎揽胜运动报价
百合花代表什么
angle是什么意思
富含维生素c的水果
float是什么意思
高考600分什么概念
双子和什么星座最配
猜你喜欢
七月初十是什么星座
kb mb gb是什么意思
脖子长痘痘是什么原因
不屈不挠是什么意思
苦丁茶有什么功效
height什么意思
运动控制卡
白色运动鞋
什么是人事代理
什么是瑜伽