指南生活
首页
美食营养
手工爱好
生活家居
返回
指南生活
首页
美食营养
游戏数码
手工爱好
生活家居
健康养生
运动户外
职场理财
情感交际
母婴教育
时尚美容
知识问答
生活知识
生活百科
搜索
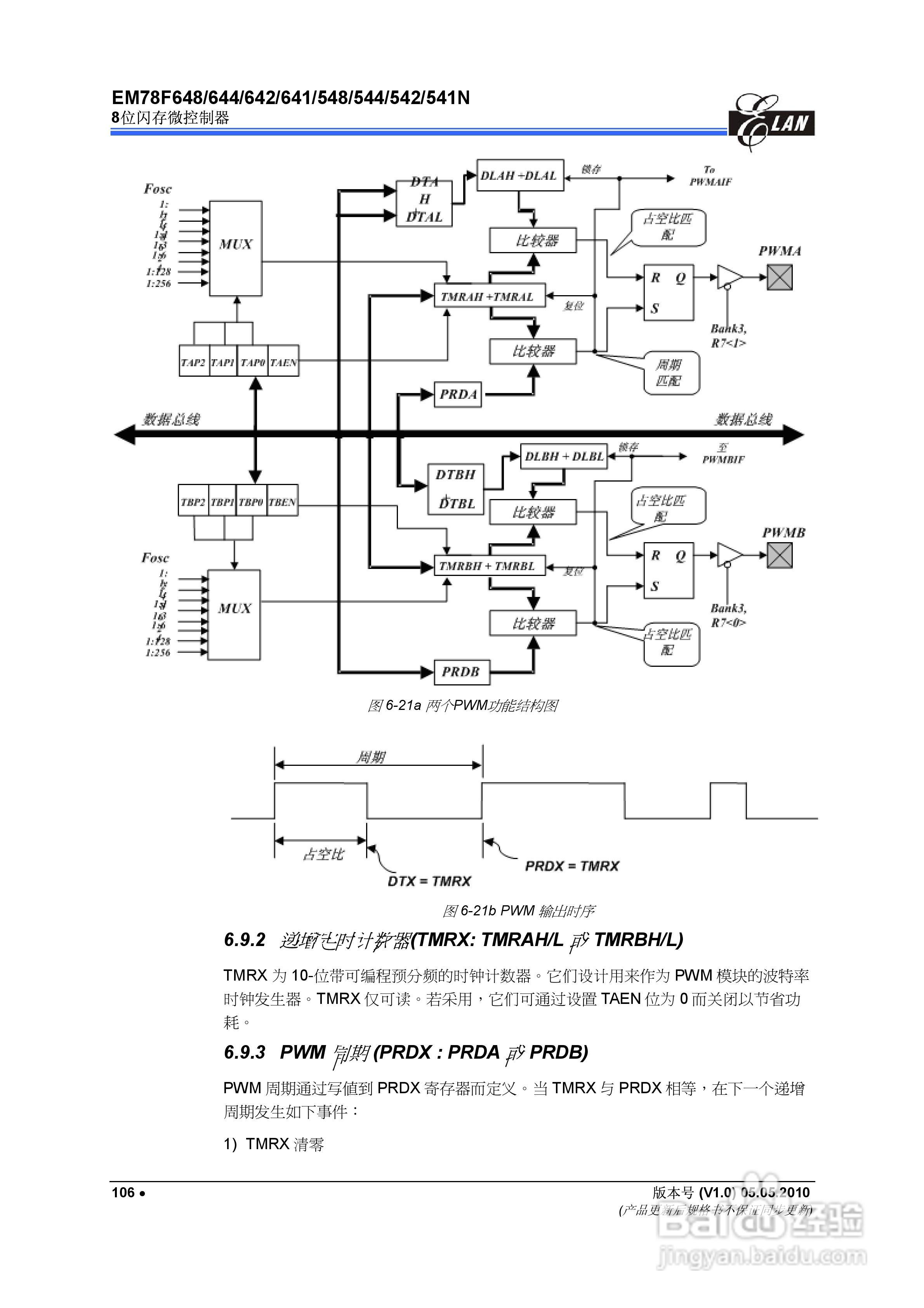
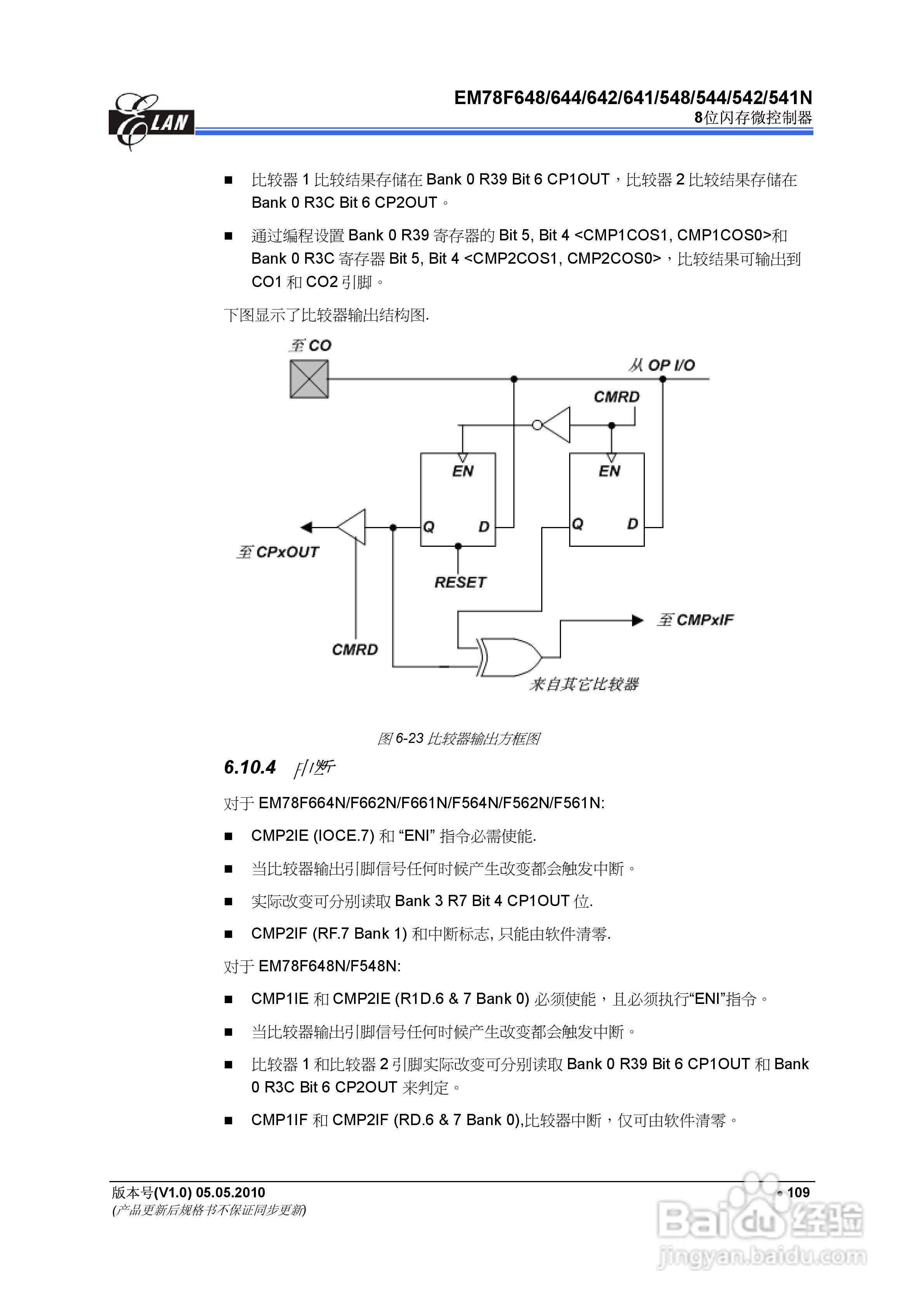
EM78F 8位闪存微控制器说明书:[12]
2026-05-01 01:31:09
本篇为《EM78F 8位闪存微控制器说明书》,主要介绍该产品的使用方法以及常见故障解决方案。
(共篇)
上一篇:
|
下一篇:
声明:
本网站引用、摘录或转载内容仅供网站访问者交流或参考,不代表本站立场,如存在版权或非法内容,请联系站长删除,联系邮箱:site.kefu@qq.com。
相关推荐
EM78F 8位闪存微控制器说明书:[11]
阅读量:59
EM78F 8位闪存微控制器说明书:[10]
阅读量:174
8位风格照片工坊中怎么调整色盘
阅读量:168
8位无保qq怎么上保
阅读量:158
EM78F 8位闪存微控制器说明书:[19]
阅读量:36
猜你喜欢
iphone怎么设置铃声
题记怎么写
怎么煮饭
新概念英语怎么样
打呼噜怎么治疗
蓝色用英语怎么说
身份证消磁了怎么办
农村合作医疗怎么报销
手脱皮怎么治
ps怎么合并图层
猜你喜欢
论文注释怎么加
密码锁忘记密码怎么办
qq空间说说怎么全部删除
八字怎么算
齐肩发怎么扎好看
骨质增生怎么治疗
测孕纸怎么用
怎么写日记
家长感言怎么写
喉咙有痰怎么办