指南生活
首页
美食营养
手工爱好
生活家居
返回
指南生活
首页
美食营养
游戏数码
手工爱好
生活家居
健康养生
运动户外
职场理财
情感交际
母婴教育
时尚美容
知识问答
生活知识
搜索
YOKOGAWA SR10001有纸记录仪使用说明书:[4]
2025-12-09 07:49:25
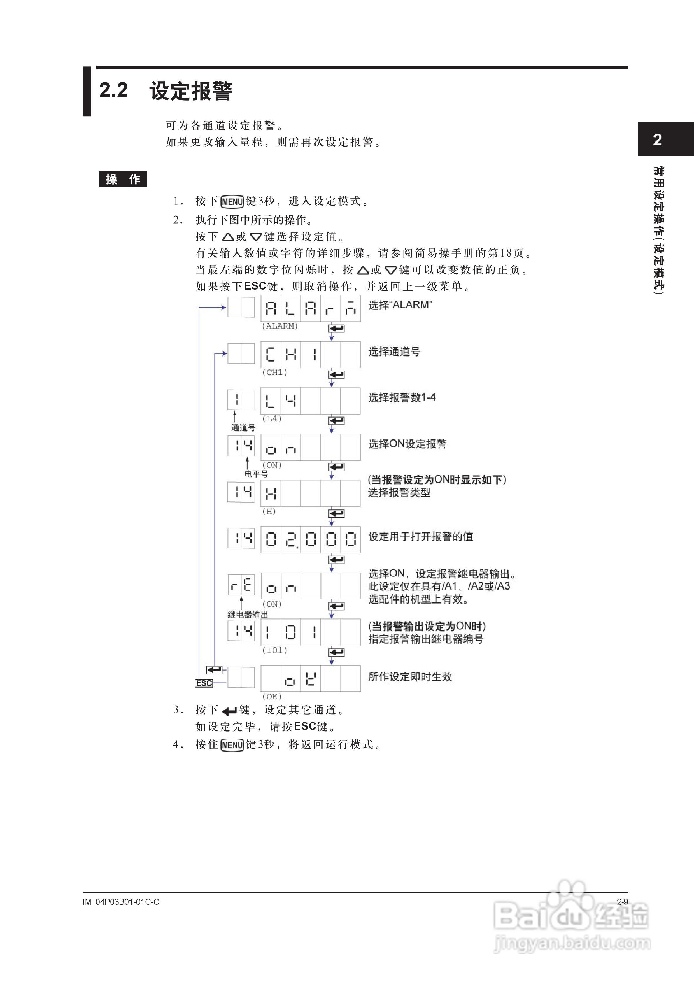
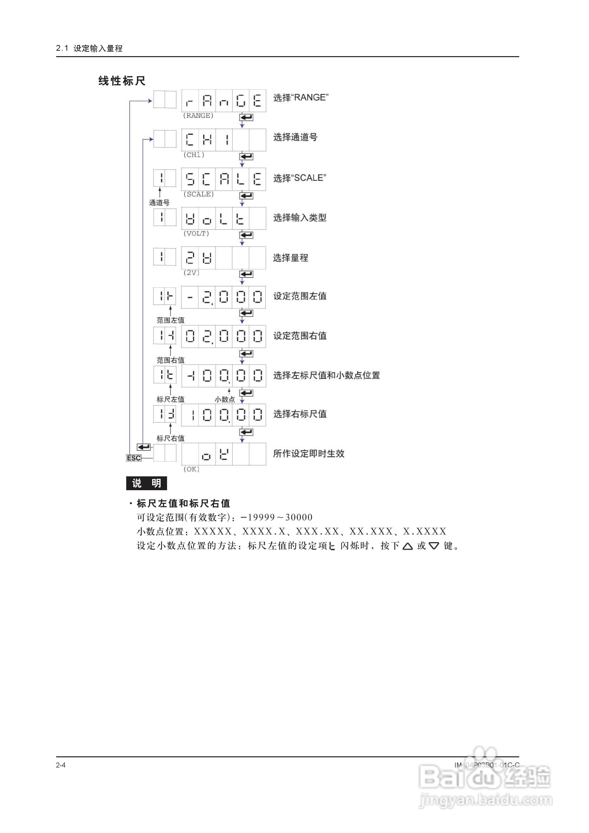
本篇为《YOKOGAWA SR10001有纸记录仪使用说明书》,主要介绍该产品的使用方法以及常见故障解决方案。
(共篇)
上一篇:
|
下一篇:
声明:
本网站引用、摘录或转载内容仅供网站访问者交流或参考,不代表本站立场,如存在版权或非法内容,请联系站长删除,联系邮箱:site.kefu@qq.com。
相关推荐
YOKOGAWA SR10001有纸记录仪使用说明书:[10]
阅读量:186
YOKOGAWA SR10001有纸记录仪使用说明书:[7]
阅读量:120
使用说明书封面怎么做
阅读量:60
使用说明书wf2651使用指南
阅读量:60
YOKOGAWA SR10001有纸记录仪使用说明书:[6]
阅读量:98
猜你喜欢
两个月宝宝拉稀怎么办
臀部大怎么办
个人竞聘演讲稿怎么写
如何制作南瓜灯
ie浏览器打不开怎么办
同学之间如何相处
电脑玩游戏卡屏怎么办
崇福生活网
match是什么意思
空调睡眠模式是什么意思
猜你喜欢
夫妻间怎么相处
韩雅化妆品怎么样
如何考幼师资格证
生活因友谊而精彩
四级成绩什么时候出
电脑卡的要死怎么办
我爱你用韩文怎么写
看守所的生活
离婚手续如何办理
如何隐藏图标