指南生活
首页
美食营养
手工爱好
生活家居
返回
指南生活
首页
美食营养
游戏数码
手工爱好
生活家居
健康养生
运动户外
职场理财
情感交际
母婴教育
时尚美容
知识问答
生活知识
生活百科
搜索
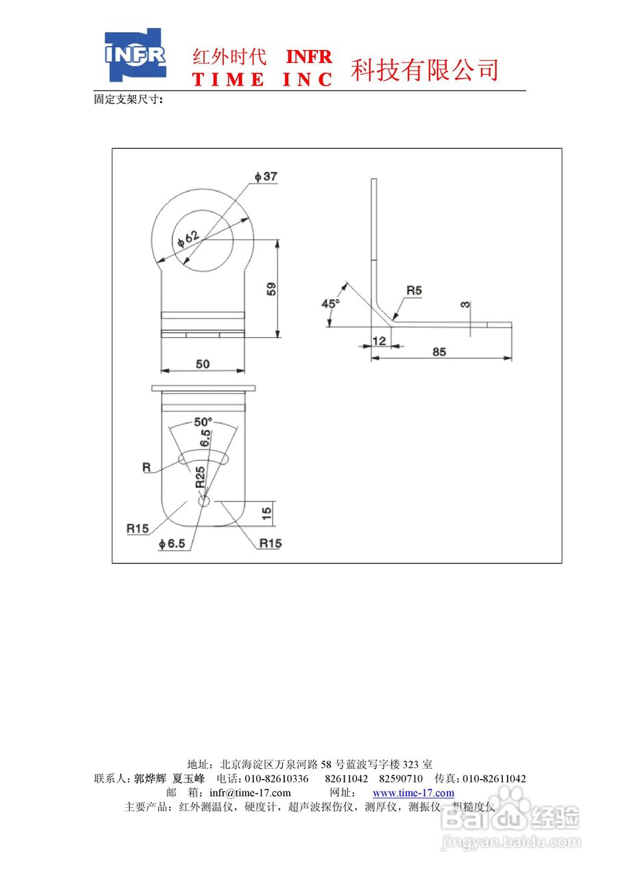
北京红外时代TIM160红外测温仪使用说明书
2026-05-10 10:41:01
声明:
本网站引用、摘录或转载内容仅供网站访问者交流或参考,不代表本站立场,如存在版权或非法内容,请联系站长删除,联系邮箱:site.kefu@qq.com。
相关推荐
北京红外时代TIM120红外测温仪使用说明书
阅读量:76
红外测温仪如何设置温度单位
阅读量:25
红外测温仪如何更换电池
阅读量:89
红外测温仪在制冷系统中的特别运用
阅读量:85
北京红外时代TI51M红外测温仪使用说明书
阅读量:81
猜你喜欢
王者荣耀什么英雄厉害
鸡血藤功效与作用
安之若素是什么意思
什么是水泡
曦是什么意思
事倍功半的意思
镇定自若的意思
什么叫头寸
干事是什么意思
画蛇添足的意思
猜你喜欢
什么是低值易耗品
肌苷片的作用
原位癌是什么意思
fifa什么意思
塞班什么意思
什么鱼好
今夕何夕是什么意思
瞬息万变的意思
bring是什么意思
半胱氨酸的作用