指南生活
首页
美食营养
手工爱好
生活家居
返回
指南生活
首页
美食营养
游戏数码
手工爱好
生活家居
健康养生
运动户外
职场理财
情感交际
母婴教育
时尚美容
搜索
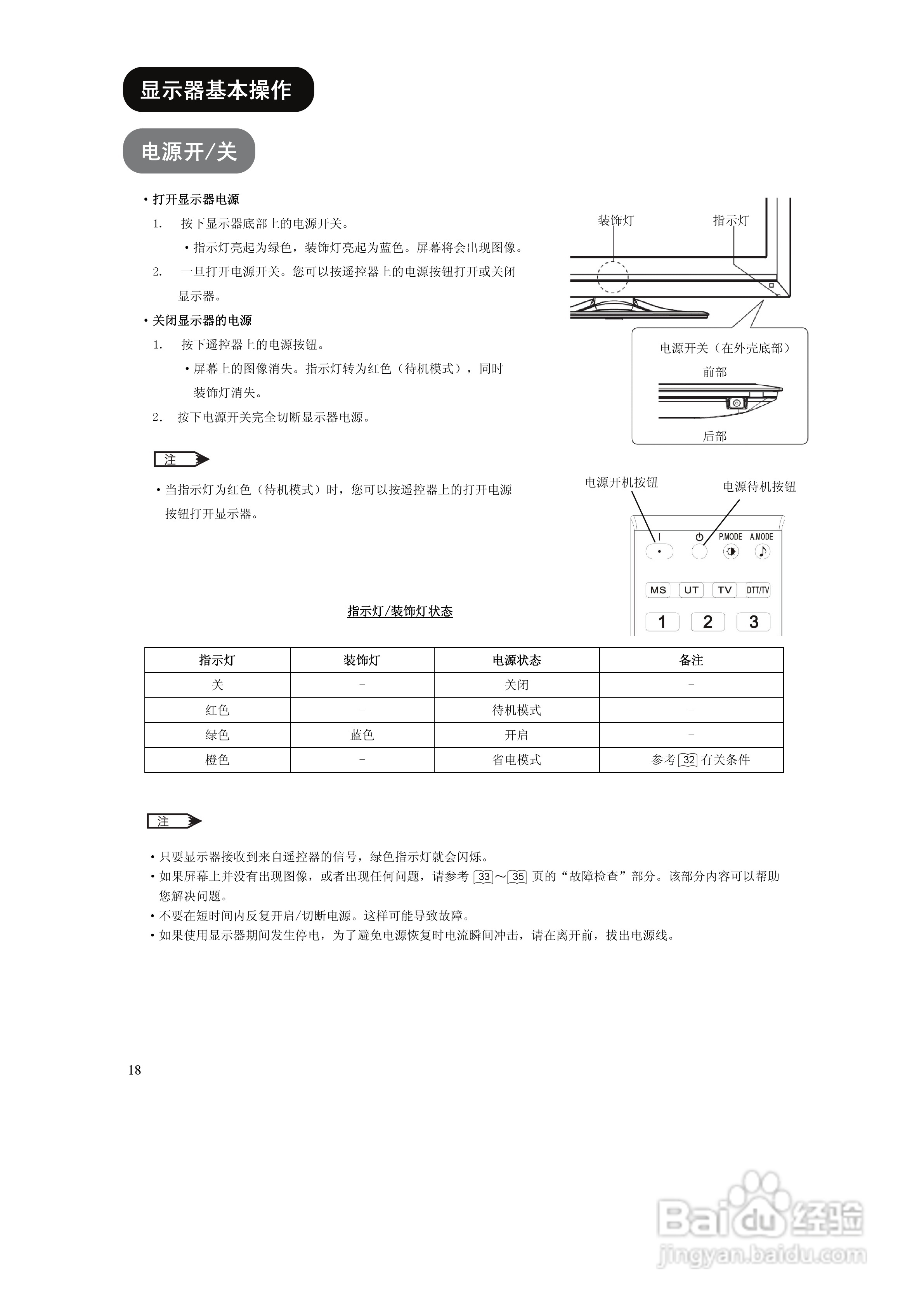
日立液晶电视显示器UT32-MH28CB/CW/CR/CA型使用说明书:[2]
2025-10-26 13:47:03
(共篇)
上一篇:
|
下一篇:
声明:
本网站引用、摘录或转载内容仅供网站访问者交流或参考,不代表本站立场,如存在版权或非法内容,请联系站长删除,联系邮箱:site.kefu@qq.com。
相关推荐
日立液晶电视显示器UT32-MH28CB/CW/CR/CA型使用说明书:[1]
阅读量:193
显示器帧数设置
阅读量:46
显示器颜色怎么校正
阅读量:113
显示器的声音怎么设置
阅读量:136
显示器刷新率怎么看
阅读量:120
猜你喜欢
代赭石的功效与作用
soga什么意思
我运动我快乐演讲稿
关于知识的作文
耐克运动服
多潘立酮片的作用与功效
monica什么意思
沙棘的功效与作用
什么是排水量
桑寄生的功效与作用
猜你喜欢
宁波有什么好玩的
非布司他片作用与功效副作用
金霉素眼膏的作用
送什么礼物
高一地理必修一知识点总结
霉菌性阴炎用什么药好得快
背上有痣代表什么
葡萄的功效与作用
芍药的功效与作用
点读笔什么牌子好