指南生活
首页
美食营养
手工爱好
生活家居
返回
指南生活
首页
美食营养
游戏数码
手工爱好
生活家居
健康养生
运动户外
职场理财
情感交际
母婴教育
时尚美容
知识问答
生活知识
搜索
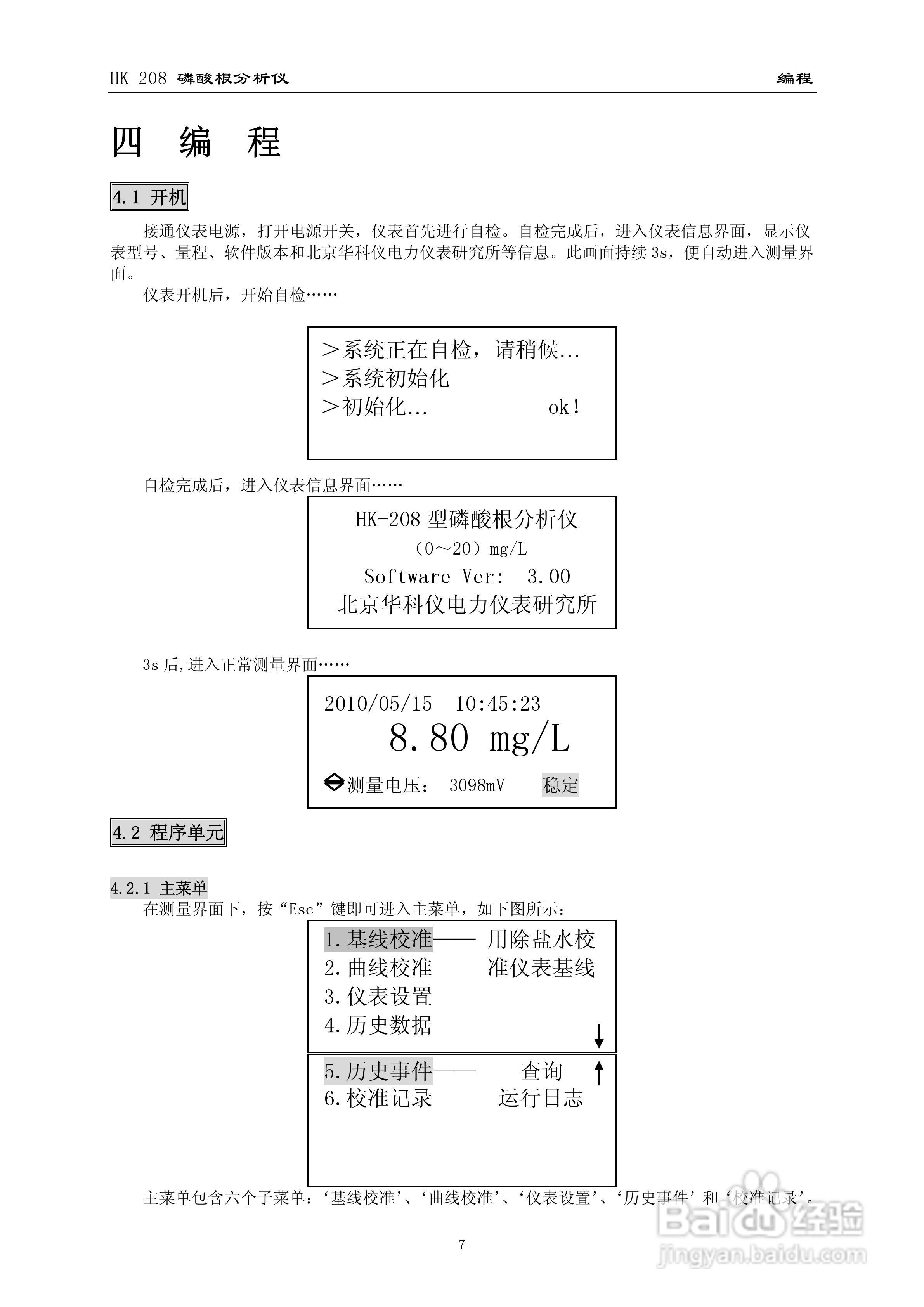
HK-208磷酸根分析仪使用说明书:[1]
2025-12-26 22:02:23
本篇为《HK-208磷酸根分析仪使用说明书》,主要介绍该产品的使用方法以及常见故障解决方案。
(共篇)
下一篇:
声明:
本网站引用、摘录或转载内容仅供网站访问者交流或参考,不代表本站立场,如存在版权或非法内容,请联系站长删除,联系邮箱:site.kefu@qq.com。
相关推荐
HK-208磷酸根分析仪使用说明书:[2]
阅读量:188
HK-208磷酸根分析仪使用说明书:[3]
阅读量:128
HK-218硅酸根分析仪使用说明书:[3]
阅读量:29
HK-218硅酸根分析仪使用说明书:[2]
阅读量:47
HK-218硅酸根分析仪使用说明书:[1]
阅读量:186
猜你喜欢
得了艾滋病有什么症状
樱花什么时候开
端口是什么
做深蹲有什么好处
煤气罐在什么情况下会爆炸
about是什么意思
服务器是什么
羊刃是什么意思
男人喜欢什么样的女人
gcp是什么意思
猜你喜欢
door是什么意思
猎头公司是做什么的
大海是渔民的什么
clever是什么意思
邯郸学步告诉我们什么道理
行政是做什么的
囿是什么意思
谓语是什么
次第是什么意思
押一付一是什么意思