指南生活
首页
美食营养
手工爱好
生活家居
返回
指南生活
首页
美食营养
游戏数码
手工爱好
生活家居
健康养生
运动户外
职场理财
情感交际
母婴教育
时尚美容
搜索
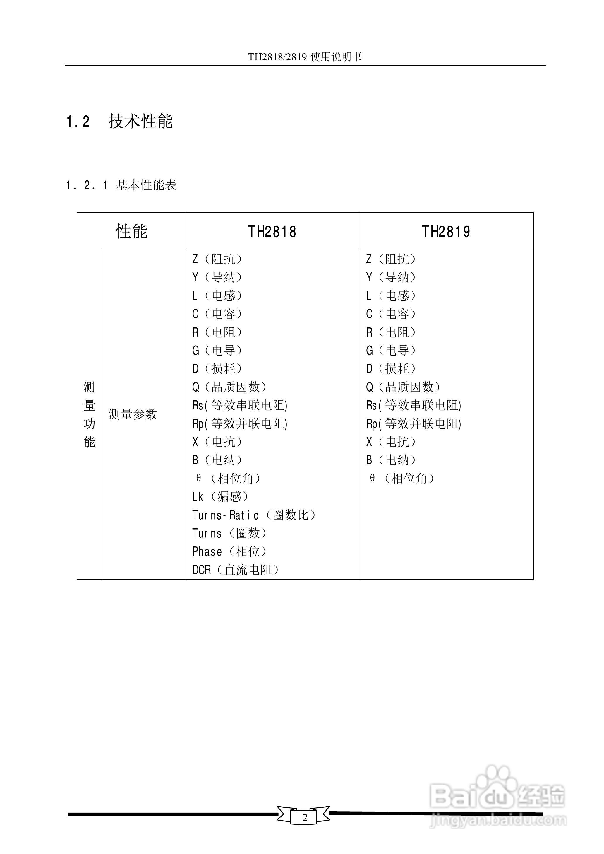
TH2818/TH2819数字电桥使用说明书:[1]
2025-10-24 07:10:25
本篇为《TH2818/TH2819数字电桥使用说明书》,主要介绍该产品的使用方法以及常见故障解决方案。
(共篇)
下一篇:
声明:
本网站引用、摘录或转载内容仅供网站访问者交流或参考,不代表本站立场,如存在版权或非法内容,请联系站长删除,联系邮箱:site.kefu@qq.com。
相关推荐
白银交易在哪里开户
阅读量:26
淘特如何快速查看男装?
阅读量:24
加拿大技术移民申请条件
阅读量:193
桑叶茶泡水喝有什么功效
阅读量:54
如何去加拿大定居?
阅读量:164
猜你喜欢
ipo是什么意思呢
什么是家庭冷暴力
破太岁是什么意思
什么车油耗低
龙井茶有什么功效
鱼目混珠的意思
清明时节雨纷纷路上行人欲断魂的意思
rectangle什么意思
元宵节什么时候放鞭炮
腐女是什么意思
猜你喜欢
示波器的作用
民政局过年什么时候放假
胆碱的作用
2003年3月20号发生了什么大事
老人机什么牌子质量好
束缚是什么意思
什么是僚机
弥足珍贵是什么意思
印信的意思
病入膏肓的意思