指南生活
首页
美食营养
手工爱好
生活家居
返回
指南生活
首页
美食营养
游戏数码
手工爱好
生活家居
健康养生
运动户外
职场理财
情感交际
母婴教育
时尚美容
知识问答
生活知识
搜索
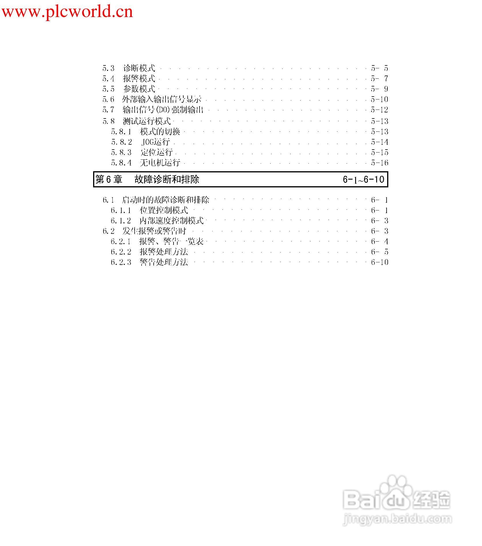
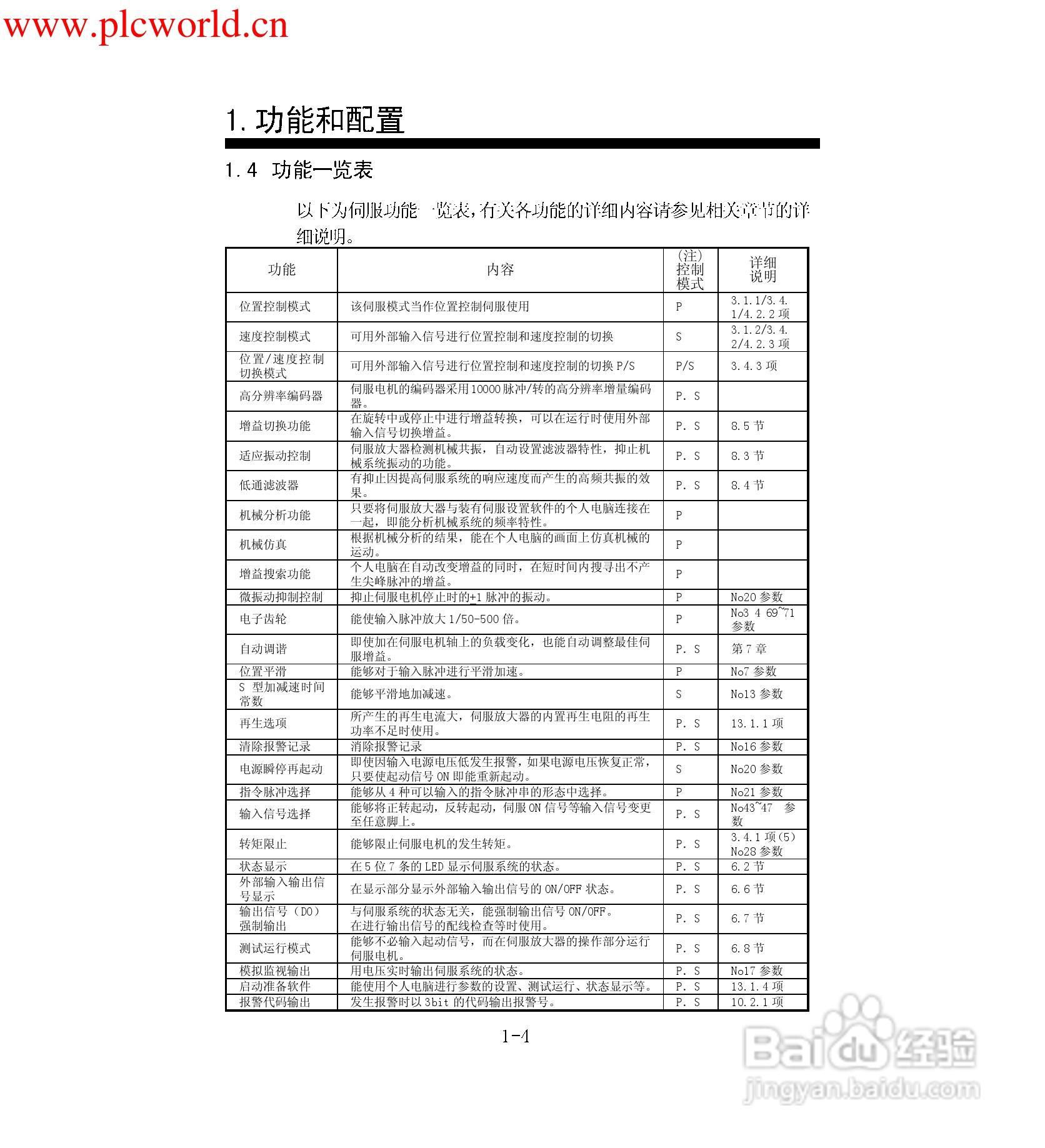
MR-E-A伺服放大器使用手册:[2]
2025-12-23 16:25:51
本篇为《MR-E-A伺服放大器使用手册》,主要介绍该产品的使用方法以及常见故障解决方案。
(共篇)
上一篇:
|
下一篇:
声明:
本网站引用、摘录或转载内容仅供网站访问者交流或参考,不代表本站立场,如存在版权或非法内容,请联系站长删除,联系邮箱:site.kefu@qq.com。
相关推荐
三菱伺服MR-MR-E-AG伺服放大器使用手册:[5]
阅读量:187
三菱伺服MR-MR-E-AG伺服放大器使用手册:[4]
阅读量:24
MR-J3系列三菱私服放大器更换作业
阅读量:70
XC6219B282MR
阅读量:81
XC6204B332MR
阅读量:170
猜你喜欢
浑然天成的意思
严丝合缝的意思
什么是信用卡透支
什么是对口招生
偏财是什么意思
better man什么意思
愤世嫉俗什么意思
趋之若鹜是什么意思
通勤是什么意思
备胎是什么意思
猜你喜欢
胎儿入盆什么感觉
211985大学是什么意思
绿茶什么时候喝
舍本逐末什么意思
什么粉饼好用
河蟹什么意思
找什么工作好
qs是什么意思
值机是什么意思
易烊千玺喜欢什么颜色