指南生活
首页
美食营养
手工爱好
生活家居
返回
指南生活
首页
美食营养
游戏数码
手工爱好
生活家居
健康养生
运动户外
职场理财
情感交际
母婴教育
时尚美容
知识问答
生活知识
生活百科
搜索
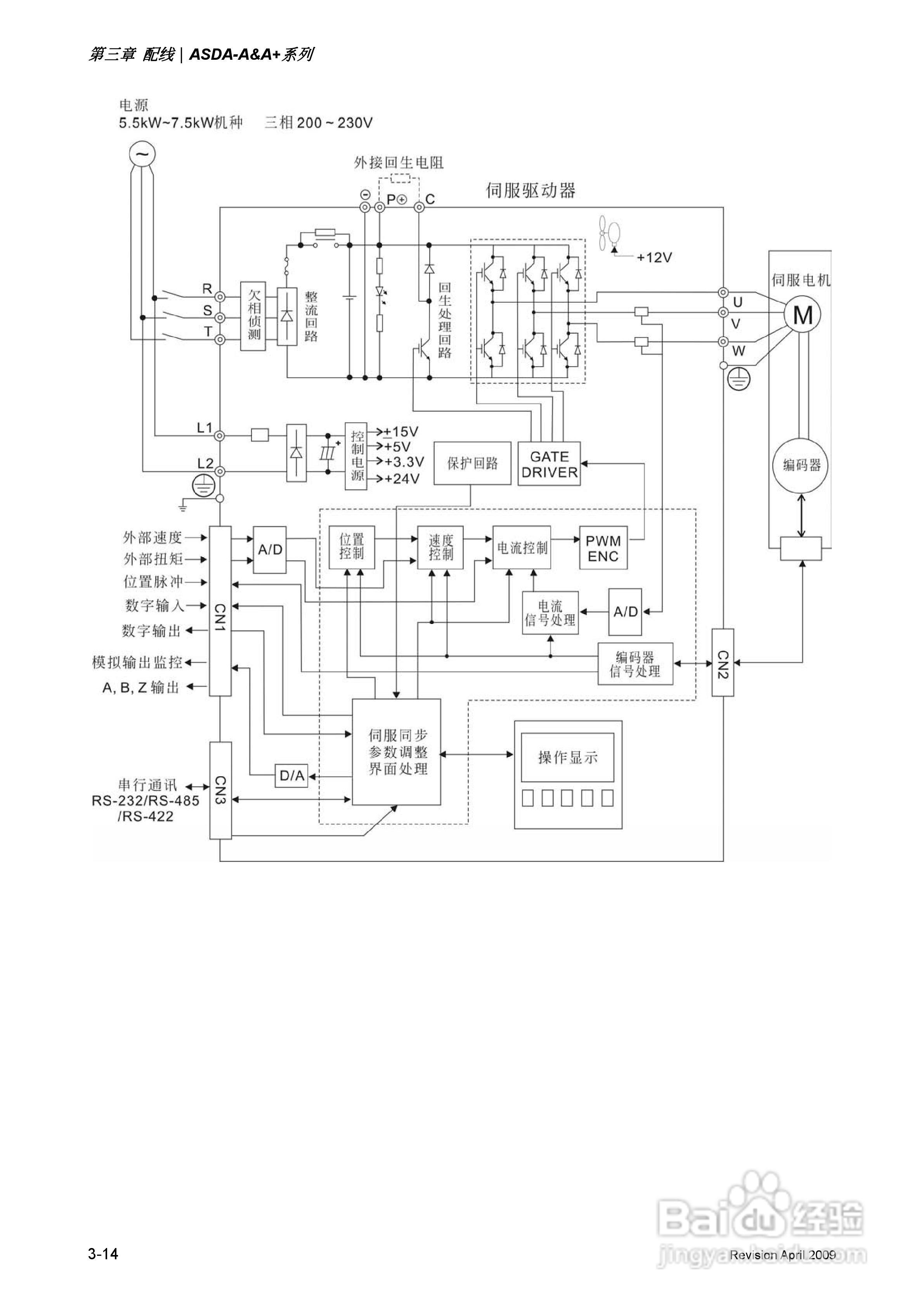
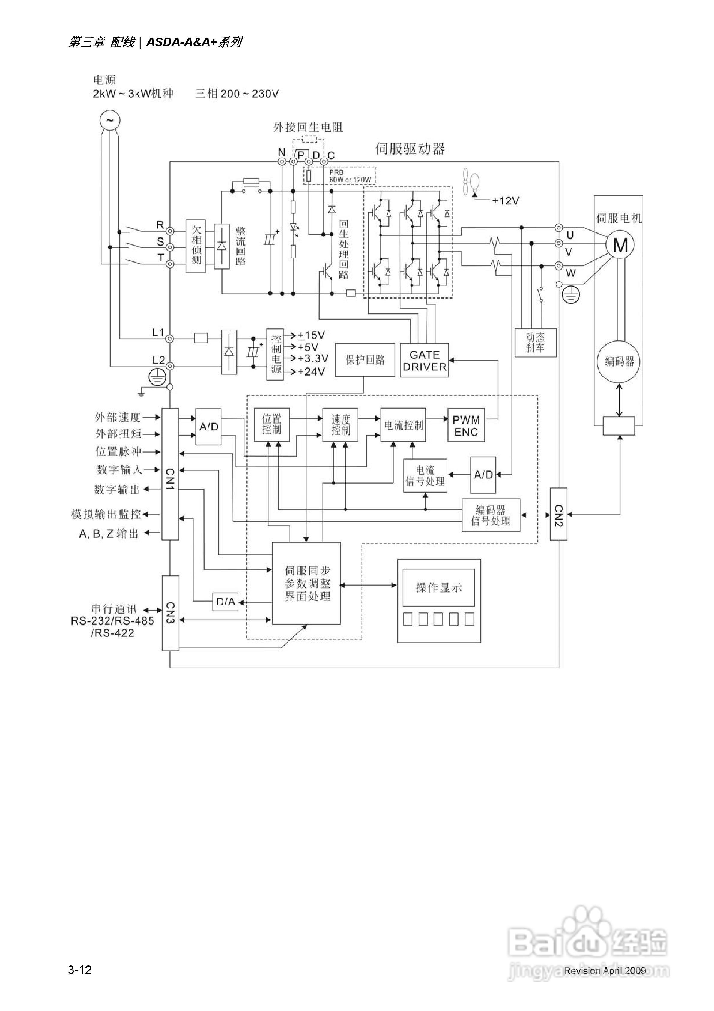
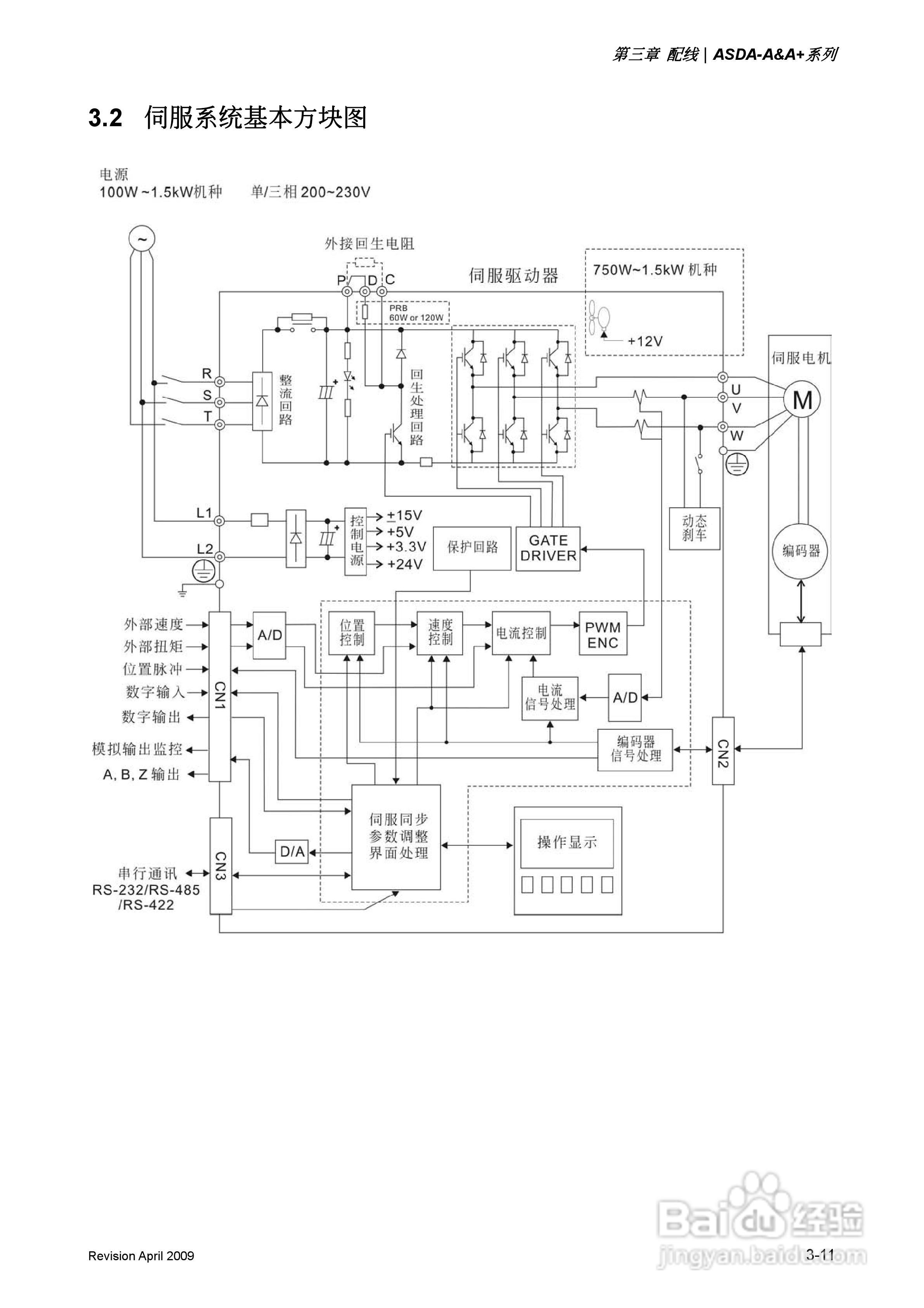
台达ASDA-A伺服驱动器使用手冊:[5]
2026-03-31 04:05:39
本篇为《台达ASDA-A伺服驱动器使用手冊》,主要介绍该产品的使用方法以及常见故障解决方案。
(共篇)
上一篇:
|
下一篇:
声明:
本网站引用、摘录或转载内容仅供网站访问者交流或参考,不代表本站立场,如存在版权或非法内容,请联系站长删除,联系邮箱:site.kefu@qq.com。
相关推荐
台达ASDA-A2伺服驱动器使用手冊:[5]
阅读量:21
台达ASDA-A伺服驱动器使用手冊:[2]
阅读量:34
台达ASDA-AB伺服驱动器使用手冊:[6]
阅读量:70
伺服驱动器速度怎么计算
阅读量:32
伺服驱动器的七个常见故障及其检修
阅读量:128
猜你喜欢
做俯卧撑有什么好处
usd是什么
三拼音节什么意思
本科一批是什么意思
黄芪和枸杞泡水喝有什么作用
php是什么
图腾是什么意思
便溏是什么意思
入党有什么好处
霸王别姬什么意思
猜你喜欢
舒服的近义词是什么
gprs是什么意思
pink是什么意思
什么是电子商务
口气臭是什么原因
baby什么意思
电销是什么
分销是什么意思
2011年是什么年
分辨率是什么意思