指南生活
首页
美食营养
手工爱好
生活家居
返回
指南生活
首页
美食营养
游戏数码
手工爱好
生活家居
健康养生
运动户外
职场理财
情感交际
母婴教育
时尚美容
知识问答
生活知识
生活百科
搜索
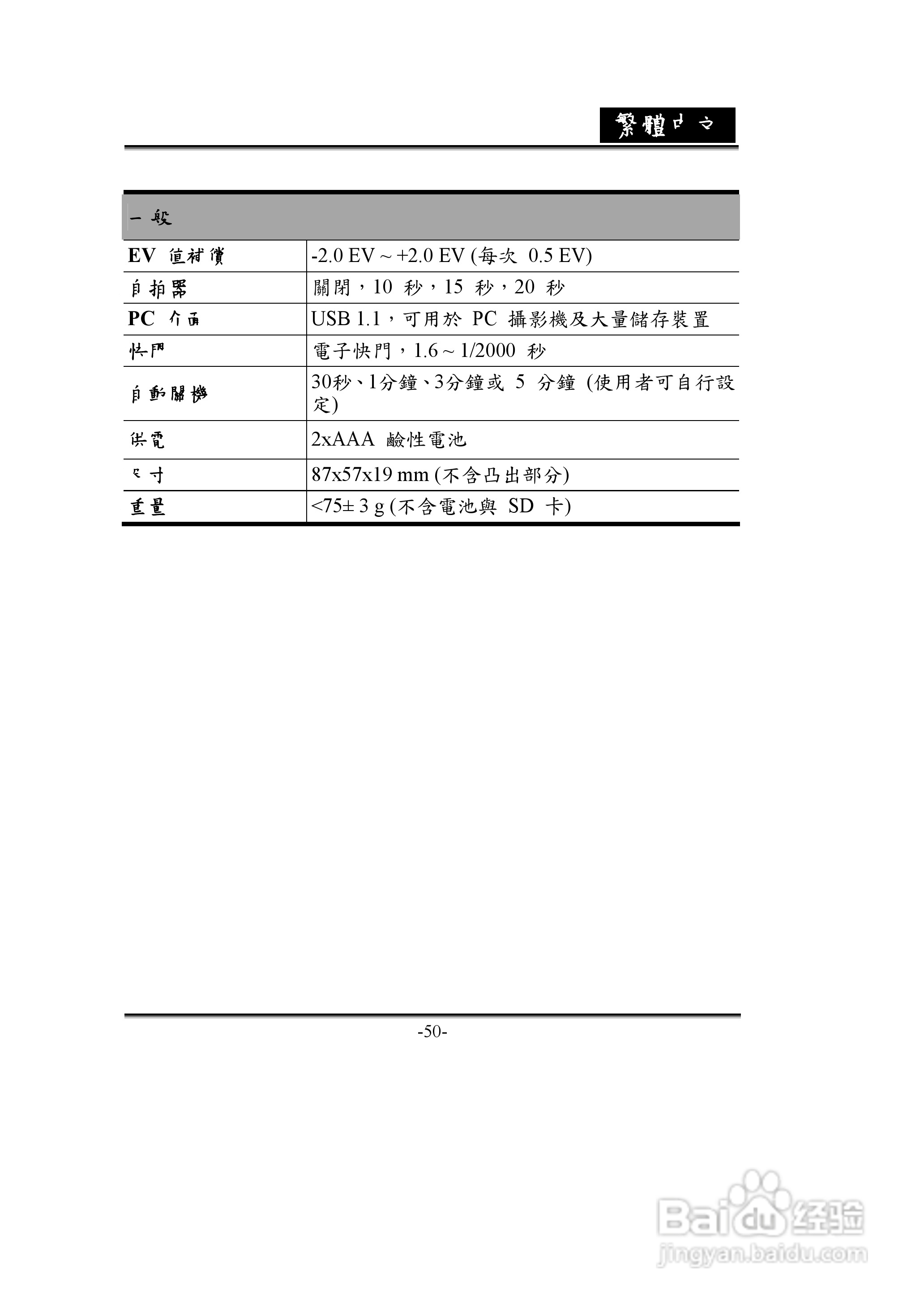
昆盈G-Shot D612型数码相机使用说明书:[5]
2026-04-19 14:52:24
本篇为《昆盈G-Shot D612型数码相机使用说明书》,主要介绍该产品的使用方法以及常见故障解决方案。
(共篇)
上一篇:
声明:
本网站引用、摘录或转载内容仅供网站访问者交流或参考,不代表本站立场,如存在版权或非法内容,请联系站长删除,联系邮箱:site.kefu@qq.com。
相关推荐
昆盈G-Shot D612型数码相机使用说明书:[1]
阅读量:188
数码相机单反相机传感器清洁
阅读量:119
昆盈G-Shot D612型数码相机使用说明书:[4]
阅读量:64
昆盈G-Shot D612型数码相机使用说明书:[3]
阅读量:53
昆盈G-Shot D612型数码相机使用说明书:[2]
阅读量:24
猜你喜欢
没有注册类别怎么解决
如何开网站
如何进行市场细分
base是什么意思
更好的生活
壁虎在家里是什么征兆
迅雷下载慢怎么解决
诚信让生活更美好
根号2怎么打
剑豪怎么玩
猜你喜欢
rua是什么意思
如何打印pdf文件
三个火念什么
如何预防肺结核病
戾气是什么意思
高考如何填志愿
小学生检查怎么写
生活中的管理学
如何投稿
芦荟如何美容