指南生活
首页
美食营养
手工爱好
生活家居
返回
指南生活
首页
美食营养
游戏数码
手工爱好
生活家居
健康养生
运动户外
职场理财
情感交际
母婴教育
时尚美容
知识问答
生活知识
生活百科
搜索
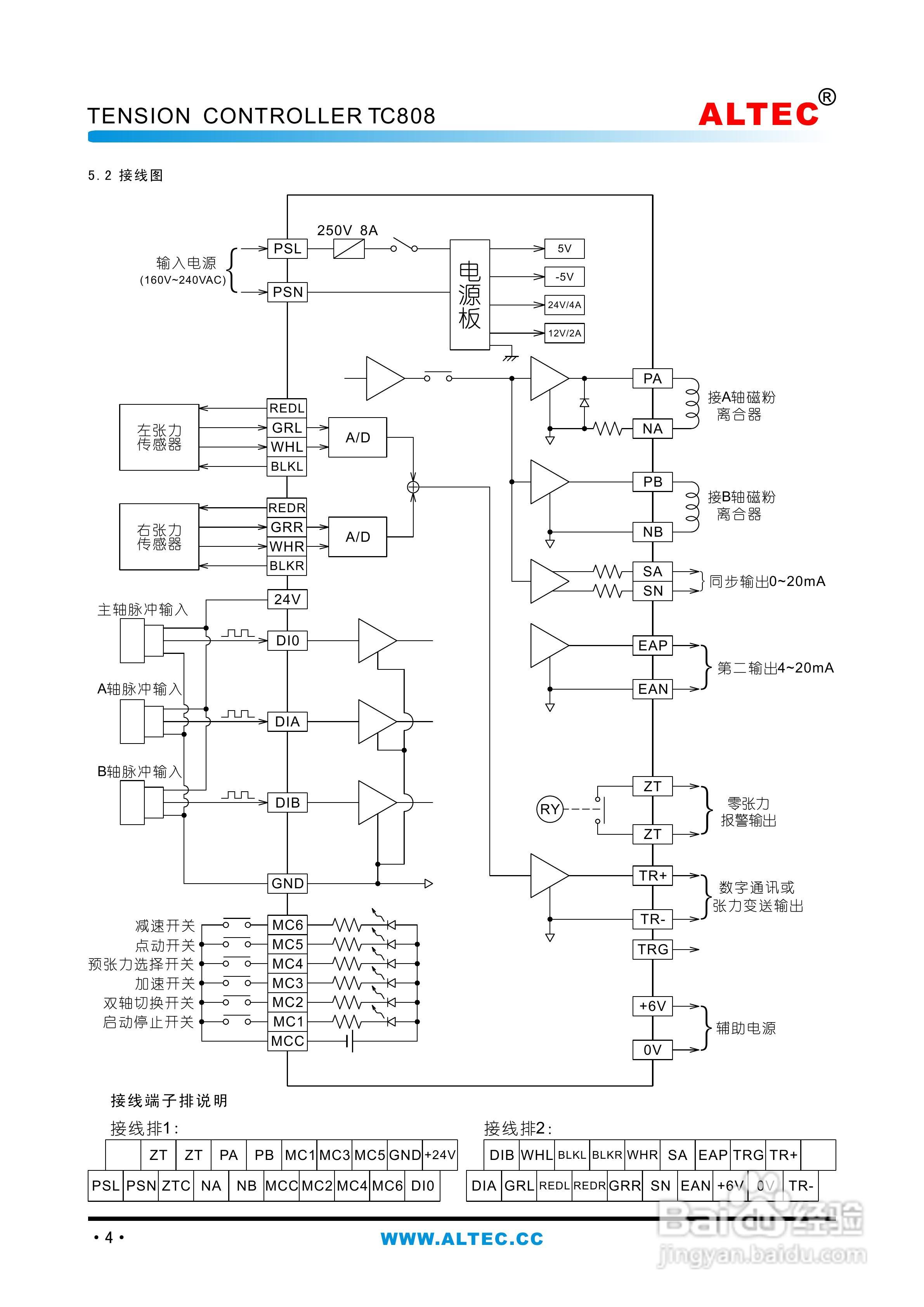
亚特克TC808全功能张力控制器使用说明书:[1]
2026-04-23 21:16:05
本篇为《亚特克TC808全功能张力控制器使用说明书》,主要介绍该产品的使用方法以及常见故障解决方案。
(共篇)
下一篇:
声明:
本网站引用、摘录或转载内容仅供网站访问者交流或参考,不代表本站立场,如存在版权或非法内容,请联系站长删除,联系邮箱:site.kefu@qq.com。
相关推荐
TC808全功能张力控制器使用说明书:[1]
阅读量:71
TC808全功能张力控制器使用说明书:[3]
阅读量:164
TC818型V1.00张力控制器使用说明书:[1]
阅读量:87
TC818型V1.00张力控制器使用说明书:[2]
阅读量:24
TC818张力控制器V4.00使用说明书:[1]
阅读量:34
猜你喜欢
改密码怎么改
知道番号怎么下载
迷路了怎么办
天猫积分怎么用
qq好友恢复怎么弄
怎么开通网银
保圣太阳镜怎么样
怎么看cpu温度
待机时间怎么设置
螨虫皮肤病怎么治
猜你喜欢
路由器怎么修改密码
鼻影怎么画
脂肪瘤怎么治疗
怎么扩大c盘空间
声卡怎么安装
我的世界剪刀怎么做
老公出轨了怎么办
win7怎么重装系统
猪头肉怎么做好吃
春风150nk怎么样