指南生活
首页
美食营养
手工爱好
生活家居
返回
指南生活
首页
美食营养
游戏数码
手工爱好
生活家居
健康养生
运动户外
职场理财
情感交际
母婴教育
时尚美容
知识问答
生活知识
搜索
研祥EC5-1712CLDNA工业级CPU板卡说明书:[4]
2026-03-01 02:44:42
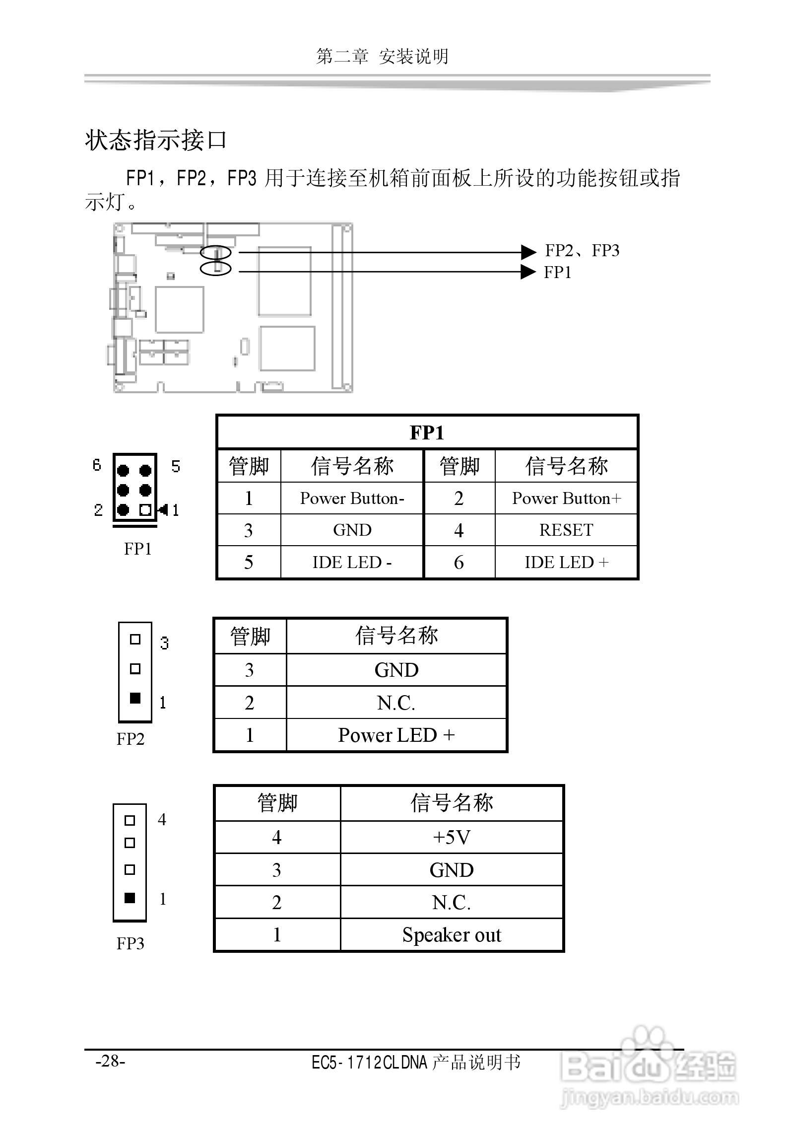
本篇为《研祥EC5-1712CLDNA工业级CPU板卡说明书》,主要介绍该产品的使用方法以及常见故障解决方案。
(共篇)
上一篇:
|
下一篇:
声明:
本网站引用、摘录或转载内容仅供网站访问者交流或参考,不代表本站立场,如存在版权或非法内容,请联系站长删除,联系邮箱:site.kefu@qq.com。
相关推荐
研祥EC5-1712CLDNA工业级CPU板卡说明书:[6]
阅读量:90
研祥EC5-1717CLDNA工业级CPU板卡说明书:[4]
阅读量:192
研祥EC5-1717CLDNA工业级CPU板卡说明书:[3]
阅读量:140
cpu天梯图怎么看
阅读量:182
cpu怎么开启睿频
阅读量:42
猜你喜欢
蒸饺的面怎么和
蛇是怎么交配的
新捷达怎么样
bb霜怎么用
跟人聊天怎么找话题
怎么样去除眼袋
晚上睡觉出虚汗怎么回事
英语怎么拼
南京信息工程大学怎么样
速腾怎么样
猜你喜欢
贫困生申请书怎么写
ps怎么调清晰度
透明头像怎么弄
反斜杠怎么输入
excel怎么画斜线
怎么学化妆
dnf时空之门怎么去
电脑怎么调分辨率
qq号忘了怎么找回
红豆薏米水怎么煮